Columbia, SC
|
Give Us a Call
(803) 750-7050
|
EST. 1976
|
Toggle navigation
Home
Brands
Manufacturer Models
OEM Promotions
Can-Am
Sea-Doo
CFMoto
SSR Motorsports
Yamaha
Kawasaki
Suzuki
Inventory
All Inventory In Stock
New Inventory In Stock
Pre-Owned Inventory
SxS
ATVs
PTVs
Motorcycles
3-Wheel
Personal Watercraft
Scooters
Pontoons
Value Your Trade-In
Request a Model
Secure Financing
Featured Specials
Parts
Parts Department
Parts Finder
Service
Service Department
Warranty & Recall Look-Up
Shop
Parts Finder
Shopping Cart
Financing
About
Our Dealership
Employment
Reviews
Customer Survey
Location & Hours
Contact
Fiche | Parts Diagrams
Home
›
Parts
›
Parts Finder
Search by :
Part / Desc
VIN
Please Select
Can-Am
CFMOTO
Kawasaki
Sea-Doo
Suzuki
Yamaha
*Please enter at least 3 characters
SEARCH
Manufacturer
Can-Am
ATVs
2011
Outlander 800R EFI, XMR
VIEW WISH LIST
Select a Section
Show/Hide
00- Model Numbers
01- Cooling System
01- Crankcase
01- Crankshaft, Piston And Cylinder
01- Cylinder Head, Front
01- Cylinder Head, Rear
01- Engine 1
01- Engine 2
01- Engine 3 Air Outlet
01- Engine Cooling
01- Engine Lubrication
01- Exhaust System
01- Gear Box And Components
01- Gear Box Assy and 4x4 Actuator
01- Gear Box Output Shaft
02- Air Intake Manifold And Throttle Body
02- Air Intake Silencer
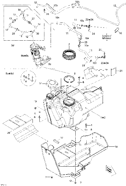
02- Fuel System
03- Magneto And Electric Starter
05- Transmission
06- Brakes
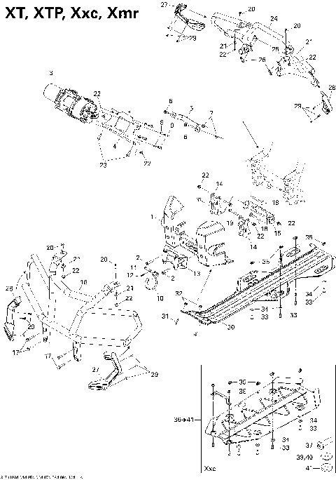
07- Drive System, Front
07- Front Suspension
07- Steering
08- Drive Shaft
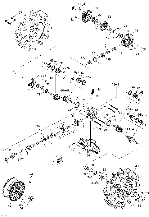
08- Drive System, Rear
08- Rear Suspension (26T1111a)
08- Rear Suspension (26T1111b)
09- Body And Accessories 1
09- Body And Accessories 2
09- Body And Accessories 3
09- Body And Accessories 4
09- Body And Accessories 5, Mudguard
09- Decals
09- Fender And Central Panel Kit
09- Frame
09- Front and Rear Trays
09- Seat
10- Electrical Accessories 1
10- Electrical Accessories Europe
10- Electrical Harness, Front Section Europe
10- Electrical System
10- Engine Harness And Electronic Module
10- Main Harness
99- ATV Publications
00- Model Numbers
01- Cooling System
01- Crankcase
01- Crankshaft, Piston And Cylinder
01- Cylinder Head, Front
01- Cylinder Head, Rear
01- Engine 1
01- Engine 2
01- Engine 3 Air Outlet
01- Engine Cooling
01- Engine Lubrication
01- Exhaust System
01- Gear Box And Components
01- Gear Box Assy and 4x4 Actuator
01- Gear Box Output Shaft
02- Air Intake Manifold And Throttle Body
02- Air Intake Silencer
02- Fuel System
03- Magneto And Electric Starter
05- Transmission
06- Brakes
07- Drive System, Front
07- Front Suspension
07- Steering
08- Drive Shaft
08- Drive System, Rear
08- Rear Suspension (26T1111a)
08- Rear Suspension (26T1111b)
09- Body And Accessories 1
09- Body And Accessories 2
09- Body And Accessories 3
09- Body And Accessories 4
09- Body And Accessories 5, Mudguard
09- Decals
09- Fender And Central Panel Kit
09- Frame
09- Front and Rear Trays
09- Seat
10- Electrical Accessories 1
10- Electrical Accessories Europe
10- Electrical Harness, Front Section Europe
10- Electrical System
10- Engine Harness And Electronic Module
10- Main Harness
99- ATV Publications
VIEW WISH LIST