Columbia, SC
|
Give Us a Call
(803) 750-7050
|
EST. 1976
|
Toggle navigation
Home
Brands
Manufacturer Models
OEM Promotions
Can-Am
Sea-Doo
CFMoto
SSR Motorsports
Yamaha
Kawasaki
Suzuki
Inventory
All Inventory In Stock
New Inventory In Stock
Pre-Owned Inventory
SxS
ATVs
PTVs
Motorcycles
3-Wheel
Personal Watercraft
Scooters
Pontoons
Value Your Trade-In
Request a Model
Secure Financing
Featured Specials
Parts
Parts Department
Parts Finder
Service
Service Department
Warranty & Recall Look-Up
Shop
Parts Finder
Shopping Cart
Financing
About
Our Dealership
Employment
Reviews
Customer Survey
Location & Hours
Contact
Fiche | Parts Diagrams
Home
›
Parts
›
Parts Finder
Search by :
Part / Desc
VIN
Please Select
Can-Am
CFMOTO
Kawasaki
Sea-Doo
Suzuki
Yamaha
*Please enter at least 3 characters
SEARCH
Manufacturer
Can-Am
Motorcycles
2010
Spyder RT, RTS Roadster SE5
VIEW WISH LIST
Select a Section
Show/Hide
00- Model Numbers SE5 Electronic
01- Clutch Cover And Water Pump
01- Cooling System
01- Crankcase
01- Crankshaft
01- Cylinder And Piston
01- Cylinder Head
01- Engine , SE5 Electronic
01- Engine Lubrication
01- Exhaust System
01- Valve Cover
01- Valve Train
02- Air Intake
02- Fuel System
02- Oil System SE5
02- Throttle Body
03- Magneto And Electric Starter
05- Clutch
05- Clutch Release Cover
05- Gear Box
05- Hydraulic Shifting
05- Shifting System
06- Hydraulic Brake, Front
06- Hydraulic Brake, Rear
07- Drive System, Front
07- Steering SE5
07- Suspension, Front
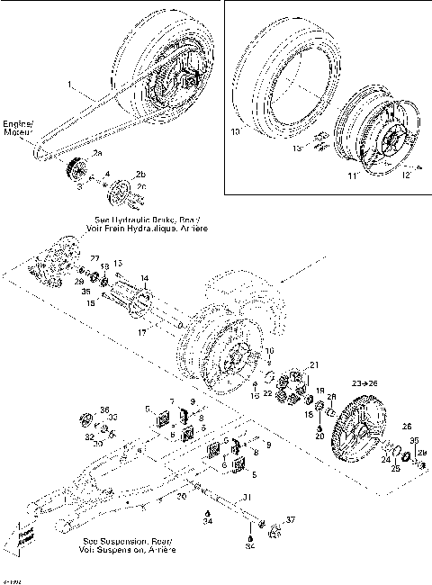
08- Drive System, Rear
08- Suspension, Rear
09- Body And Accessories , Console
09- Body And Accessories , Front
09- Body And Accessories , Side Parts 1
09- Body And Accessories SE5, Side Parts 2
09- Decals
09- Frame
09- Luggages A
09- Luggages B
09- Luggages C
09- Seat
09- Utilities
10- Electrical Accessories 1- SE5
10- Electrical Accessories 2
10- Electrical Accessories 3
10- Electrical Accessories, Front SE5
10- Electrical Accessories, Rear
10- Electrical Accessories, Steering SE5
10- Electrical Harness , Cargo
10- Electrical Harness , Dashboard
10- Electrical Harness , Miscellaneous
10- Electrical Harness , Switch
10- Engine Harness And Electronic Module
10- Frame Harness , SE5 Electronic
10- Lighting System
10- Lighting System , Europe
99- Roadster Publications
00- Model Numbers SE5 Electronic
01- Clutch Cover And Water Pump
01- Cooling System
01- Crankcase
01- Crankshaft
01- Cylinder And Piston
01- Cylinder Head
01- Engine , SE5 Electronic
01- Engine Lubrication
01- Exhaust System
01- Valve Cover
01- Valve Train
02- Air Intake
02- Fuel System
02- Oil System SE5
02- Throttle Body
03- Magneto And Electric Starter
05- Clutch
05- Clutch Release Cover
05- Gear Box
05- Hydraulic Shifting
05- Shifting System
06- Hydraulic Brake, Front
06- Hydraulic Brake, Rear
07- Drive System, Front
07- Steering SE5
07- Suspension, Front
08- Drive System, Rear
08- Suspension, Rear
09- Body And Accessories , Console
09- Body And Accessories , Front
09- Body And Accessories , Side Parts 1
09- Body And Accessories SE5, Side Parts 2
09- Decals
09- Frame
09- Luggages A
09- Luggages B
09- Luggages C
09- Seat
09- Utilities
10- Electrical Accessories 1- SE5
10- Electrical Accessories 2
10- Electrical Accessories 3
10- Electrical Accessories, Front SE5
10- Electrical Accessories, Rear
10- Electrical Accessories, Steering SE5
10- Electrical Harness , Cargo
10- Electrical Harness , Dashboard
10- Electrical Harness , Miscellaneous
10- Electrical Harness , Switch
10- Engine Harness And Electronic Module
10- Frame Harness , SE5 Electronic
10- Lighting System
10- Lighting System , Europe
99- Roadster Publications
VIEW WISH LIST