Columbia, SC
|
Give Us a Call
(803) 750-7050
|
EST. 1976
|
Toggle navigation
Home
Brands
Manufacturer Models
OEM Promotions
Can-Am
Sea-Doo
CFMoto
SSR Motorsports
Yamaha
Kawasaki
Suzuki
Inventory
All Inventory In Stock
New Inventory In Stock
Pre-Owned Inventory
SxS
ATVs
PTVs
Motorcycles
3-Wheel
Personal Watercraft
Scooters
Pontoons
Value Your Trade-In
Request a Model
Secure Financing
Featured Specials
Parts
Parts Department
Parts Finder
Service
Service Department
Warranty & Recall Look-Up
Shop
Parts Finder
Shopping Cart
Financing
About
Our Dealership
Employment
Reviews
Customer Survey
Location & Hours
Contact
Fiche | Parts Diagrams
Home
›
Parts
›
Parts Finder
Search by :
Part / Desc
VIN
Please Select
Can-Am
CFMOTO
Kawasaki
Sea-Doo
Suzuki
Yamaha
*Please enter at least 3 characters
SEARCH
Manufacturer
Can-Am
Utility Vehicles
2024
North America - Defender MAX HD9 - XT - 8SRB - Fiery Red Metallic - 62" Width
VIEW WISH LIST
Select a Section
Show/Hide
01- ROTAX - Air Intake Manifold And Throttle Body
01- ROTAX - Crankcase
01- ROTAX - Crankshaft and Pistons
01- ROTAX - CVT
01- ROTAX - Drive Shaft
01- ROTAX - Engine Cooling
01- ROTAX - Engine Harness And Electronic Module
01- ROTAX - Engine Lubrication
01- ROTAX - Front Cylinder Head
01- ROTAX - Gear Box 1 - 686 807 - Hua Yong - 1st Generation
01- ROTAX - Gear Box 1 - 686 808 - Tremec - 2nd Generation
01- ROTAX - Gear Box 2 - 686 807 - Hua Yong - 1st Generation
01- ROTAX - Gear Box 2 - 686 808 - Tremec - 2nd Generation
01- ROTAX - Gearbox Assy and Drive Shaft - 686 807 - Hua Yong - 1st Generation
01- ROTAX - Gearbox Assy and Drive Shaft - 686 808 - Tremec - 2nd Generation
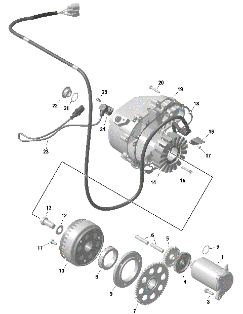
01- ROTAX - Magneto and Electric Starter
01- ROTAX - Rear Cylinder Head
02- Engine - Air Intake
02- Engine - Cooling
02- Engine - Exhaust
02- Engine - Fuel
02- Engine - System
03- Mechanic - Brake System
03- Mechanic - Steering
04- Drive - Front - Common Parts
04- Drive - Front - Differential Parts
04- Drive - Front Wheels
04- Drive - Rear - Common Parts
04- Drive - Rear Wheels
05- Suspension - Front Components
05- Suspension - Front Shocks
05- Suspension - Rear Components
05- Suspension - Rear Shocks
06- Frame - System
07- Body - Cargo
07- Body - Decals
07- Body - Roof
07- Body - Seat - Front Section
07- Body - Seat - Rear Section
07- Body - Skid Plate
07- Body - System
07- Body - Warning Decals
07- Cab Interior - Back Wall
07- Cab Interior - Dashboard
07- Cab Interior - Firewall
07- Cab Interior - Floor
07- Cab Interior - Safety Net
08- Electric - Front Section
08- Electric - Key Wiring Harness - 710008863
08- Electric - Main Harness - 710008774
08- Electric - Rear Section
08- Electric - Winch
08- Electric - Winch Wiring Harness - 710008183
08- Electric - Wiring Voltage Regulator - 710008406
09- Miscellaneous - Tools
01- ROTAX - Air Intake Manifold And Throttle Body
01- ROTAX - Crankcase
01- ROTAX - Crankshaft and Pistons
01- ROTAX - CVT
01- ROTAX - Drive Shaft
01- ROTAX - Engine Cooling
01- ROTAX - Engine Harness And Electronic Module
01- ROTAX - Engine Lubrication
01- ROTAX - Front Cylinder Head
01- ROTAX - Gear Box 1 - 686 807 - Hua Yong - 1st Generation
01- ROTAX - Gear Box 1 - 686 808 - Tremec - 2nd Generation
01- ROTAX - Gear Box 2 - 686 807 - Hua Yong - 1st Generation
01- ROTAX - Gear Box 2 - 686 808 - Tremec - 2nd Generation
01- ROTAX - Gearbox Assy and Drive Shaft - 686 807 - Hua Yong - 1st Generation
01- ROTAX - Gearbox Assy and Drive Shaft - 686 808 - Tremec - 2nd Generation
01- ROTAX - Magneto and Electric Starter
01- ROTAX - Rear Cylinder Head
02- Engine - Air Intake
02- Engine - Cooling
02- Engine - Exhaust
02- Engine - Fuel
02- Engine - System
03- Mechanic - Brake System
03- Mechanic - Steering
04- Drive - Front - Common Parts
04- Drive - Front - Differential Parts
04- Drive - Front Wheels
04- Drive - Rear - Common Parts
04- Drive - Rear Wheels
05- Suspension - Front Components
05- Suspension - Front Shocks
05- Suspension - Rear Components
05- Suspension - Rear Shocks
06- Frame - System
07- Body - Cargo
07- Body - Decals
07- Body - Roof
07- Body - Seat - Front Section
07- Body - Seat - Rear Section
07- Body - Skid Plate
07- Body - System
07- Body - Warning Decals
07- Cab Interior - Back Wall
07- Cab Interior - Dashboard
07- Cab Interior - Firewall
07- Cab Interior - Floor
07- Cab Interior - Safety Net
08- Electric - Front Section
08- Electric - Key Wiring Harness - 710008863
08- Electric - Main Harness - 710008774
08- Electric - Rear Section
08- Electric - Winch
08- Electric - Winch Wiring Harness - 710008183
08- Electric - Wiring Voltage Regulator - 710008406
09- Miscellaneous - Tools
VIEW WISH LIST