Columbia, SC
|
Give Us a Call
(803) 750-7050
|
EST. 1976
|
Toggle navigation
Home
Brands
Manufacturer Models
OEM Promotions
Can-Am
Sea-Doo
CFMoto
SSR Motorsports
Yamaha
Kawasaki
Suzuki
Inventory
All Inventory In Stock
New Inventory In Stock
Pre-Owned Inventory
SxS
ATVs
PTVs
Motorcycles
3-Wheel
Personal Watercraft
Scooters
Pontoons
Value Your Trade-In
Request a Model
Secure Financing
Featured Specials
Parts
Parts Department
Parts Finder
Service
Service Department
Warranty & Recall Look-Up
Shop
Parts Finder
Shopping Cart
Financing
About
Our Dealership
Employment
Reviews
Customer Survey
Location & Hours
Contact
Fiche | Parts Diagrams
Home
›
Parts
›
Parts Finder
Search by :
Part / Desc
VIN
Please Select
Can-Am
CFMOTO
Kawasaki
Sea-Doo
Suzuki
Yamaha
*Please enter at least 3 characters
SEARCH
Manufacturer
CFMOTO
Utility Vehicles
2020
UFORCE 800 CF800-3
VIEW WISH LIST
Select a Section
Show/Hide
2V91W ENGINE (SHORT FRONT OUTPUT SHAFT)
AIR FILTER ASSY.
BODY ACCESSORIES
BODY ACCESSORIES(2)
BODY ACCESSORIES(3)
BRAKE SYSTEM
BUMPER
CAMSHAFT OF CYLINDER 1 ASSY.
CAMSHAFT OF CYLINDER 2 ASSY.
CARGO BOX
CARGO BOX(2)
CLUTCH AND CVT ASSY
CRANKCASE ASSY.
CRANKSHAFT, CONNECTING ROD, PISTON ASSY
CVT AIR PIPE
CVT CASE ASSY.
CVT COVER ASSY.
CVT LABEL
CYLINDER ASSY.
CYLINDER HEAD AND CYLINDER ASSY.
CYLINDER HEAD COVER ASSY.
CYLINDER HEAD NO.1 ASSY.
CYLINDER HEAD NO.2 ASSY.
DASHBOARD
DECAL KITS (2020,CRYSTAL ORANGE)
DECAL KITS (2020,TITANIUM GRAY)
DECAL KITS (2020,TRUE TIMBER CAMO)
DRIVE PULLEY
DRIVEN PULLEY (CVtech)
DRIVETRAIN SYSTEM
ELECTRIC SYSTEM
ENGINE MOUNTING PARTS
FAN ASSY.
FRAME
FRONT CV SHAFT
FRONT DIFFENTIAL
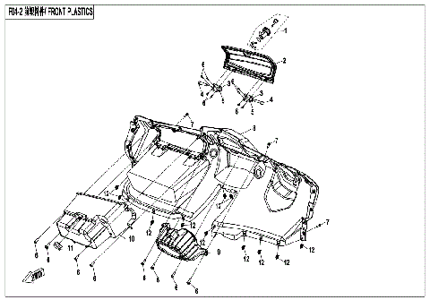
FRONT PLASTICS
FRONT PLASTICS(2)
FRONT SUSPENSION
FRONT WHEEL
FUEL EVAPORATION SYSTEM
FUEL INJECTION SYSTEM
FUEL TANK
GASKET KIT
GEAR SHIFTING
HANDLEBAR TAG
INTAKE MANIFOLD ASSY.
LABEL,FUEL TANK
LEFT CRANKCASE ASSY.
LEFT CRANKCASE COVER ASSY.
LIGHT
LOCK KIT
MAGNETO ASSY. (WITH EPS)
MANUALS
MIDDLE PLASTICS
MIDDLE PLASTICS(2)
MUFFLER
OIL COOLING SYSTEM
OIL PUMP ASSY.
REAR AXLE
REAR CV SHAFT
REAR SUSPENSION
REAR WHEEL
REFLECTIVE LABLE
RIGHT CRANKCASE ASSY.
SEAL KIT
SEAT
SIDE DOORS
SPECIAL TOOLS
STARTING SYSTEM
STEERING SYSTEM (EPS)
THREE POINT SEAT BELT
TOOLS
TOWBAR
TOWING WINCH
TRANSMISSION SYSTEM (1)
TRANSMISSION SYSTEM (2)
TRANSMISSION SYSTEM (3)
WARNING DECALS - USA
WATER COOLING SYSTEM
WATER PUMP ASSY.
WET CLUTCH ASSY
WET CLUTCH HOUSING ASSY
2V91W ENGINE (SHORT FRONT OUTPUT SHAFT)
AIR FILTER ASSY.
BODY ACCESSORIES
BODY ACCESSORIES(2)
BODY ACCESSORIES(3)
BRAKE SYSTEM
BUMPER
CAMSHAFT OF CYLINDER 1 ASSY.
CAMSHAFT OF CYLINDER 2 ASSY.
CARGO BOX
CARGO BOX(2)
CLUTCH AND CVT ASSY
CRANKCASE ASSY.
CRANKSHAFT, CONNECTING ROD, PISTON ASSY
CVT AIR PIPE
CVT CASE ASSY.
CVT COVER ASSY.
CVT LABEL
CYLINDER ASSY.
CYLINDER HEAD AND CYLINDER ASSY.
CYLINDER HEAD COVER ASSY.
CYLINDER HEAD NO.1 ASSY.
CYLINDER HEAD NO.2 ASSY.
DASHBOARD
DECAL KITS (2020,CRYSTAL ORANGE)
DECAL KITS (2020,TITANIUM GRAY)
DECAL KITS (2020,TRUE TIMBER CAMO)
DRIVE PULLEY
DRIVEN PULLEY (CVtech)
DRIVETRAIN SYSTEM
ELECTRIC SYSTEM
ENGINE MOUNTING PARTS
FAN ASSY.
FRAME
FRONT CV SHAFT
FRONT DIFFENTIAL
FRONT PLASTICS
FRONT PLASTICS(2)
FRONT SUSPENSION
FRONT WHEEL
FUEL EVAPORATION SYSTEM
FUEL INJECTION SYSTEM
FUEL TANK
GASKET KIT
GEAR SHIFTING
HANDLEBAR TAG
INTAKE MANIFOLD ASSY.
LABEL,FUEL TANK
LEFT CRANKCASE ASSY.
LEFT CRANKCASE COVER ASSY.
LIGHT
LOCK KIT
MAGNETO ASSY. (WITH EPS)
MANUALS
MIDDLE PLASTICS
MIDDLE PLASTICS(2)
MUFFLER
OIL COOLING SYSTEM
OIL PUMP ASSY.
REAR AXLE
REAR CV SHAFT
REAR SUSPENSION
REAR WHEEL
REFLECTIVE LABLE
RIGHT CRANKCASE ASSY.
SEAL KIT
SEAT
SIDE DOORS
SPECIAL TOOLS
STARTING SYSTEM
STEERING SYSTEM (EPS)
THREE POINT SEAT BELT
TOOLS
TOWBAR
TOWING WINCH
TRANSMISSION SYSTEM (1)
TRANSMISSION SYSTEM (2)
TRANSMISSION SYSTEM (3)
WARNING DECALS - USA
WATER COOLING SYSTEM
WATER PUMP ASSY.
WET CLUTCH ASSY
WET CLUTCH HOUSING ASSY
VIEW WISH LIST