Columbia, SC
|
Give Us a Call
(803) 750-7050
|
EST. 1976
|
Toggle navigation
Home
Brands
Manufacturer Models
OEM Promotions
Can-Am
Sea-Doo
CFMoto
SSR Motorsports
Yamaha
Kawasaki
Suzuki
Inventory
All Inventory In Stock
New Inventory In Stock
Pre-Owned Inventory
SxS
ATVs
PTVs
Motorcycles
3-Wheel
Personal Watercraft
Scooters
Pontoons
Value Your Trade-In
Request a Model
Secure Financing
Featured Specials
Parts
Parts Department
Parts Finder
Service
Service Department
Warranty & Recall Look-Up
Shop
Parts Finder
Shopping Cart
Financing
About
Our Dealership
Employment
Reviews
Customer Survey
Location & Hours
Contact
Fiche | Parts Diagrams
Home
›
Parts
›
Parts Finder
Search by :
Part / Desc
VIN
Please Select
Can-Am
CFMOTO
Kawasaki
Sea-Doo
Suzuki
Yamaha
*Please enter at least 3 characters
SEARCH
Manufacturer
CFMOTO
Utility Vehicles
2020
ZFORCE 950 Sport CF1000US-A
VIEW WISH LIST
Select a Section
Show/Hide
3-POINT SEAT BELT
AIR FILTER ASSY
BODY ACCESSORIES
BRAKE SYSTEM
CAB FRAME (FOR 3-POINT SEAT BELT)
CAMSHAFT OF CYLINDER 1 ASSY
CAMSHAFT OF CYLINDER 2 ASSY
COOLING SYSTEM
CRANKSHAFT & CONNECTING ROD & PISTON ASSY
CVT AIR PIPE
CVT ASSY (NON SPEED LIMITED&DIE THRUST COLLAR)
CVT CASE ASSY
CYLINDER ASSY
CYLINDER HEAD COVER ASSY
CYLINDER HEAD NO.1 ASSY
CYLINDER HEAD NO.2 ASSY
DASHBOARD
DECAL (FIRE RED)
DECAL (NA,GHOST GRAY)
DECAL (NA,ULTRA SILVER)
DECAL, REFLECTORS
DECAL, SAFETY
DRIVETRAIN SYSTEM
ELECTRIC SYSTEM
ENGINE GASKET SET
ENGINE MOUNTING PARTS
ENGINE OIL SEAL &O-RING SET
FRAME
FRONT AXLE
FRONT CV SHAFT
FRONT PLASTIC
FRONT PLASTIC(2)
FRONT SHOCK ABSORBER
FRONT SUSPENSION
FRONT WHEEL
FUEL EVAPORATION SYSTEM
FUEL INJECTION SYSTEM
FUEL TANK
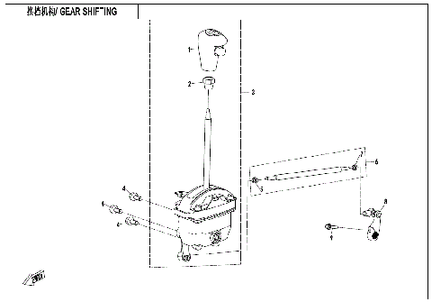
GEAR SHIFTING
INTAKE MANIFOLD ASSY
LEFT CRANKCASE ASSY
LEFT CRANKCASE COVER ASSY
LIGHT
LOCK KIT
LONG BLOCK
MAGNETO ASSY. (EPS)
MANUALS
MIDDLE PLASTIC
MIDDLE PLASTIC(2)
MIDDLE PLASTIC(3)
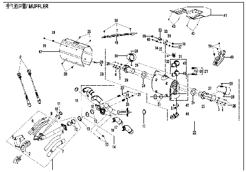
MUFFLER
OIL COOLING SYSTEM
OIL PUMP ASSY
REAR AXLE (WITHOUT DIFFERENTIAL)
REAR CV SHAFT
REAR PLASTIC
REAR PLASTIC(2)
REAR PLASTIC(3)
REAR SHOCK ABSORBER
REAR SUSPENSION
REAR WHEEL
RIGHT CRANKCASE ASSY
SEAT (BLACK)
SEAT (GHOST GRAY)
SIDE DOORS
STARTING SYSTEM
STEERING SYSTEM
TOOLS
TOWBAR (PIN CONNECTION)
TOWING WINCH
TRANSMISSION SYSTEM (1)
TRANSMISSION SYSTEM (2)
TRANSMISSION SYSTEM (3)
WATER PUMP ASSY.
3-POINT SEAT BELT
AIR FILTER ASSY
BODY ACCESSORIES
BRAKE SYSTEM
CAB FRAME (FOR 3-POINT SEAT BELT)
CAMSHAFT OF CYLINDER 1 ASSY
CAMSHAFT OF CYLINDER 2 ASSY
COOLING SYSTEM
CRANKSHAFT & CONNECTING ROD & PISTON ASSY
CVT AIR PIPE
CVT ASSY (NON SPEED LIMITED&DIE THRUST COLLAR)
CVT CASE ASSY
CYLINDER ASSY
CYLINDER HEAD COVER ASSY
CYLINDER HEAD NO.1 ASSY
CYLINDER HEAD NO.2 ASSY
DASHBOARD
DECAL (FIRE RED)
DECAL (NA,GHOST GRAY)
DECAL (NA,ULTRA SILVER)
DECAL, REFLECTORS
DECAL, SAFETY
DRIVETRAIN SYSTEM
ELECTRIC SYSTEM
ENGINE GASKET SET
ENGINE MOUNTING PARTS
ENGINE OIL SEAL &O-RING SET
FRAME
FRONT AXLE
FRONT CV SHAFT
FRONT PLASTIC
FRONT PLASTIC(2)
FRONT SHOCK ABSORBER
FRONT SUSPENSION
FRONT WHEEL
FUEL EVAPORATION SYSTEM
FUEL INJECTION SYSTEM
FUEL TANK
GEAR SHIFTING
INTAKE MANIFOLD ASSY
LEFT CRANKCASE ASSY
LEFT CRANKCASE COVER ASSY
LIGHT
LOCK KIT
LONG BLOCK
MAGNETO ASSY. (EPS)
MANUALS
MIDDLE PLASTIC
MIDDLE PLASTIC(2)
MIDDLE PLASTIC(3)
MUFFLER
OIL COOLING SYSTEM
OIL PUMP ASSY
REAR AXLE (WITHOUT DIFFERENTIAL)
REAR CV SHAFT
REAR PLASTIC
REAR PLASTIC(2)
REAR PLASTIC(3)
REAR SHOCK ABSORBER
REAR SUSPENSION
REAR WHEEL
RIGHT CRANKCASE ASSY
SEAT (BLACK)
SEAT (GHOST GRAY)
SIDE DOORS
STARTING SYSTEM
STEERING SYSTEM
TOOLS
TOWBAR (PIN CONNECTION)
TOWING WINCH
TRANSMISSION SYSTEM (1)
TRANSMISSION SYSTEM (2)
TRANSMISSION SYSTEM (3)
WATER PUMP ASSY.
VIEW WISH LIST