Columbia, SC
|
Give Us a Call
(803) 750-7050
|
EST. 1976
|
Toggle navigation
Home
Brands
Manufacturer Models
OEM Promotions
Can-Am
Sea-Doo
CFMoto
SSR Motorsports
Yamaha
Kawasaki
Suzuki
Inventory
All Inventory In Stock
New Inventory In Stock
Pre-Owned Inventory
SxS
ATVs
PTVs
Motorcycles
3-Wheel
Personal Watercraft
Scooters
Pontoons
Value Your Trade-In
Request a Model
Secure Financing
Featured Specials
Parts
Parts Department
Parts Finder
Service
Service Department
Warranty & Recall Look-Up
Shop
Parts Finder
Shopping Cart
Financing
About
Our Dealership
Employment
Reviews
Customer Survey
Location & Hours
Contact
Fiche | Parts Diagrams
Home
›
Parts
›
Parts Finder
Search by :
Part / Desc
VIN
Please Select
Can-Am
CFMOTO
Kawasaki
Sea-Doo
Suzuki
Yamaha
*Please enter at least 3 characters
SEARCH
Manufacturer
Kawasaki
Motorcycles
2007
Ninja® ZX™-6R (ZX600P7F)
VIEW WISH LIST
Select a Section
Show/Hide
Air Cleaner
Air Duct
Brake Pedal
Brake Pedal/Torque Link
Cables
Camshaft(s)/Tensioner
Chain Cover
Chassis Electrical Equipment
Clutch
Cowling
Cowling Lowers(P7F)
Crankcase
Crankcase Bolt Pattern
Crankshaft/Piston(s)
Cylinder Head
Cylinder Head Cover
Decals(Ebony)(P7F)
Decals(Green)(P7F)
Decals(Orange)(P7F)
Decals(Red)(P7F)
Decals(Silver)(P7F)
Engine Cover(s)
Engine Mount
Footrests
Frame
Frame Fittings(Front)
Frame Fittings(Rear)
Front Brake
Front Fender(s)
Front Fork
Front Hub
Front Master Cylinder
Front Wheel
Fuel Evaporative System(P7F)(CA)
Fuel Injection
Fuel Pump
Fuel Tank
Gear Change Drum/Shift Fork(s)
Gear Change Mechanism
Generator
Handlebar
Headlight(s)
Ignition Switch
Ignition Switch/Locks/Reflectors
Ignition System
Labels
Manual
Meter(s)
Muffler(s)
Oil Cooler
Oil Pan
Oil Pump
Oil Pump/Oil Filter
Owner's Tools
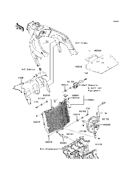
Radiator
Rear Brake
Rear Fender(s)
Rear Hub
Rear Master Cylinder
Rear Suspension
Rear Wheel/Chain
Seat
Shock Absorber(s)
Side Covers
Stand(s)
Starter Motor
Suspension
Swingarm
Taillight(s)
Throttle
Tires
Top Feed Injecter
Transmission
Turn Signals
Valve(s)
Water Pipe
Air Cleaner
Air Duct
Brake Pedal
Brake Pedal/Torque Link
Cables
Camshaft(s)/Tensioner
Chain Cover
Chassis Electrical Equipment
Clutch
Cowling
Cowling Lowers(P7F)
Crankcase
Crankcase Bolt Pattern
Crankshaft/Piston(s)
Cylinder Head
Cylinder Head Cover
Decals(Ebony)(P7F)
Decals(Green)(P7F)
Decals(Orange)(P7F)
Decals(Red)(P7F)
Decals(Silver)(P7F)
Engine Cover(s)
Engine Mount
Footrests
Frame
Frame Fittings(Front)
Frame Fittings(Rear)
Front Brake
Front Fender(s)
Front Fork
Front Hub
Front Master Cylinder
Front Wheel
Fuel Evaporative System(P7F)(CA)
Fuel Injection
Fuel Pump
Fuel Tank
Gear Change Drum/Shift Fork(s)
Gear Change Mechanism
Generator
Handlebar
Headlight(s)
Ignition Switch
Ignition Switch/Locks/Reflectors
Ignition System
Labels
Manual
Meter(s)
Muffler(s)
Oil Cooler
Oil Pan
Oil Pump
Oil Pump/Oil Filter
Owner's Tools
Radiator
Rear Brake
Rear Fender(s)
Rear Hub
Rear Master Cylinder
Rear Suspension
Rear Wheel/Chain
Seat
Shock Absorber(s)
Side Covers
Stand(s)
Starter Motor
Suspension
Swingarm
Taillight(s)
Throttle
Tires
Top Feed Injecter
Transmission
Turn Signals
Valve(s)
Water Pipe
VIEW WISH LIST