Columbia, SC
|
Give Us a Call
(803) 750-7050
|
EST. 1976
|
Toggle navigation
Home
Brands
Manufacturer Models
OEM Promotions
Can-Am
Sea-Doo
CFMoto
SSR Motorsports
Yamaha
Kawasaki
Suzuki
Inventory
All Inventory In Stock
New Inventory In Stock
Pre-Owned Inventory
SxS
ATVs
PTVs
Motorcycles
3-Wheel
Personal Watercraft
Scooters
Pontoons
Value Your Trade-In
Request a Model
Secure Financing
Featured Specials
Parts
Parts Department
Parts Finder
Service
Service Department
Warranty & Recall Look-Up
Shop
Parts Finder
Shopping Cart
Financing
About
Our Dealership
Employment
Reviews
Customer Survey
Location & Hours
Contact
Fiche | Parts Diagrams
Home
›
Parts
›
Parts Finder
Search by :
Part / Desc
VIN
Please Select
Can-Am
CFMOTO
Kawasaki
Sea-Doo
Suzuki
Yamaha
*Please enter at least 3 characters
SEARCH
Manufacturer
Kawasaki
Motorcycles
2008
Vulcan® 900 Custom (VN900C8F)
VIEW WISH LIST
Select a Section
Show/Hide
Air Cleaner
Brake Pedal
Brake Pedal/Torque Link
Cables
Camshaft(s)/Tensioner
Chassis Electrical Equipment
Clutch
Crankcase
Crankcase Bolt Pattern
Crankshaft
Cylinder Head
Cylinder Head Cover
Cylinder/Piston(s)
Decals(C7F-C9F)
Decals(C7F/C8F)
Engine Cover(s)
Engine Mount
Fenders
Footrests
Frame
Frame Fittings
Front Brake
Front Fork
Front Hub
Front Master Cylinder
Front Wheel
Fuel Evaporative System(CA)
Fuel Injection
Fuel Pump
Fuel Tank
Fuel Tank(C8F)
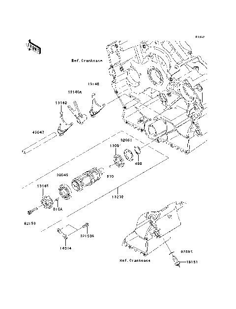
Gear Change Drum/Shift Fork(s)
Gear Change Mechanism
Generator
Handlebar
Headlight(s)
Headlight(s)(UK)
Headlight(s)(WV)
Ignition Switch
Ignition Switch/Locks/Reflectors
Ignition System
Labels
Manual
Meter(s)
Muffler(s)
Oil Filter
Oil Pump
Owner's Tools
Radiator
Rear Brake
Rear Hub
Rear Master Cylinder
Rear Wheel/Chain
Seat
Side Covers/Chain Cover
Stand(s)
Starter Motor
Suspension/Shock Absorber
Swingarm
Taillight(s)
Throttle(C8F-C9FA)
Throttle(C8F/C9FA)
Tires
Transmission
Turn Signals
Valve(s)
Water Pipe
Water Pump
Air Cleaner
Brake Pedal
Brake Pedal/Torque Link
Cables
Camshaft(s)/Tensioner
Chassis Electrical Equipment
Clutch
Crankcase
Crankcase Bolt Pattern
Crankshaft
Cylinder Head
Cylinder Head Cover
Cylinder/Piston(s)
Decals(C7F-C9F)
Decals(C7F/C8F)
Engine Cover(s)
Engine Mount
Fenders
Footrests
Frame
Frame Fittings
Front Brake
Front Fork
Front Hub
Front Master Cylinder
Front Wheel
Fuel Evaporative System(CA)
Fuel Injection
Fuel Pump
Fuel Tank
Fuel Tank(C8F)
Gear Change Drum/Shift Fork(s)
Gear Change Mechanism
Generator
Handlebar
Headlight(s)
Headlight(s)(UK)
Headlight(s)(WV)
Ignition Switch
Ignition Switch/Locks/Reflectors
Ignition System
Labels
Manual
Meter(s)
Muffler(s)
Oil Filter
Oil Pump
Owner's Tools
Radiator
Rear Brake
Rear Hub
Rear Master Cylinder
Rear Wheel/Chain
Seat
Side Covers/Chain Cover
Stand(s)
Starter Motor
Suspension/Shock Absorber
Swingarm
Taillight(s)
Throttle(C8F-C9FA)
Throttle(C8F/C9FA)
Tires
Transmission
Turn Signals
Valve(s)
Water Pipe
Water Pump
VIEW WISH LIST