Columbia, SC
|
Give Us a Call
(803) 750-7050
|
EST. 1976
|
Toggle navigation
Home
Brands
Manufacturer Models
OEM Promotions
Can-Am
Sea-Doo
CFMoto
SSR Motorsports
Yamaha
Kawasaki
Suzuki
Inventory
All Inventory In Stock
New Inventory In Stock
Pre-Owned Inventory
SxS
ATVs
PTVs
Motorcycles
3-Wheel
Personal Watercraft
Scooters
Pontoons
Value Your Trade-In
Request a Model
Secure Financing
Featured Specials
Parts
Parts Department
Parts Finder
Service
Service Department
Warranty & Recall Look-Up
Shop
Parts Finder
Shopping Cart
Financing
About
Our Dealership
Employment
Reviews
Customer Survey
Location & Hours
Contact
Fiche | Parts Diagrams
Home
›
Parts
›
Parts Finder
Search by :
Part / Desc
VIN
Please Select
Can-Am
CFMOTO
Kawasaki
Sea-Doo
Suzuki
Yamaha
*Please enter at least 3 characters
SEARCH
Manufacturer
Kawasaki
Motorcycles
2009
Concours™ 14 (ZG1400B9F)
VIEW WISH LIST
Select a Section
Show/Hide
Accessory
Air Cleaner
Balancer
Battery Case
Brake Pedal/Torque Link
Cables
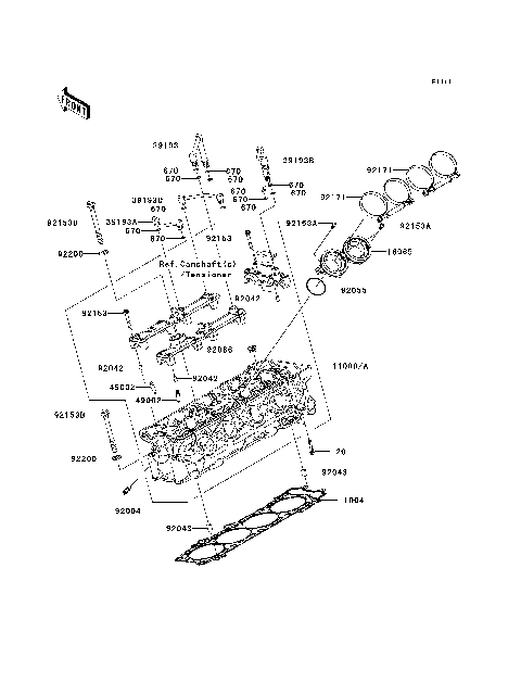
Camshaft(s)/Tensioner
Chassis Electrical Equipment(B9F)
Clutch
Clutch Master Cylinder
Cowling Lowers
Cowling(Center)
Cowling(Upper)
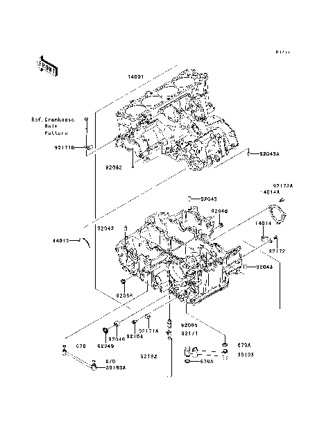
Crankcase
Crankcase Bolt Pattern
Crankshaft/Piston(s)
Cylinder Head
Cylinder Head Cover
Decals
Drive Shaft/Final Gear
Engine Cover(s)
Engine Mount
Footrests
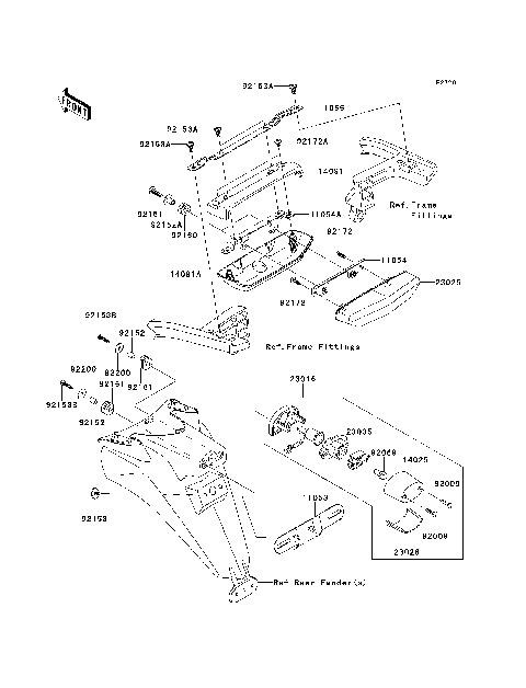
Frame
Frame Fittings
Front Bevel Gear
Front Brake
Front Fender(s)
Front Fork(-JKBZGNB1 9A011504)
Front Fork(JKBZGNB1 9A011505-)
Front Master Cylinder
Front Wheel
Fuel Evaporative System(CA)
Fuel Injection
Fuel Pump
Fuel Tank
Gear Change Drum/Shift Fork(s)
Gear Change Mechanism
Generator
Handlebar
Headlight(s)
Ignition Switch/Locks/Reflectors
Ignition System
Labels
Meter(s)
Muffler(s)
Oil Cooler
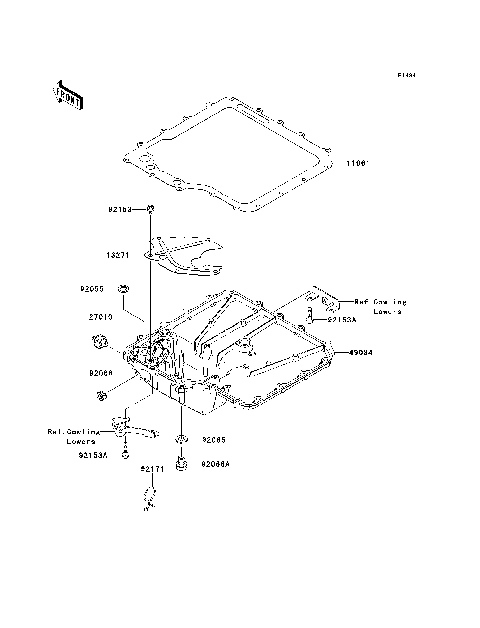
Oil Pan
Oil Pump/Oil Filter
Owner's Tools
Radiator
Rear Brake
Rear Fender(s)
Rear Master Cylinder
Rear Suspension
Rear Wheel/Chain
Reflectors
Seat
Shock Absorber(s)
Side Covers
Stand(s)
Starter Motor
Swingarm
Taillight(s)
Throttle
Tires
Transmission
Turn Signals
Valve(s)
Water Pipe
Windshield
Accessory
Air Cleaner
Balancer
Battery Case
Brake Pedal/Torque Link
Cables
Camshaft(s)/Tensioner
Chassis Electrical Equipment(B9F)
Clutch
Clutch Master Cylinder
Cowling Lowers
Cowling(Center)
Cowling(Upper)
Crankcase
Crankcase Bolt Pattern
Crankshaft/Piston(s)
Cylinder Head
Cylinder Head Cover
Decals
Drive Shaft/Final Gear
Engine Cover(s)
Engine Mount
Footrests
Frame
Frame Fittings
Front Bevel Gear
Front Brake
Front Fender(s)
Front Fork(-JKBZGNB1 9A011504)
Front Fork(JKBZGNB1 9A011505-)
Front Master Cylinder
Front Wheel
Fuel Evaporative System(CA)
Fuel Injection
Fuel Pump
Fuel Tank
Gear Change Drum/Shift Fork(s)
Gear Change Mechanism
Generator
Handlebar
Headlight(s)
Ignition Switch/Locks/Reflectors
Ignition System
Labels
Meter(s)
Muffler(s)
Oil Cooler
Oil Pan
Oil Pump/Oil Filter
Owner's Tools
Radiator
Rear Brake
Rear Fender(s)
Rear Master Cylinder
Rear Suspension
Rear Wheel/Chain
Reflectors
Seat
Shock Absorber(s)
Side Covers
Stand(s)
Starter Motor
Swingarm
Taillight(s)
Throttle
Tires
Transmission
Turn Signals
Valve(s)
Water Pipe
Windshield
VIEW WISH LIST