Columbia, SC
|
Give Us a Call
(803) 750-7050
|
EST. 1976
|
Toggle navigation
Home
Brands
Manufacturer Models
OEM Promotions
Can-Am
Sea-Doo
CFMoto
SSR Motorsports
Yamaha
Kawasaki
Suzuki
Inventory
All Inventory In Stock
New Inventory In Stock
Pre-Owned Inventory
SxS
ATVs
PTVs
Motorcycles
3-Wheel
Personal Watercraft
Scooters
Pontoons
Value Your Trade-In
Request a Model
Secure Financing
Featured Specials
Parts
Parts Department
Parts Finder
Service
Service Department
Warranty & Recall Look-Up
Shop
Parts Finder
Shopping Cart
Financing
About
Our Dealership
Employment
Reviews
Customer Survey
Location & Hours
Contact
Fiche | Parts Diagrams
Home
›
Parts
›
Parts Finder
Search by :
Part / Desc
VIN
Please Select
Can-Am
CFMOTO
Kawasaki
Sea-Doo
Suzuki
Yamaha
*Please enter at least 3 characters
SEARCH
Manufacturer
Kawasaki
Motorcycles
2010
Vulcan® 900 Classic (VN900BAF)
VIEW WISH LIST
Select a Section
Show/Hide
Air Cleaner
Brake Pedal/Torque Link
Cables
Camshaft(s)/Tensioner
Chassis Electrical Equipment
Clutch
Crankcase
Crankcase Bolt Pattern
Crankshaft
Cylinder Head
Cylinder Head Cover
Cylinder/Piston(s)
Decals(BAF)
Engine Cover(s)
Engine Mount
Fenders(JKAVN2B1 7A016370-)
Footrests
Frame
Frame Fittings
Front Brake
Front Fork(JKAVN2B1 7A015509-)
Front Master Cylinder
Front Wheel
Fuel Evaporative System(CA)
Fuel Injection
Fuel Pump
Fuel Tank(4/4)(B8F-BAF)
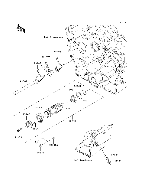
Gear Change Drum/Shift Fork(s)
Gear Change Mechanism
Generator
Handlebar
Headlight(s)(B9F/BAF)
Ignition Switch/Locks/Reflectors
Ignition System
Labels
Meter(s)
Muffler(s)
Oil Filter
Oil Pump
Owner's Tools(BAF)
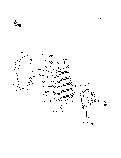
Radiator
Rear Brake
Rear Master Cylinder
Rear Wheel/Chain
Seat
Side Covers/Chain Cover(BAF)
Stand(s)
Starter Motor
Suspension/Shock Absorber
Swingarm
Taillight(s)(JKAVN2B1 7A016370-)
Throttle(B8F-BAF)
Tires
Transmission
Turn Signals(JKAVN2B1 7A016370-)
Valve(s)
Water Pipe
Water Pump
Air Cleaner
Brake Pedal/Torque Link
Cables
Camshaft(s)/Tensioner
Chassis Electrical Equipment
Clutch
Crankcase
Crankcase Bolt Pattern
Crankshaft
Cylinder Head
Cylinder Head Cover
Cylinder/Piston(s)
Decals(BAF)
Engine Cover(s)
Engine Mount
Fenders(JKAVN2B1 7A016370-)
Footrests
Frame
Frame Fittings
Front Brake
Front Fork(JKAVN2B1 7A015509-)
Front Master Cylinder
Front Wheel
Fuel Evaporative System(CA)
Fuel Injection
Fuel Pump
Fuel Tank(4/4)(B8F-BAF)
Gear Change Drum/Shift Fork(s)
Gear Change Mechanism
Generator
Handlebar
Headlight(s)(B9F/BAF)
Ignition Switch/Locks/Reflectors
Ignition System
Labels
Meter(s)
Muffler(s)
Oil Filter
Oil Pump
Owner's Tools(BAF)
Radiator
Rear Brake
Rear Master Cylinder
Rear Wheel/Chain
Seat
Side Covers/Chain Cover(BAF)
Stand(s)
Starter Motor
Suspension/Shock Absorber
Swingarm
Taillight(s)(JKAVN2B1 7A016370-)
Throttle(B8F-BAF)
Tires
Transmission
Turn Signals(JKAVN2B1 7A016370-)
Valve(s)
Water Pipe
Water Pump
VIEW WISH LIST