Columbia, SC
|
Give Us a Call
(803) 750-7050
|
EST. 1976
|
Toggle navigation
Home
Brands
Manufacturer Models
OEM Promotions
Can-Am
Sea-Doo
CFMoto
SSR Motorsports
Yamaha
Kawasaki
Suzuki
Inventory
All Inventory In Stock
New Inventory In Stock
Pre-Owned Inventory
SxS
ATVs
PTVs
Motorcycles
3-Wheel
Personal Watercraft
Scooters
Pontoons
Value Your Trade-In
Request a Model
Secure Financing
Featured Specials
Parts
Parts Department
Parts Finder
Service
Service Department
Warranty & Recall Look-Up
Shop
Parts Finder
Shopping Cart
Financing
About
Our Dealership
Employment
Reviews
Customer Survey
Location & Hours
Contact
Fiche | Parts Diagrams
Home
›
Parts
›
Parts Finder
Search by :
Part / Desc
VIN
Please Select
Can-Am
CFMOTO
Kawasaki
Sea-Doo
Suzuki
Yamaha
*Please enter at least 3 characters
SEARCH
Manufacturer
Kawasaki
Motorcycles
2025
KLX150L (Indonesia Only) (KLX150KSFAN)
VIEW WISH LIST
Select a Section
Show/Hide
Air Cleaner
Brake Pedal
Cables
Camshaft(s)/Tensioner
Carburetor
Chassis Electrical Equipment
Clutch
Crankcase
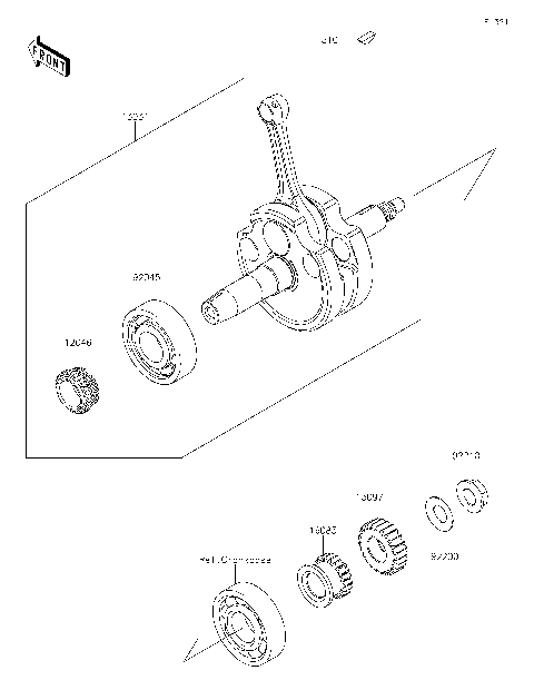
Crankshaft
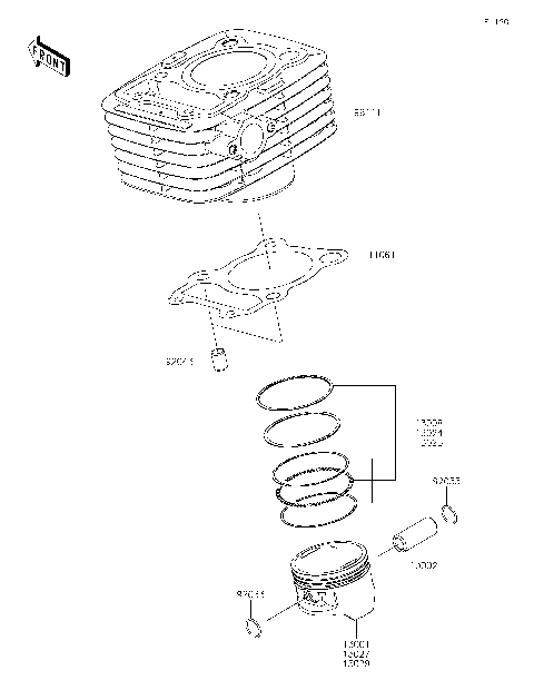
Cylinder Head
Cylinder/Piston(s)
Decals(Blue)(KRAAN)
Decals(N.Green)(KRAAN)
Decals(Orange)(KRAAN)
Decals(Yellow)(KRAAN)
Engine Cover(s)
Engine Mount
Footrests
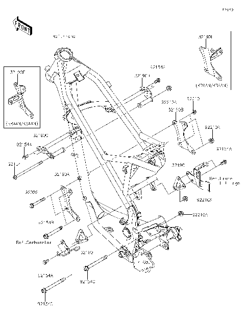
Frame
Front Brake
Front Fender(s)
Front Fork
Front Hub
Front Master Cylinder
Fuel Tank
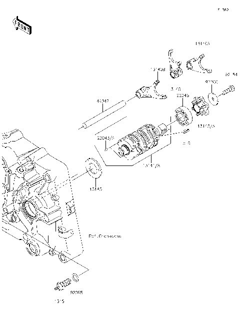
Gear Change Drum/Shift Fork(s)
Gear Change Mechanism
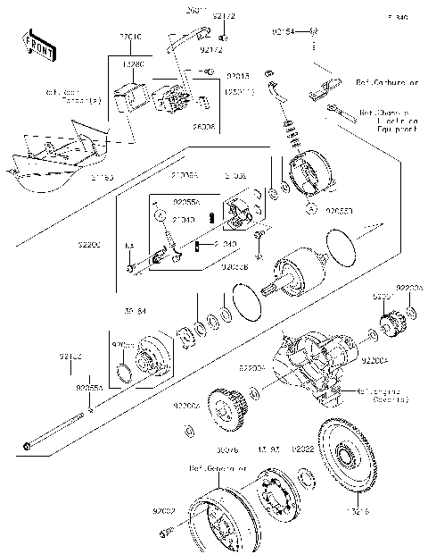
Generator
Headlight(s)
Ignition Switch
Ignition System
Kickstarter Mechanism
Labels
Meter(s)
Muffler(s)
Oil Pump
Owner's Tools
Rear Brake
Rear Fender(s)
Rear Hub
Rear Master Cylinder
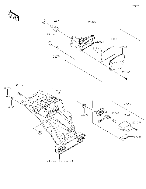
Seat
Side Covers/Chain Cover
Stand(s)
Starter Motor
Suspension/Shock Absorber
Swingarm
Taillight(s)
Tires
Transmission
Turn Signals
Valve(s)
Air Cleaner
Brake Pedal
Cables
Camshaft(s)/Tensioner
Carburetor
Chassis Electrical Equipment
Clutch
Crankcase
Crankshaft
Cylinder Head
Cylinder/Piston(s)
Decals(Blue)(KRAAN)
Decals(N.Green)(KRAAN)
Decals(Orange)(KRAAN)
Decals(Yellow)(KRAAN)
Engine Cover(s)
Engine Mount
Footrests
Frame
Front Brake
Front Fender(s)
Front Fork
Front Hub
Front Master Cylinder
Fuel Tank
Gear Change Drum/Shift Fork(s)
Gear Change Mechanism
Generator
Headlight(s)
Ignition Switch
Ignition System
Kickstarter Mechanism
Labels
Meter(s)
Muffler(s)
Oil Pump
Owner's Tools
Rear Brake
Rear Fender(s)
Rear Hub
Rear Master Cylinder
Seat
Side Covers/Chain Cover
Stand(s)
Starter Motor
Suspension/Shock Absorber
Swingarm
Taillight(s)
Tires
Transmission
Turn Signals
Valve(s)
VIEW WISH LIST