Columbia, SC
|
Give Us a Call
(803) 750-7050
|
EST. 1976
|
Toggle navigation
Home
Brands
Manufacturer Models
OEM Promotions
Can-Am
Sea-Doo
CFMoto
SSR Motorsports
Yamaha
Kawasaki
Suzuki
Inventory
All Inventory In Stock
New Inventory In Stock
Pre-Owned Inventory
SxS
ATVs
PTVs
Motorcycles
3-Wheel
Personal Watercraft
Scooters
Pontoons
Value Your Trade-In
Request a Model
Secure Financing
Featured Specials
Parts
Parts Department
Parts Finder
Service
Service Department
Warranty & Recall Look-Up
Shop
Parts Finder
Shopping Cart
Financing
About
Our Dealership
Employment
Reviews
Customer Survey
Location & Hours
Contact
Fiche | Parts Diagrams
Home
›
Parts
›
Parts Finder
Search by :
Part / Desc
VIN
Please Select
Can-Am
CFMOTO
Kawasaki
Sea-Doo
Suzuki
Yamaha
*Please enter at least 3 characters
SEARCH
Manufacturer
Kawasaki
Utility Vehicles
2009
Mule 4000 (KAF620P9F)
VIEW WISH LIST
Select a Section
Show/Hide
Air Cleaner(P9F/PAF)
Air Cleaner-Belt Converter(P9F/PAF)
Brake Pedal/Throttle Lever
Brake Piping
Cables
Carrier(s)
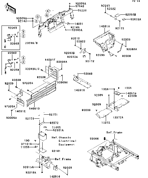
Chassis Electrical Equipment(P9F-PBF)
Control
Converter Cover
Crankcase
Crankshaft/Piston(s)
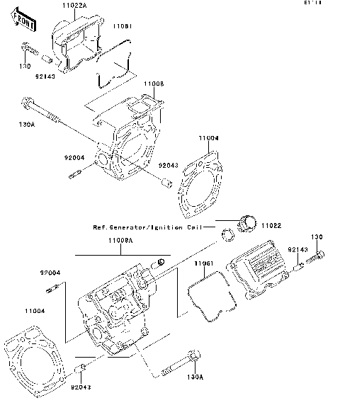
Cylinder Head
Decals
Differential
Drive Converter
Drive Shaft-Rear
Driven Converter/Drive Belt
Engine Mount
Fenders(P9F-PBF)
Flap
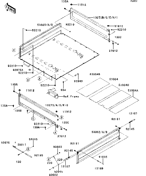
Frame
Frame Fittings(P9F-PBF)
Front Box
Front Fender(s)(P9F-PBF)
Front Hubs/Brakes
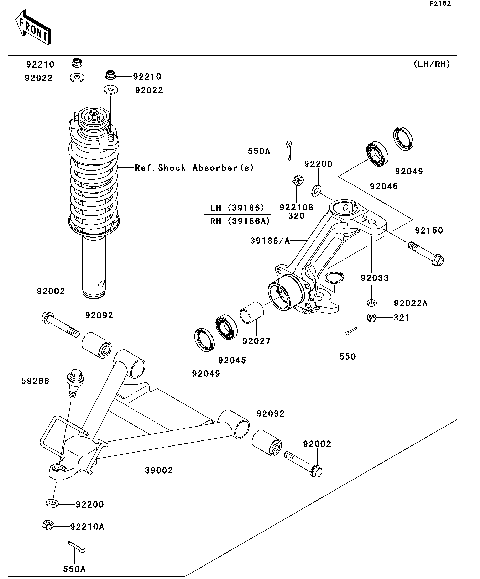
Front Suspension
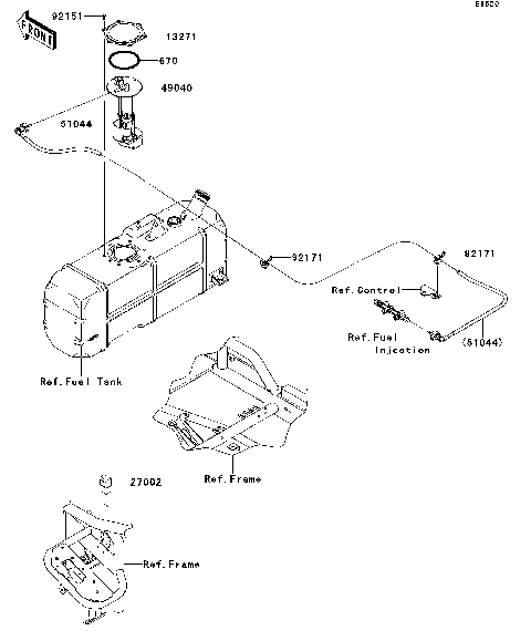
Fuel Evaporative System(P9F/PAF)
Fuel Injection
Fuel Pump(P9F-PCF)
Fuel Tank(P9F/PAF)
Gear Box
Gear Change Mechanism
Generator/Ignition Coil
Guards/Cab Frame
Headlight(s)
Ignition Switch(P9F-PCF)
Labels
Master Cylinder
Muffler(s)
Oil Pump/Oil Filter
Radiator
Rear Fender(s)
Rear Hubs/Brakes
Rear Suspension
Seat(P9F/PAF)
Shift Lever(s)
Shock Absorber(s)
Side Covers/Chain Cover
Starter Motor(-FD620DE485832)
Starter Motor(FD620DE485833-)
Steering Wheel(P9F-PCF)
Taillight(s)
Throttle
Transmission
Valve(s)/Camshaft(s)
Water Pump
Wheels/Tires
Air Cleaner(P9F/PAF)
Air Cleaner-Belt Converter(P9F/PAF)
Brake Pedal/Throttle Lever
Brake Piping
Cables
Carrier(s)
Chassis Electrical Equipment(P9F-PBF)
Control
Converter Cover
Crankcase
Crankshaft/Piston(s)
Cylinder Head
Decals
Differential
Drive Converter
Drive Shaft-Rear
Driven Converter/Drive Belt
Engine Mount
Fenders(P9F-PBF)
Flap
Frame
Frame Fittings(P9F-PBF)
Front Box
Front Fender(s)(P9F-PBF)
Front Hubs/Brakes
Front Suspension
Fuel Evaporative System(P9F/PAF)
Fuel Injection
Fuel Pump(P9F-PCF)
Fuel Tank(P9F/PAF)
Gear Box
Gear Change Mechanism
Generator/Ignition Coil
Guards/Cab Frame
Headlight(s)
Ignition Switch(P9F-PCF)
Labels
Master Cylinder
Muffler(s)
Oil Pump/Oil Filter
Radiator
Rear Fender(s)
Rear Hubs/Brakes
Rear Suspension
Seat(P9F/PAF)
Shift Lever(s)
Shock Absorber(s)
Side Covers/Chain Cover
Starter Motor(-FD620DE485832)
Starter Motor(FD620DE485833-)
Steering Wheel(P9F-PCF)
Taillight(s)
Throttle
Transmission
Valve(s)/Camshaft(s)
Water Pump
Wheels/Tires
VIEW WISH LIST