Columbia, SC
|
Give Us a Call
(803) 750-7050
|
EST. 1976
|
Toggle navigation
Home
Brands
Manufacturer Models
OEM Promotions
Can-Am
Sea-Doo
CFMoto
SSR Motorsports
Yamaha
Kawasaki
Suzuki
Inventory
All Inventory In Stock
New Inventory In Stock
Pre-Owned Inventory
SxS
ATVs
PTVs
Motorcycles
3-Wheel
Personal Watercraft
Scooters
Pontoons
Value Your Trade-In
Request a Model
Secure Financing
Featured Specials
Parts
Parts Department
Parts Finder
Service
Service Department
Warranty & Recall Look-Up
Shop
Parts Finder
Shopping Cart
Financing
About
Our Dealership
Employment
Reviews
Customer Survey
Location & Hours
Contact
Fiche | Parts Diagrams
Home
›
Parts
›
Parts Finder
Search by :
Part / Desc
VIN
Please Select
Can-Am
CFMOTO
Kawasaki
Sea-Doo
Suzuki
Yamaha
*Please enter at least 3 characters
SEARCH
Manufacturer
Kawasaki
Utility Vehicles
2014
MULE™ 610 4x4 XC (KAF400DEF)
VIEW WISH LIST
Select a Section
Show/Hide
Air Cleaner
Air Cleaner-Belt Converter
Brake Pedal/Throttle Lever
Cables
Carburetor
Carrier(s)
Chassis Electrical Equipment
Control
Converter Cover
Cooling
Crankcase
Crankshaft/Piston(s)
Cylinder Head
Decals(Black)(DEF)
Differential
Drive Converter
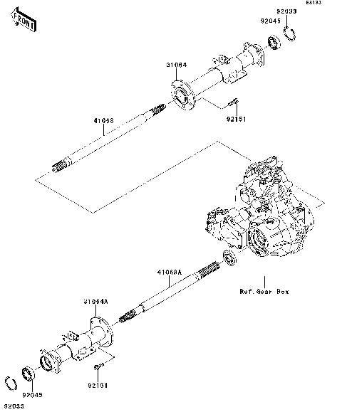
Drive Shaft-Front
Drive Shaft-Propeller
Driven Converter/Drive Belt
Engine Mount
Fenders
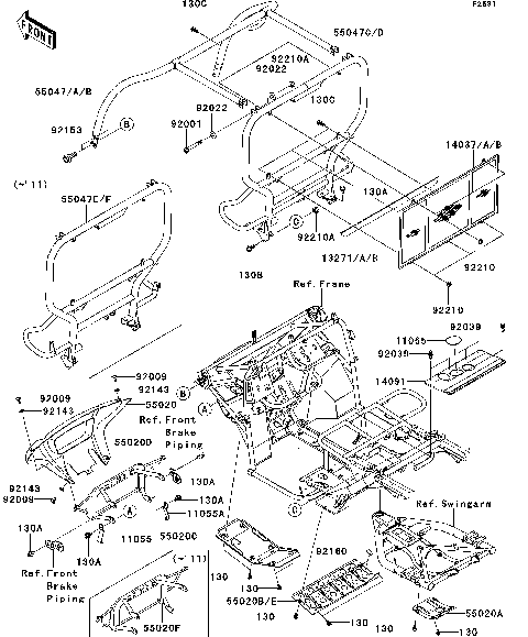
Frame
Frame Fittings(Front)
Frame Fittings(Rear)
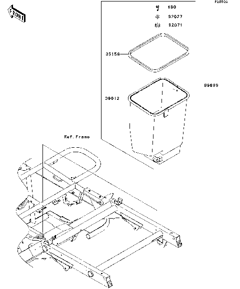
Front Box
Front Brake Piping
Front Fender(s)
Front Hubs/Brakes
Fuel Evaporative System(DCF-DEF)
Fuel Pump
Fuel Tank
Gear Box
Gear Change Mechanism
Generator/Ignition Coil
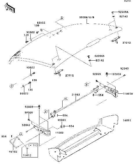
Guards/Cab Frame
Headlight(s)
Ignition Switch
Labels
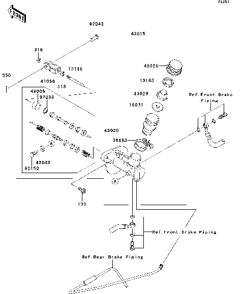
Master Cylinder
Muffler(s)
Oil Pump/Oil Filter
Optional Parts(Engine)
Optional Parts(Frame)
Rear Axle
Rear Brake Piping
Rear Fender(s)
Rear Hubs/Brakes
Reflectors
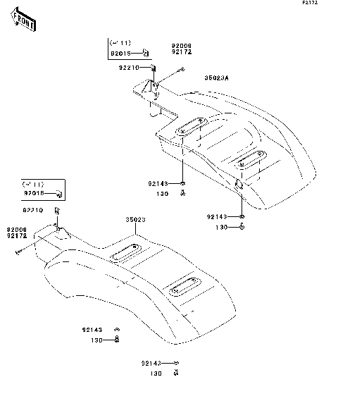
Seat
Shift Lever(s)
Shock Absorber(s)
Starter Motor
Steering Wheel
Suspension
Swingarm
Taillight(s)
Transmission
Valve(s)/Camshaft(s)
Wheels/Tires
Air Cleaner
Air Cleaner-Belt Converter
Brake Pedal/Throttle Lever
Cables
Carburetor
Carrier(s)
Chassis Electrical Equipment
Control
Converter Cover
Cooling
Crankcase
Crankshaft/Piston(s)
Cylinder Head
Decals(Black)(DEF)
Differential
Drive Converter
Drive Shaft-Front
Drive Shaft-Propeller
Driven Converter/Drive Belt
Engine Mount
Fenders
Frame
Frame Fittings(Front)
Frame Fittings(Rear)
Front Box
Front Brake Piping
Front Fender(s)
Front Hubs/Brakes
Fuel Evaporative System(DCF-DEF)
Fuel Pump
Fuel Tank
Gear Box
Gear Change Mechanism
Generator/Ignition Coil
Guards/Cab Frame
Headlight(s)
Ignition Switch
Labels
Master Cylinder
Muffler(s)
Oil Pump/Oil Filter
Optional Parts(Engine)
Optional Parts(Frame)
Rear Axle
Rear Brake Piping
Rear Fender(s)
Rear Hubs/Brakes
Reflectors
Seat
Shift Lever(s)
Shock Absorber(s)
Starter Motor
Steering Wheel
Suspension
Swingarm
Taillight(s)
Transmission
Valve(s)/Camshaft(s)
Wheels/Tires
VIEW WISH LIST