Columbia, SC
|
Give Us a Call
(803) 750-7050
|
EST. 1976
|
Toggle navigation
Home
Brands
Manufacturer Models
OEM Promotions
Can-Am
Sea-Doo
CFMoto
SSR Motorsports
Yamaha
Kawasaki
Suzuki
Inventory
All Inventory In Stock
New Inventory In Stock
Pre-Owned Inventory
SxS
ATVs
PTVs
Motorcycles
3-Wheel
Personal Watercraft
Scooters
Pontoons
Value Your Trade-In
Request a Model
Secure Financing
Featured Specials
Parts
Parts Department
Parts Finder
Service
Service Department
Warranty & Recall Look-Up
Shop
Parts Finder
Shopping Cart
Financing
About
Our Dealership
Employment
Reviews
Customer Survey
Location & Hours
Contact
Fiche | Parts Diagrams
Home
›
Parts
›
Parts Finder
Search by :
Part / Desc
VIN
Please Select
Can-Am
CFMOTO
Kawasaki
Sea-Doo
Suzuki
Yamaha
*Please enter at least 3 characters
SEARCH
Manufacturer
Kawasaki
Utility Vehicles
2022
MULE PRO-FXT™ (KAT820BNFNL)
VIEW WISH LIST
Select a Section
Show/Hide
Air Cleaner
Air Cleaner-Belt Converter
Brake Pedal/Throttle Lever
Cables
Carrier(s)
Chassis Electrical Equipment
Control
Converter Cover
Crankcase
Crankshaft/Piston(s)
Cylinder Head
Cylinder Head Cover
Decals(Green)
Decals(White)
Door
Drive Converter
Drive Shaft-Front
Drive Shaft-Propeller
Drive Shaft-Rear
Driven Converter/Drive Belt
Engine Mount
Frame Fittings(Front)
Frame Fittings(Rear)
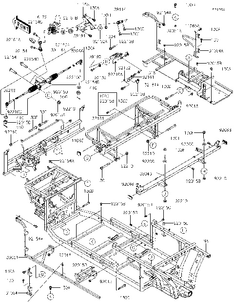
Frame(BNFNN/BNFNL)
Frame(BPFNN/BPFNL)
Front Box
Front Brake
Front Fender(s)
Front Hubs/Brakes
Front Suspension
Fuel Evaporative System(CA)
Fuel Injection
Fuel Pump
Fuel Tank
Gear Box
Gear Change Mechanism
Guard(s)
Guards/Cab Frame
Headlight(s)
Ignition Switch
Ignition System
Labels
Master Cylinder
Meter(s)
Muffler(s)
Oil Pump/Oil Filter
Optional Parts
Other
Radiator
Rear Brake
Rear Hubs/Brakes
Rear Suspension
Seat
Shock Absorber(s)
Starter Motor
Steering Wheel
Taillight(s)
Timing Belt
Transmission
Valve(s)/Camshaft(s)
Water Pump
Wheels/Tires
Air Cleaner
Air Cleaner-Belt Converter
Brake Pedal/Throttle Lever
Cables
Carrier(s)
Chassis Electrical Equipment
Control
Converter Cover
Crankcase
Crankshaft/Piston(s)
Cylinder Head
Cylinder Head Cover
Decals(Green)
Decals(White)
Door
Drive Converter
Drive Shaft-Front
Drive Shaft-Propeller
Drive Shaft-Rear
Driven Converter/Drive Belt
Engine Mount
Frame Fittings(Front)
Frame Fittings(Rear)
Frame(BNFNN/BNFNL)
Frame(BPFNN/BPFNL)
Front Box
Front Brake
Front Fender(s)
Front Hubs/Brakes
Front Suspension
Fuel Evaporative System(CA)
Fuel Injection
Fuel Pump
Fuel Tank
Gear Box
Gear Change Mechanism
Guard(s)
Guards/Cab Frame
Headlight(s)
Ignition Switch
Ignition System
Labels
Master Cylinder
Meter(s)
Muffler(s)
Oil Pump/Oil Filter
Optional Parts
Other
Radiator
Rear Brake
Rear Hubs/Brakes
Rear Suspension
Seat
Shock Absorber(s)
Starter Motor
Steering Wheel
Taillight(s)
Timing Belt
Transmission
Valve(s)/Camshaft(s)
Water Pump
Wheels/Tires
VIEW WISH LIST