Columbia, SC
|
Give Us a Call
(803) 750-7050
|
EST. 1976
|
Toggle navigation
Home
Brands
Manufacturer Models
OEM Promotions
Can-Am
Sea-Doo
CFMoto
SSR Motorsports
Yamaha
Kawasaki
Suzuki
Inventory
All Inventory In Stock
New Inventory In Stock
Pre-Owned Inventory
SxS
ATVs
PTVs
Motorcycles
3-Wheel
Personal Watercraft
Scooters
Pontoons
Value Your Trade-In
Request a Model
Secure Financing
Featured Specials
Parts
Parts Department
Parts Finder
Service
Service Department
Warranty & Recall Look-Up
Shop
Parts Finder
Shopping Cart
Financing
About
Our Dealership
Employment
Reviews
Customer Survey
Location & Hours
Contact
Fiche | Parts Diagrams
Home
›
Parts
›
Parts Finder
Search by :
Part / Desc
VIN
Please Select
Can-Am
CFMOTO
Kawasaki
Sea-Doo
Suzuki
Yamaha
*Please enter at least 3 characters
SEARCH
Manufacturer
Kawasaki
Utility Vehicles
2022
TERYX® S LE (KRF800JNFNN)
VIEW WISH LIST
Select a Section
Show/Hide
Air Cleaner
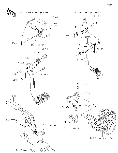
Brake Pedal/Throttle Lever
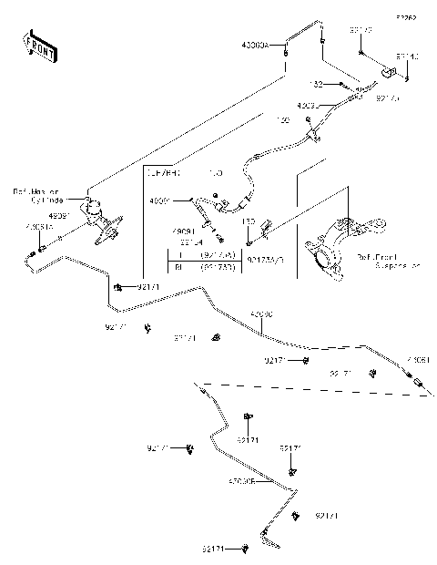
Brake Piping
Cables
Camshaft(s)/Tensioner
Carrier(s)
Chassis Electrical Equipment
Clutch
Control
Converter Cover
Crankcase
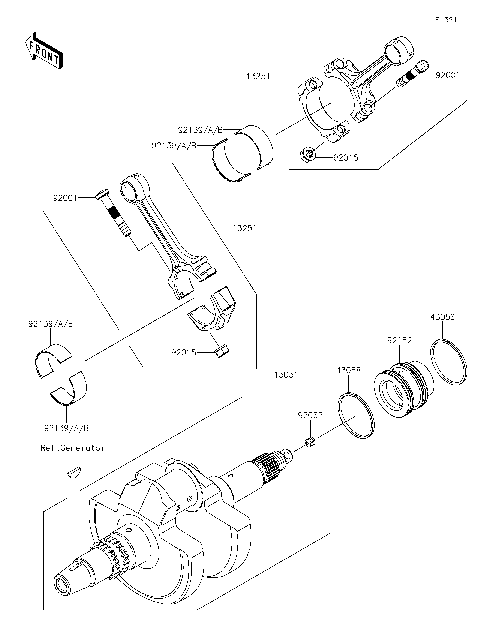
Crankshaft
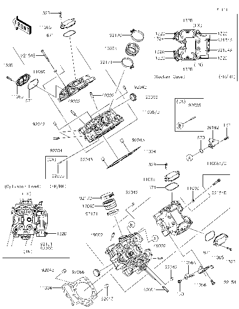
Cylinder Head
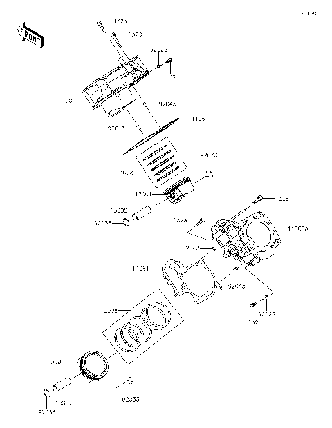
Cylinder/Piston(s)
Decals(Green)(JNFNN/JNFNL)
Decals(Red)(JNFNN/JNFNL)
Door
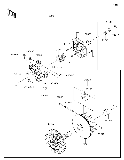
Drive Converter
Drive Shaft-Front
Drive Shaft-Propeller
Drive Shaft-Rear
Driven Converter/Drive Belt
Engine Cover(s)
Engine Mount
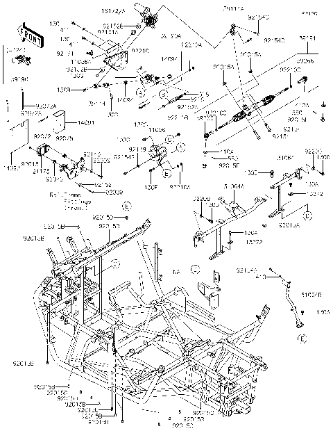
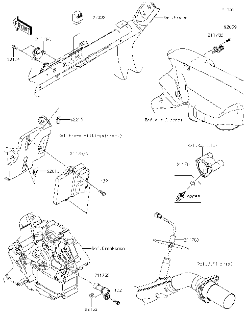
Frame
Frame Fittings(Front)
Frame Fittings(Rear)
Front Bevel Gear
Front Box
Front Brake
Front Fender(s)
Front Hubs/Brakes
Front Suspension
Fuel Evaporative System(CA)
Fuel Injection
Fuel Pump
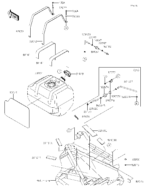
Fuel Tank
Gear Change Drum/Shift Fork(s)
Gear Change Mechanism
Generator
Guard(s)
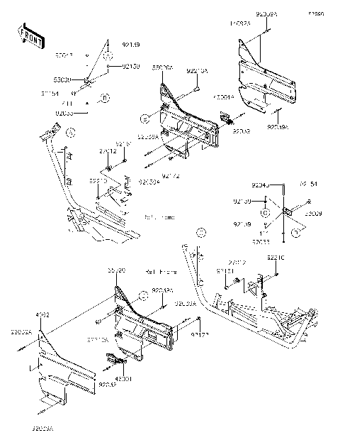
Guards/Cab Frame
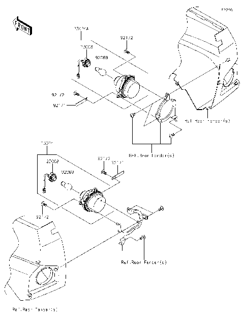
Headlight(s)
Ignition Switch
Ignition System
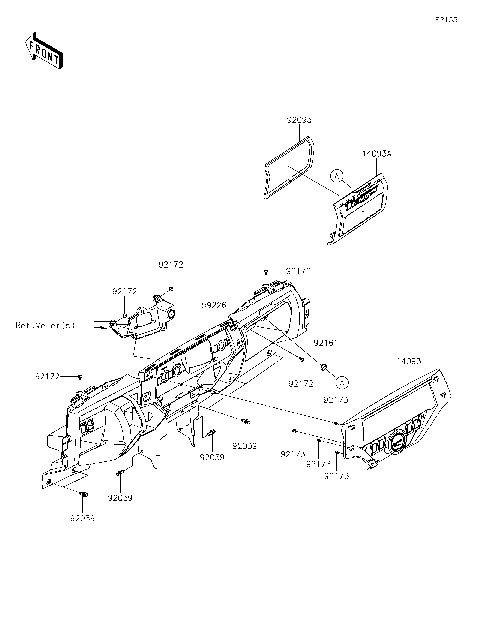
Labels
Master Cylinder
Meter(s)
Muffler(s)
Oil Pump/Oil Filter
Radiator
Rear Fender(s)
Rear Hubs/Brakes
Rear Suspension
Reflectors(CN)
Seat
Shock Absorber(s)
Starter Motor
Steering Wheel
Sun Top
Taillight(s)
Throttle
Transmission
Valve(s)
Wheels/Tires
Air Cleaner
Brake Pedal/Throttle Lever
Brake Piping
Cables
Camshaft(s)/Tensioner
Carrier(s)
Chassis Electrical Equipment
Clutch
Control
Converter Cover
Crankcase
Crankshaft
Cylinder Head
Cylinder/Piston(s)
Decals(Green)(JNFNN/JNFNL)
Decals(Red)(JNFNN/JNFNL)
Door
Drive Converter
Drive Shaft-Front
Drive Shaft-Propeller
Drive Shaft-Rear
Driven Converter/Drive Belt
Engine Cover(s)
Engine Mount
Frame
Frame Fittings(Front)
Frame Fittings(Rear)
Front Bevel Gear
Front Box
Front Brake
Front Fender(s)
Front Hubs/Brakes
Front Suspension
Fuel Evaporative System(CA)
Fuel Injection
Fuel Pump
Fuel Tank
Gear Change Drum/Shift Fork(s)
Gear Change Mechanism
Generator
Guard(s)
Guards/Cab Frame
Headlight(s)
Ignition Switch
Ignition System
Labels
Master Cylinder
Meter(s)
Muffler(s)
Oil Pump/Oil Filter
Radiator
Rear Fender(s)
Rear Hubs/Brakes
Rear Suspension
Reflectors(CN)
Seat
Shock Absorber(s)
Starter Motor
Steering Wheel
Sun Top
Taillight(s)
Throttle
Transmission
Valve(s)
Wheels/Tires
VIEW WISH LIST