Columbia, SC
|
Give Us a Call
(803) 750-7050
|
EST. 1976
|
Toggle navigation
Home
Brands
Manufacturer Models
OEM Promotions
Can-Am
Sea-Doo
CFMoto
SSR Motorsports
Yamaha
Kawasaki
Suzuki
Inventory
All Inventory In Stock
New Inventory In Stock
Pre-Owned Inventory
SxS
ATVs
PTVs
Motorcycles
3-Wheel
Personal Watercraft
Scooters
Pontoons
Value Your Trade-In
Request a Model
Secure Financing
Featured Specials
Parts
Parts Department
Parts Finder
Service
Service Department
Warranty & Recall Look-Up
Shop
Parts Finder
Shopping Cart
Financing
About
Our Dealership
Employment
Reviews
Customer Survey
Location & Hours
Contact
Fiche | Parts Diagrams
Home
›
Parts
›
Parts Finder
Search by :
Part / Desc
VIN
Please Select
Can-Am
CFMOTO
Kawasaki
Sea-Doo
Suzuki
Yamaha
*Please enter at least 3 characters
SEARCH
Manufacturer
Kawasaki
Utility Vehicles
2024
MULE PRO-FX™ 1000 HD Edition (KAF1000LRFNL)
VIEW WISH LIST
Select a Section
Show/Hide
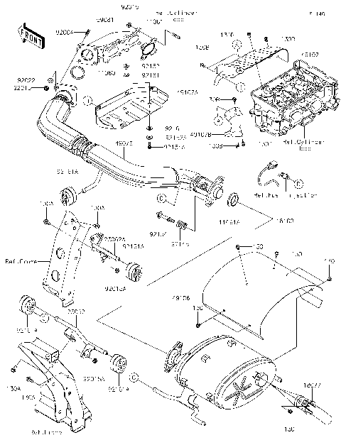
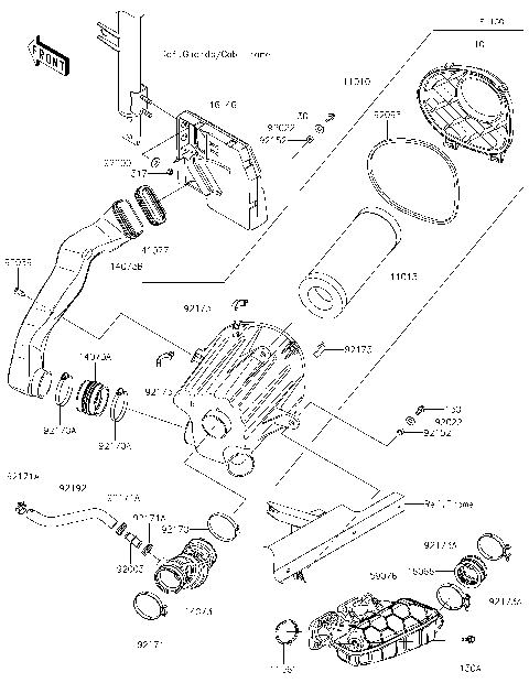
Air Cleaner
Air Cleaner-Belt Converter
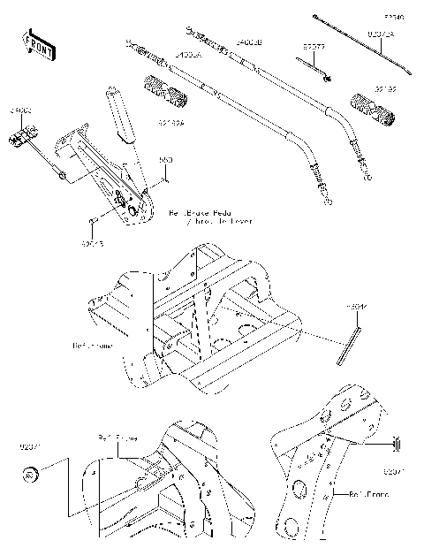
Brake Pedal/Throttle Lever
Cables
Camshaft(s)/Tensioner
Cargo Bed Lift
Cargo Box
Carrier(s)
Chassis Electrical Equipment
Control
Converter Cover
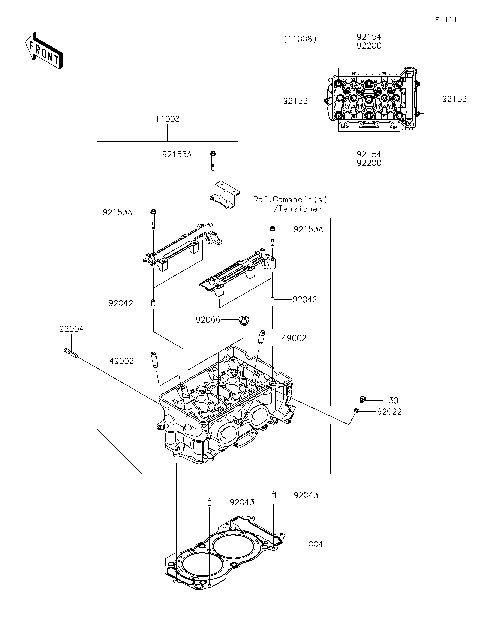
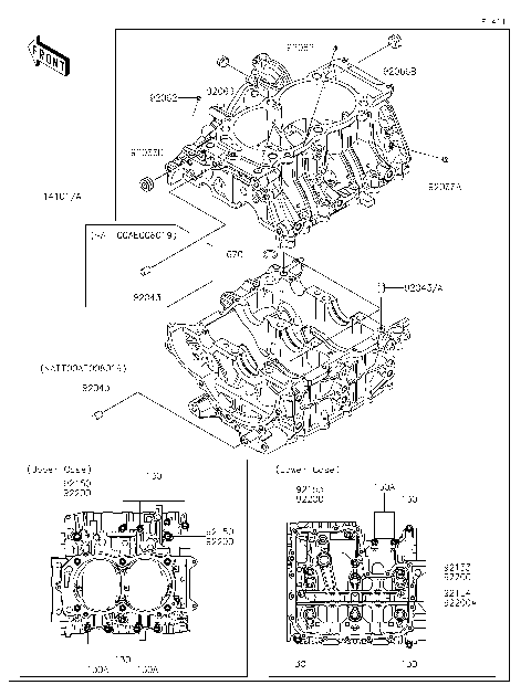
Crankcase
Crankshaft
Cylinder Head
Cylinder Head Cover
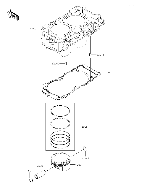
Cylinder/Piston(s)
Decals
Decals(LRFNN/LRFNL)
Door
Drive Converter
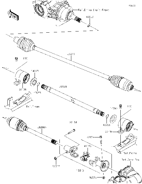
Drive Shaft-Front
Drive Shaft-Propeller
Drive Shaft-Rear
Driven Converter/Drive Belt
Engine Cover(s)
Engine Mount
Frame
Frame Fittings(Front)
Frame Fittings(Front)(LRFNN-LSSNL)
Frame Fittings(Rear)
Frame(LRFNN-LSSNL)
Front Box
Front Brake
Front Fender(s)
Front Hubs/Brakes
Front Suspension
Fuel Evaporative System(CA)
Fuel Injection
Fuel Pump
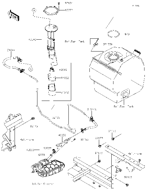
Fuel Tank
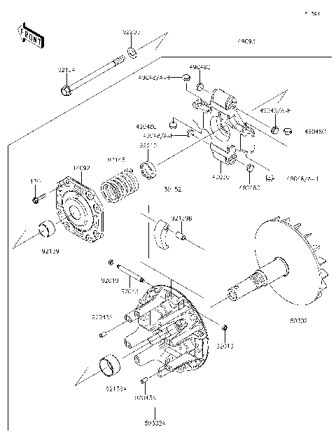
Gear Box
Gear Change Mechanism
Generator
Guard(s)
Guards/Cab Frame
Headlight(s)
Ignition Switch
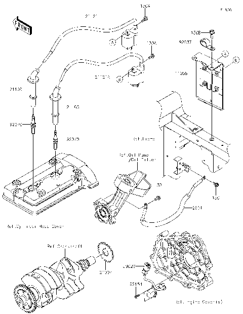
Ignition System
Labels
Master Cylinder
Meter(s)
Mirror
Muffler(s)
Oil Pan
Oil Pump/Oil Filter
Other
Other(LRFNN-LSSNL)
Radiator
Rear Brake
Rear Bumper
Rear Hubs/Brakes
Rear Suspension
Reflectors(CN)
Seat
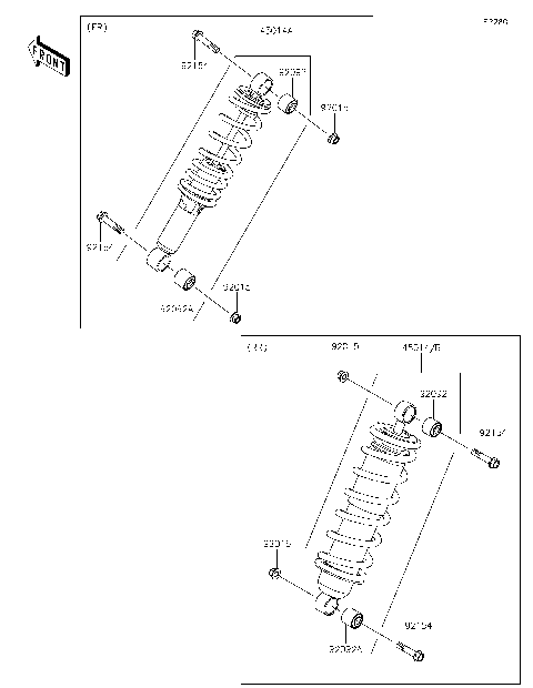
Shock Absorber(s)
Starter Motor
Steering Shaft
Steering Wheel
Sun Top
Taillight(s)
Throttle
Transmission
Valve(s)
Water Pump
Wheels/Tires
Air Cleaner
Air Cleaner-Belt Converter
Brake Pedal/Throttle Lever
Cables
Camshaft(s)/Tensioner
Cargo Bed Lift
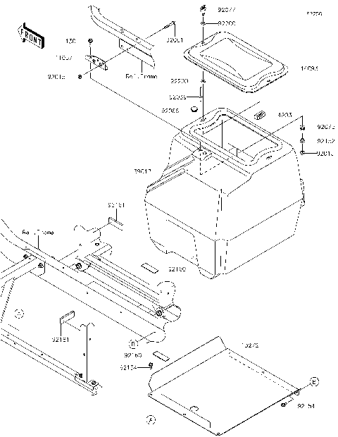
Cargo Box
Carrier(s)
Chassis Electrical Equipment
Control
Converter Cover
Crankcase
Crankshaft
Cylinder Head
Cylinder Head Cover
Cylinder/Piston(s)
Decals
Decals(LRFNN/LRFNL)
Door
Drive Converter
Drive Shaft-Front
Drive Shaft-Propeller
Drive Shaft-Rear
Driven Converter/Drive Belt
Engine Cover(s)
Engine Mount
Frame
Frame Fittings(Front)
Frame Fittings(Front)(LRFNN-LSSNL)
Frame Fittings(Rear)
Frame(LRFNN-LSSNL)
Front Box
Front Brake
Front Fender(s)
Front Hubs/Brakes
Front Suspension
Fuel Evaporative System(CA)
Fuel Injection
Fuel Pump
Fuel Tank
Gear Box
Gear Change Mechanism
Generator
Guard(s)
Guards/Cab Frame
Headlight(s)
Ignition Switch
Ignition System
Labels
Master Cylinder
Meter(s)
Mirror
Muffler(s)
Oil Pan
Oil Pump/Oil Filter
Other
Other(LRFNN-LSSNL)
Radiator
Rear Brake
Rear Bumper
Rear Hubs/Brakes
Rear Suspension
Reflectors(CN)
Seat
Shock Absorber(s)
Starter Motor
Steering Shaft
Steering Wheel
Sun Top
Taillight(s)
Throttle
Transmission
Valve(s)
Water Pump
Wheels/Tires
VIEW WISH LIST