Columbia, SC
|
Give Us a Call
(803) 750-7050
|
EST. 1976
|
Toggle navigation
Home
Brands
Manufacturer Models
OEM Promotions
Can-Am
Sea-Doo
CFMoto
SSR Motorsports
Yamaha
Kawasaki
Suzuki
Inventory
All Inventory In Stock
New Inventory In Stock
Pre-Owned Inventory
SxS
ATVs
PTVs
Motorcycles
3-Wheel
Personal Watercraft
Scooters
Pontoons
Value Your Trade-In
Request a Model
Secure Financing
Featured Specials
Parts
Parts Department
Parts Finder
Service
Service Department
Warranty & Recall Look-Up
Shop
Parts Finder
Shopping Cart
Financing
About
Our Dealership
Employment
Reviews
Customer Survey
Location & Hours
Contact
Fiche | Parts Diagrams
Home
›
Parts
›
Parts Finder
Search by :
Part / Desc
VIN
Please Select
Can-Am
CFMOTO
Kawasaki
Sea-Doo
Suzuki
Yamaha
*Please enter at least 3 characters
SEARCH
Manufacturer
Kawasaki
Watercraft
2009
Jet Ski® Ultra® 260LX (JT1500F9F)
VIEW WISH LIST
Select a Section
Show/Hide
Bilge System
Cables
Camshaft(s)/Tensioner
Cooling
Crankcase
Crankshaft
Cylinder Head
Cylinder Head Cover
Cylinder/Piston(s)
Decals(White)(F9F)
Drive Shaft
Electrical Equipment
Engine Cover(s)
Engine Mount
Fuel Injection
Fuel Pump
Fuel Tank
Generator
Handle Pole
Handlebar
Hull
Hull Front Fittings
Hull Middle Fittings
Hull Rear Fittings
Ignition System
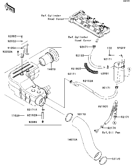
Intake Silencer
Inter Cooler
Jet Pump
Labels
Meters
Muffler(s)
Oil Pan
Oil Pump
Owner's Tools
Pads
Seat
Starter Motor
Super Charger(-US-KAW90605 09)
Super Charger(US-KAW90606 09-)
Throttle
Valve(s)
Bilge System
Cables
Camshaft(s)/Tensioner
Cooling
Crankcase
Crankshaft
Cylinder Head
Cylinder Head Cover
Cylinder/Piston(s)
Decals(White)(F9F)
Drive Shaft
Electrical Equipment
Engine Cover(s)
Engine Mount
Fuel Injection
Fuel Pump
Fuel Tank
Generator
Handle Pole
Handlebar
Hull
Hull Front Fittings
Hull Middle Fittings
Hull Rear Fittings
Ignition System
Intake Silencer
Inter Cooler
Jet Pump
Labels
Meters
Muffler(s)
Oil Pan
Oil Pump
Owner's Tools
Pads
Seat
Starter Motor
Super Charger(-US-KAW90605 09)
Super Charger(US-KAW90606 09-)
Throttle
Valve(s)
VIEW WISH LIST