Columbia, SC
|
Give Us a Call
(803) 750-7050
|
EST. 1976
|
Toggle navigation
Home
Brands
Manufacturer Models
OEM Promotions
Can-Am
Sea-Doo
CFMoto
SSR Motorsports
Yamaha
Kawasaki
Suzuki
Inventory
All Inventory In Stock
New Inventory In Stock
Pre-Owned Inventory
SxS
ATVs
PTVs
Motorcycles
3-Wheel
Personal Watercraft
Scooters
Pontoons
Value Your Trade-In
Request a Model
Secure Financing
Featured Specials
Parts
Parts Department
Parts Finder
Service
Service Department
Warranty & Recall Look-Up
Shop
Parts Finder
Shopping Cart
Financing
About
Our Dealership
Employment
Reviews
Customer Survey
Location & Hours
Contact
Fiche | Parts Diagrams
Home
›
Parts
›
Parts Finder
Search by :
Part / Desc
VIN
Please Select
Can-Am
CFMOTO
Kawasaki
Sea-Doo
Suzuki
Yamaha
*Please enter at least 3 characters
SEARCH
Manufacturer
Sea-doo
Pontoons
2026
014 - SWITCH - North America - Limited series LIMITED 18 - 300 - North America, 2026 North America - LTD 18 - 300 - 55TH - Dusty Navy - Trailer paint - CAT-1-30-101 -
VIEW WISH LIST
Select a Section
Show/Hide
01- ROTAX - Air Intake Manifold And Throttle Body
01- ROTAX - Crankcase
01- ROTAX - Crankshaft and Pistons
01- ROTAX - Cylinder Head
01- ROTAX - Engine Cooling
01- ROTAX - Engine Harness And Electronic Module
01- ROTAX - Engine Lubrication
01- ROTAX - Gasket Kit
01- ROTAX - iDF Gearbox
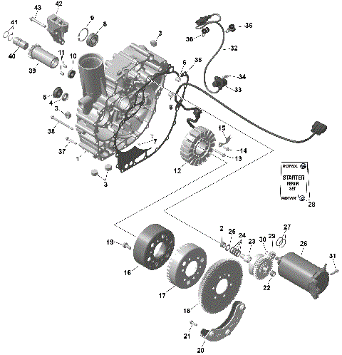
01- ROTAX - Magneto and Electric Starter
01- ROTAX - SuperCharger
01- ROTAX - Valve Train
02- ENGINE - Cooling
02- ENGINE - Exhaust
02- ENGINE - Fuel
02- ENGINE - System
03- HELM - Console
03- HELM - Steering
04- DRIVE - Propulsion
04- DRIVE - Reverse
05- CANVAS - Bimini Top Front Section
05- CANVAS - Bimini Top Rear Section
05- HULL - Central Float Deflector
05- HULL - Deflector
05- HULL - Frame
05- HULL - Front Deflector Float and Front Bumper
05- HULL - Hull System
05- HULL - Rear Deflector Float and Rear Bumper
05- HULL - Ventilation
06- DECALS - Feature Decals
06- DECALS - Warning Decals
07- FURNITURE - Adjustable Table
07- FURNITURE - Driver Seat
07- FURNITURE - Driver Seat Bolster
07- FURNITURE - LinQ Lite Holder For Corner Backrest
07- FURNITURE - Seat Corner Backrest (LH)
07- FURNITURE - Seat Corner Backrest (RH)
07- FURNITURE - Seat Side Panel (LH)
07- FURNITURE - Seat Side Panel (RH)
07- FURNITURE - Single Seat
07- FURNITURE - Stern Bench
08- ELECTRIC - Accessories Wiring Harness - 278004236
08- ELECTRIC - Accessory Lighting Wiring Harness - 278004376
08- ELECTRIC - Audio System
08- ELECTRIC - Cargo Light
08- ELECTRIC - Console Wiring Harness - 278004698
08- ELECTRIC - Electric Lower Section
08- ELECTRIC - Electric Upper Section
08- ELECTRIC - Garmin ECHOMAP UHD 72sv GPS
08- ELECTRIC - Handlebar Wiring Harness - 278004203
08- ELECTRIC - Lighting
08- ELECTRIC - Main Harness - 278004632
09- MISCELLANEOUS - Swim Platform
09- MISCELLANEOUS - Utility
10- FLOOR - System Assembly
10- FLOORING - Deck Mat Kit
11- GUARD RAILS - Front
11- GUARD RAILS - Rear
11- GUARD RAILS - System Assembly
11- GUARD RAILS - Trim
11- GUARD RAILS - Wings
01- ROTAX - Air Intake Manifold And Throttle Body
01- ROTAX - Crankcase
01- ROTAX - Crankshaft and Pistons
01- ROTAX - Cylinder Head
01- ROTAX - Engine Cooling
01- ROTAX - Engine Harness And Electronic Module
01- ROTAX - Engine Lubrication
01- ROTAX - Gasket Kit
01- ROTAX - iDF Gearbox
01- ROTAX - Magneto and Electric Starter
01- ROTAX - SuperCharger
01- ROTAX - Valve Train
02- ENGINE - Cooling
02- ENGINE - Exhaust
02- ENGINE - Fuel
02- ENGINE - System
03- HELM - Console
03- HELM - Steering
04- DRIVE - Propulsion
04- DRIVE - Reverse
05- CANVAS - Bimini Top Front Section
05- CANVAS - Bimini Top Rear Section
05- HULL - Central Float Deflector
05- HULL - Deflector
05- HULL - Frame
05- HULL - Front Deflector Float and Front Bumper
05- HULL - Hull System
05- HULL - Rear Deflector Float and Rear Bumper
05- HULL - Ventilation
06- DECALS - Feature Decals
06- DECALS - Warning Decals
07- FURNITURE - Adjustable Table
07- FURNITURE - Driver Seat
07- FURNITURE - Driver Seat Bolster
07- FURNITURE - LinQ Lite Holder For Corner Backrest
07- FURNITURE - Seat Corner Backrest (LH)
07- FURNITURE - Seat Corner Backrest (RH)
07- FURNITURE - Seat Side Panel (LH)
07- FURNITURE - Seat Side Panel (RH)
07- FURNITURE - Single Seat
07- FURNITURE - Stern Bench
08- ELECTRIC - Accessories Wiring Harness - 278004236
08- ELECTRIC - Accessory Lighting Wiring Harness - 278004376
08- ELECTRIC - Audio System
08- ELECTRIC - Cargo Light
08- ELECTRIC - Console Wiring Harness - 278004698
08- ELECTRIC - Electric Lower Section
08- ELECTRIC - Electric Upper Section
08- ELECTRIC - Garmin ECHOMAP UHD 72sv GPS
08- ELECTRIC - Handlebar Wiring Harness - 278004203
08- ELECTRIC - Lighting
08- ELECTRIC - Main Harness - 278004632
09- MISCELLANEOUS - Swim Platform
09- MISCELLANEOUS - Utility
10- FLOOR - System Assembly
10- FLOORING - Deck Mat Kit
11- GUARD RAILS - Front
11- GUARD RAILS - Rear
11- GUARD RAILS - System Assembly
11- GUARD RAILS - Trim
11- GUARD RAILS - Wings
VIEW WISH LIST