Columbia, SC
|
Give Us a Call
(803) 750-7050
|
EST. 1976
|
Toggle navigation
Home
Brands
Manufacturer Models
OEM Promotions
Can-Am
Sea-Doo
CFMoto
SSR Motorsports
Yamaha
Kawasaki
Suzuki
Inventory
All Inventory In Stock
New Inventory In Stock
Pre-Owned Inventory
SxS
ATVs
PTVs
Motorcycles
3-Wheel
Personal Watercraft
Scooters
Pontoons
Value Your Trade-In
Request a Model
Secure Financing
Featured Specials
Parts
Parts Department
Parts Finder
Service
Service Department
Warranty & Recall Look-Up
Shop
Parts Finder
Shopping Cart
Financing
About
Our Dealership
Employment
Reviews
Customer Survey
Location & Hours
Contact
Fiche | Parts Diagrams
Home
›
Parts
›
Parts Finder
Search by :
Part / Desc
VIN
Please Select
Can-Am
CFMOTO
Kawasaki
Sea-Doo
Suzuki
Yamaha
*Please enter at least 3 characters
SEARCH
Manufacturer
Suzuki
ATVs
2006
LT A400F
VIEW WISH LIST
Select a Section
Show/Hide
AIR CLEANER
BATTERY
BELT COOLING DUCT
CAM CHAIN
CAMSHAFT/VALVE
CARBURETOR
CARRIER (~F.NO.5SAAK46K3X102000)
CARRIER (F.NO.5SAAK46K3X102001~)
CARRIER (MODEL K4/K5/K6/K7)
COOLING FAN
CRANK BALANCER
CRANKCASE
CRANKCASE COVER
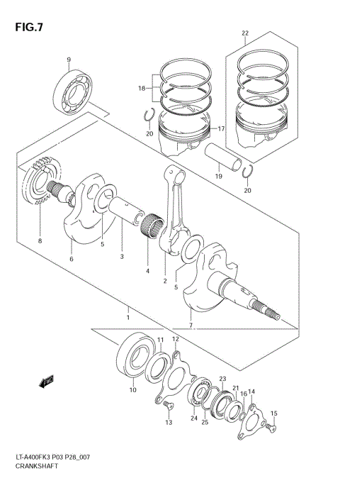
CRANKSHAFT
CYLINDER
CYLINDER HEAD
ELECTRICAL
FAN SWITCH
FINAL BEVEL GEAR (FRONT)(MODEL K3/K4
FINAL BEVEL GEAR (FRONT)(MODEL K4/K5/K6 F.NO.5SAAK46K3X102001~)
FINAL BEVEL GEAR (FRONT)(MODEL K7)
FINAL BEVEL GEAR (REAR)(MODEL K3)
FINAL BEVEL GEAR (REAR)(MODEL K4/K5/K6/K7)
FOOTREST
FRAME
FRONT BRAKE HOSE
FRONT CALIPER
FRONT DRIVE SHAFT (MODEL K3/K4)
FRONT DRIVE SHAFT (MODEL K5/K6/K7)
FRONT FENDER (MODEL K3)
FRONT FENDER (MODEL K4)
FRONT FENDER (MODEL K5/K6/K7)
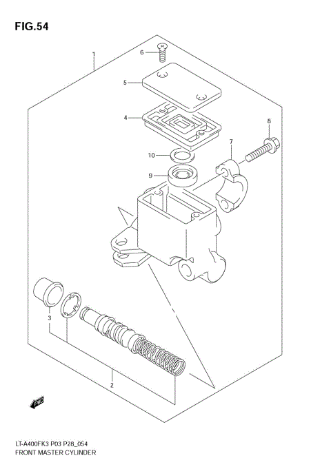
FRONT MASTER CYLINDER
FRONT WHEEL
FUEL TANK (MODEL K3)
FUEL TANK (MODEL K4/K5/K6)
FUEL TANK (MODEL K7)
GASKET SET
GEAR SHIFTING
HANDLE BAR
HANDLE LEVER
HEADLAMP (MODEL K3/K4)
HEADLAMP (MODEL K5)
HEADLAMP (MODEL K6/K7)
LABEL (MODEL K3)
LABEL (MODEL K4/K5/K6/K7)
LEFT REAR WHEEL
MAGNETO
MUFFLER
OIL COOLER
OIL PUMP
OPTIONAL
OPTIONAL (LT-A400FH HUNTER EDITION)
REAR BOX
REAR BRAKE
REAR FENDER (MODEL K3)
REAR FENDER (MODEL K4/K5/K6/K7)
REAR SWINGINGARM
RECOIL STARTER
RIGHT REAR WHEEL
SEAT
SECONDARY DRIVE
SHIFT LEVER
SPEEDOMETER (MODEL K3/K4)
SPEEDOMETER (MODEL K5)
SPEEDOMETER (MODEL K6/K7)
STARTER CLUTCH
STARTING MOTOR
STEERING KNUCKLE
STEERING SHAFT
SUSPENSION ARM
TAIL LAMP
TRANSMISSION (1)
TRANSMISSION (2)
WIRING HARNESS
AIR CLEANER
BATTERY
BELT COOLING DUCT
CAM CHAIN
CAMSHAFT/VALVE
CARBURETOR
CARRIER (~F.NO.5SAAK46K3X102000)
CARRIER (F.NO.5SAAK46K3X102001~)
CARRIER (MODEL K4/K5/K6/K7)
COOLING FAN
CRANK BALANCER
CRANKCASE
CRANKCASE COVER
CRANKSHAFT
CYLINDER
CYLINDER HEAD
ELECTRICAL
FAN SWITCH
FINAL BEVEL GEAR (FRONT)(MODEL K3/K4
FINAL BEVEL GEAR (FRONT)(MODEL K4/K5/K6 F.NO.5SAAK46K3X102001~)
FINAL BEVEL GEAR (FRONT)(MODEL K7)
FINAL BEVEL GEAR (REAR)(MODEL K3)
FINAL BEVEL GEAR (REAR)(MODEL K4/K5/K6/K7)
FOOTREST
FRAME
FRONT BRAKE HOSE
FRONT CALIPER
FRONT DRIVE SHAFT (MODEL K3/K4)
FRONT DRIVE SHAFT (MODEL K5/K6/K7)
FRONT FENDER (MODEL K3)
FRONT FENDER (MODEL K4)
FRONT FENDER (MODEL K5/K6/K7)
FRONT MASTER CYLINDER
FRONT WHEEL
FUEL TANK (MODEL K3)
FUEL TANK (MODEL K4/K5/K6)
FUEL TANK (MODEL K7)
GASKET SET
GEAR SHIFTING
HANDLE BAR
HANDLE LEVER
HEADLAMP (MODEL K3/K4)
HEADLAMP (MODEL K5)
HEADLAMP (MODEL K6/K7)
LABEL (MODEL K3)
LABEL (MODEL K4/K5/K6/K7)
LEFT REAR WHEEL
MAGNETO
MUFFLER
OIL COOLER
OIL PUMP
OPTIONAL
OPTIONAL (LT-A400FH HUNTER EDITION)
REAR BOX
REAR BRAKE
REAR FENDER (MODEL K3)
REAR FENDER (MODEL K4/K5/K6/K7)
REAR SWINGINGARM
RECOIL STARTER
RIGHT REAR WHEEL
SEAT
SECONDARY DRIVE
SHIFT LEVER
SPEEDOMETER (MODEL K3/K4)
SPEEDOMETER (MODEL K5)
SPEEDOMETER (MODEL K6/K7)
STARTER CLUTCH
STARTING MOTOR
STEERING KNUCKLE
STEERING SHAFT
SUSPENSION ARM
TAIL LAMP
TRANSMISSION (1)
TRANSMISSION (2)
WIRING HARNESS
VIEW WISH LIST