Columbia, SC
|
Give Us a Call
(803) 750-7050
|
EST. 1976
|
Toggle navigation
Home
Brands
Manufacturer Models
OEM Promotions
Can-Am
Sea-Doo
CFMoto
SSR Motorsports
Yamaha
Kawasaki
Suzuki
Inventory
All Inventory In Stock
New Inventory In Stock
Pre-Owned Inventory
SxS
ATVs
PTVs
Motorcycles
3-Wheel
Personal Watercraft
Scooters
Pontoons
Value Your Trade-In
Request a Model
Secure Financing
Featured Specials
Parts
Parts Department
Parts Finder
Service
Service Department
Warranty & Recall Look-Up
Shop
Parts Finder
Shopping Cart
Financing
About
Our Dealership
Employment
Reviews
Customer Survey
Location & Hours
Contact
Fiche | Parts Diagrams
Home
›
Parts
›
Parts Finder
Search by :
Part / Desc
VIN
Please Select
Can-Am
CFMOTO
Kawasaki
Sea-Doo
Suzuki
Yamaha
*Please enter at least 3 characters
SEARCH
Manufacturer
Suzuki
ATVs
2007
LT-R450,Z 2006-2009
VIEW WISH LIST
Select a Section
Show/Hide
AIR CLEANER
BATTERY
BATTERY HOLDER
BRAKE PEDAL (MODEL K6/K7/K8)
BRAKE PEDAL (MODEL K9)
CAM CHAIN
CAMSHAFT/VALVE
CLUTCH (MODEL K6/K7)
CLUTCH (MODEL K8/K9)
CRANK BALANCER
CRANKCASE
CRANKCASE COVER
CRANKSHAFT
CYLINDER
CYLINDER HEAD
CYLINDER HEAD COVER
ELECTRICAL
FOOTREST
FRAME (MODEL K6/K7/K8)
FRAME (MODEL K9)
FRONT BRAKE HOSE
FRONT CALIPER
FRONT FENDER (LT-R450K8)
FRONT FENDER (LT-R450K9)
FRONT FENDER (LT-R450ZK8)
FRONT FENDER (LT-R450ZK9)
FRONT FENDER (MODEL K6)
FRONT FENDER (MODEL K7)
FRONT MASTER CYLINDER
FRONT WHEEL
FUEL PUMP
FUEL TANK
FUEL TANK COVER (MODEL K6/K7)
FUEL TANK COVER (MODEL K8)
FUEL TANK COVER (MODEL K9)
GASKET SET
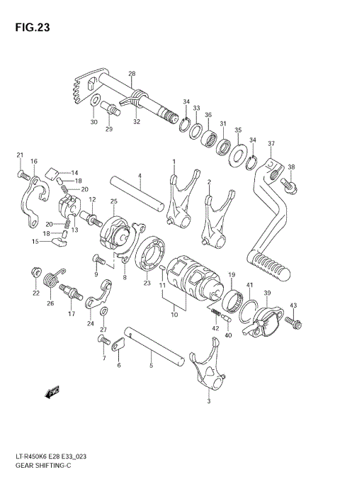
GEAR SHIFTING (MODEL K6/K7)
GEAR SHIFTING (MODEL K8/K9)
GEAR SHIFTING (MODELK K6/K7)
HANDLE LEVER (MODEL K6/K7/K8)
HANDLE LEVER (MODEL K9)
HANDLEBAR
HEADLAMP
LABEL
LEFT REAR WHEEL (MODEL K6)
LEFT REAR WHEEL (MODEL K8/K9)
MAGNETO
MUFFLER
OIL HOSE
OIL PUMP
OPTIONAL
PILOT LAMP
RADIATOR
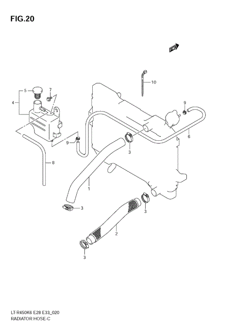
RADIATOR HOSE
REAR CALIPER
REAR COMBINATION (E28)
REAR COMBINATION (E33)
REAR CUSHION LEVER (MODEL K6/K7)
REAR CUSHION LEVER (MODEL K8/K9)
REAR FENDER (MODEL K6/K7)
REAR FENDER (MODEL K8)
REAR FENDER (MODEL K9)
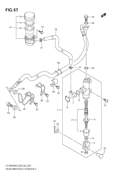
REAR MASTER CYLINDER
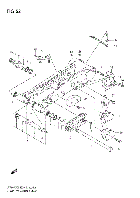
REAR SWINGING ARM
RIGHT REAR WHEEL (MODEL K6/K7)
RIGHT REAR WHEEL (MODEL K8/K9)
SEAT
STARTER CLUTCH
STARTING MOTOR
STEERING KNUCKLE
STEERING SHAFT
SUSPENSION ARM
THROTTLE BODY (MODEL K6/K7/K8)
THROTTLE BODY (MODEL K9)
TRANSMISSION (MODEL K6/K7)
TRANSMISSION (MODEL K8/K9)
WATER PUMP
WIRING HARNESS
AIR CLEANER
BATTERY
BATTERY HOLDER
BRAKE PEDAL (MODEL K6/K7/K8)
BRAKE PEDAL (MODEL K9)
CAM CHAIN
CAMSHAFT/VALVE
CLUTCH (MODEL K6/K7)
CLUTCH (MODEL K8/K9)
CRANK BALANCER
CRANKCASE
CRANKCASE COVER
CRANKSHAFT
CYLINDER
CYLINDER HEAD
CYLINDER HEAD COVER
ELECTRICAL
FOOTREST
FRAME (MODEL K6/K7/K8)
FRAME (MODEL K9)
FRONT BRAKE HOSE
FRONT CALIPER
FRONT FENDER (LT-R450K8)
FRONT FENDER (LT-R450K9)
FRONT FENDER (LT-R450ZK8)
FRONT FENDER (LT-R450ZK9)
FRONT FENDER (MODEL K6)
FRONT FENDER (MODEL K7)
FRONT MASTER CYLINDER
FRONT WHEEL
FUEL PUMP
FUEL TANK
FUEL TANK COVER (MODEL K6/K7)
FUEL TANK COVER (MODEL K8)
FUEL TANK COVER (MODEL K9)
GASKET SET
GEAR SHIFTING (MODEL K6/K7)
GEAR SHIFTING (MODEL K8/K9)
GEAR SHIFTING (MODELK K6/K7)
HANDLE LEVER (MODEL K6/K7/K8)
HANDLE LEVER (MODEL K9)
HANDLEBAR
HEADLAMP
LABEL
LEFT REAR WHEEL (MODEL K6)
LEFT REAR WHEEL (MODEL K8/K9)
MAGNETO
MUFFLER
OIL HOSE
OIL PUMP
OPTIONAL
PILOT LAMP
RADIATOR
RADIATOR HOSE
REAR CALIPER
REAR COMBINATION (E28)
REAR COMBINATION (E33)
REAR CUSHION LEVER (MODEL K6/K7)
REAR CUSHION LEVER (MODEL K8/K9)
REAR FENDER (MODEL K6/K7)
REAR FENDER (MODEL K8)
REAR FENDER (MODEL K9)
REAR MASTER CYLINDER
REAR SWINGING ARM
RIGHT REAR WHEEL (MODEL K6/K7)
RIGHT REAR WHEEL (MODEL K8/K9)
SEAT
STARTER CLUTCH
STARTING MOTOR
STEERING KNUCKLE
STEERING SHAFT
SUSPENSION ARM
THROTTLE BODY (MODEL K6/K7/K8)
THROTTLE BODY (MODEL K9)
TRANSMISSION (MODEL K6/K7)
TRANSMISSION (MODEL K8/K9)
WATER PUMP
WIRING HARNESS
VIEW WISH LIST