Columbia, SC
|
Give Us a Call
(803) 750-7050
|
EST. 1976
|
Toggle navigation
Home
Brands
Manufacturer Models
OEM Promotions
Can-Am
Sea-Doo
CFMoto
SSR Motorsports
Yamaha
Kawasaki
Suzuki
Inventory
All Inventory In Stock
New Inventory In Stock
Pre-Owned Inventory
SxS
ATVs
PTVs
Motorcycles
3-Wheel
Personal Watercraft
Scooters
Pontoons
Value Your Trade-In
Request a Model
Secure Financing
Featured Specials
Parts
Parts Department
Parts Finder
Service
Service Department
Warranty & Recall Look-Up
Shop
Parts Finder
Shopping Cart
Financing
About
Our Dealership
Employment
Reviews
Customer Survey
Location & Hours
Contact
Fiche | Parts Diagrams
Home
›
Parts
›
Parts Finder
Search by :
Part / Desc
VIN
Please Select
Can-Am
CFMOTO
Kawasaki
Sea-Doo
Suzuki
Yamaha
*Please enter at least 3 characters
SEARCH
Manufacturer
Suzuki
ATVs
2009
LT-A750XP,Z
VIEW WISH LIST
Select a Section
Show/Hide
AIR CLEANER
BATTERY
CAM CHAIN
CAMSHAFT-VALVE
CARRIER
COOLING DUCT
CRANK BALANCER
CRANKCASE
CRANKCASE COVER
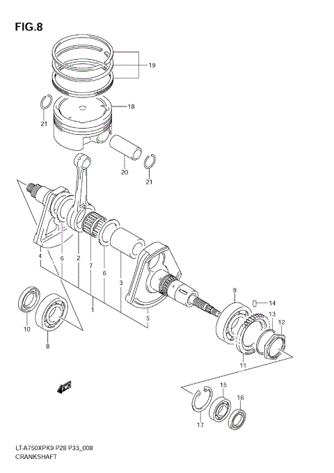
CRANKSHAFT
CYLINDER
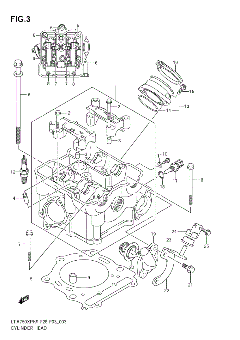
CYLINDER HEAD
CYLINDER HEAD COVER
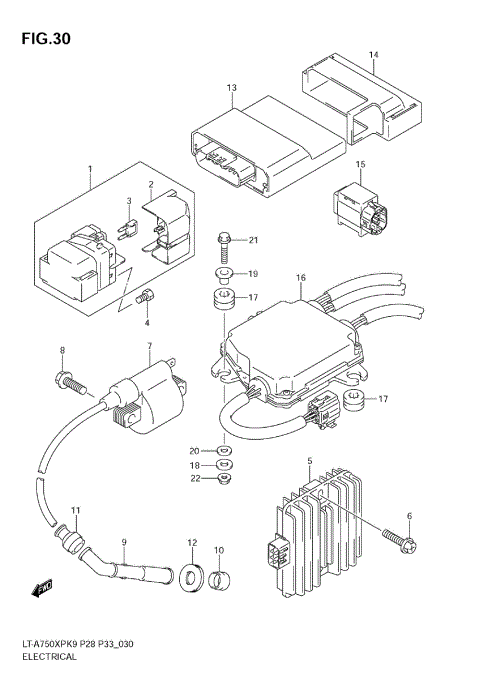
ELECTRICAL
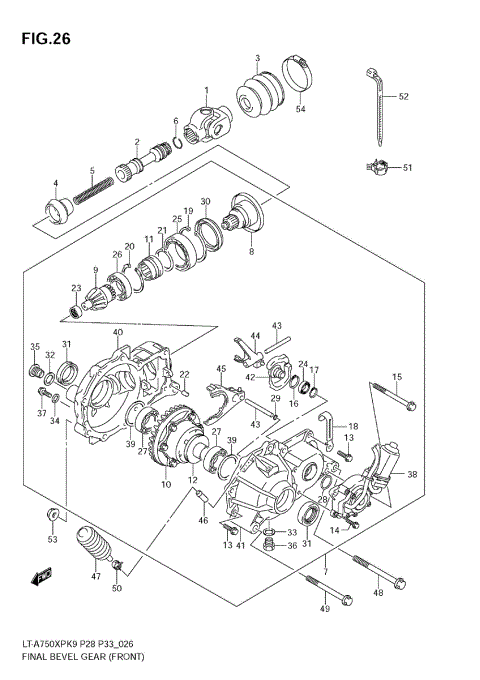
FINAL BEVEL GEAR (FRONT)
FINAL BEVEL GEAR (REAR)
FOOTREST
FRAME
FRONT BOX
FRONT BRAKE HOSE
FRONT CALIPER
FRONT DRIVE SHAFT
FRONT FENDER
FRONT GRILLE
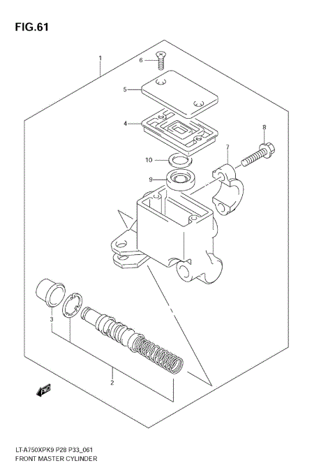
FRONT MASTER CYLINDER
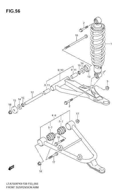
FRONT SUSPENSION ARM
FRONT WHEEL
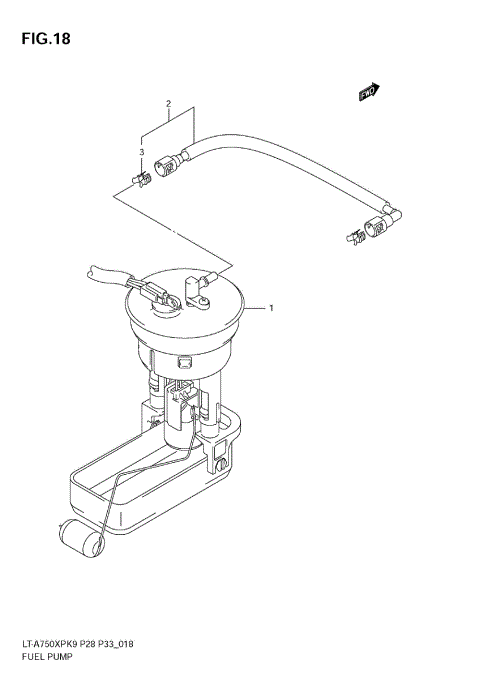
FUEL PUMP
FUEL TANK
GASKET SET
GEAR SHIFTING
HANDLE BAR
HANDLE COVER
HANDLE LEVER
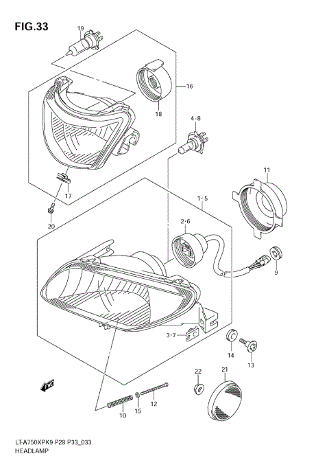
HEADLAMP
LABEL
LEFT REAR WHEEL
MAGNETO
MUDGUARD
MUFFLER
OIL PUMP
OPTIONAL
RADIATOR
RADIATOR HOSE
REAR BOX
REAR BRAKE
REAR BRAKE ASSY
REAR COMBINATION LAMP (E28)
REAR COMBINATION LAMP (E33)
REAR DRIVE SHAFT
REAR FENDER
REAR SHOCK ABSORBER
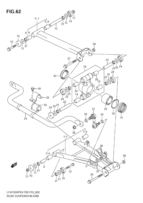
REAR SUSPENSION ARM
RECOIL COVER
RIGHT REAR WHEEL
SEAT
SECONDARY DRIVE
SHIFT LEVER
SPEEDOMETER
STARTER CLUTCH
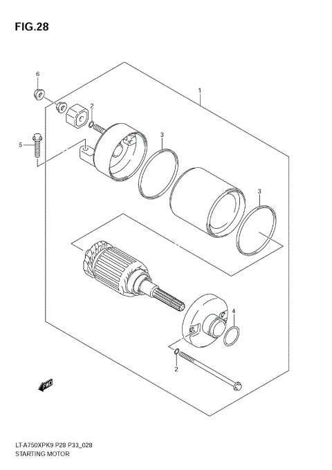
STARTING MOTOR
STEERING KNUCKLE
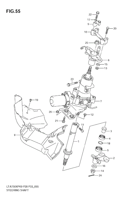
STEERING SHAFT
THROTTLE BODY
TRANSMISSION (1)
TRANSMISSION (2)
WATER PUMP
WIRING HARNESS
AIR CLEANER
BATTERY
CAM CHAIN
CAMSHAFT-VALVE
CARRIER
COOLING DUCT
CRANK BALANCER
CRANKCASE
CRANKCASE COVER
CRANKSHAFT
CYLINDER
CYLINDER HEAD
CYLINDER HEAD COVER
ELECTRICAL
FINAL BEVEL GEAR (FRONT)
FINAL BEVEL GEAR (REAR)
FOOTREST
FRAME
FRONT BOX
FRONT BRAKE HOSE
FRONT CALIPER
FRONT DRIVE SHAFT
FRONT FENDER
FRONT GRILLE
FRONT MASTER CYLINDER
FRONT SUSPENSION ARM
FRONT WHEEL
FUEL PUMP
FUEL TANK
GASKET SET
GEAR SHIFTING
HANDLE BAR
HANDLE COVER
HANDLE LEVER
HEADLAMP
LABEL
LEFT REAR WHEEL
MAGNETO
MUDGUARD
MUFFLER
OIL PUMP
OPTIONAL
RADIATOR
RADIATOR HOSE
REAR BOX
REAR BRAKE
REAR BRAKE ASSY
REAR COMBINATION LAMP (E28)
REAR COMBINATION LAMP (E33)
REAR DRIVE SHAFT
REAR FENDER
REAR SHOCK ABSORBER
REAR SUSPENSION ARM
RECOIL COVER
RIGHT REAR WHEEL
SEAT
SECONDARY DRIVE
SHIFT LEVER
SPEEDOMETER
STARTER CLUTCH
STARTING MOTOR
STEERING KNUCKLE
STEERING SHAFT
THROTTLE BODY
TRANSMISSION (1)
TRANSMISSION (2)
WATER PUMP
WIRING HARNESS
VIEW WISH LIST