Columbia, SC
|
Give Us a Call
(803) 750-7050
|
EST. 1976
|
Toggle navigation
Home
Brands
Manufacturer Models
OEM Promotions
Can-Am
Sea-Doo
CFMoto
SSR Motorsports
Yamaha
Kawasaki
Suzuki
Inventory
All Inventory In Stock
New Inventory In Stock
Pre-Owned Inventory
SxS
ATVs
PTVs
Motorcycles
3-Wheel
Personal Watercraft
Scooters
Pontoons
Value Your Trade-In
Request a Model
Secure Financing
Featured Specials
Parts
Parts Department
Parts Finder
Service
Service Department
Warranty & Recall Look-Up
Shop
Parts Finder
Shopping Cart
Financing
About
Our Dealership
Employment
Reviews
Customer Survey
Location & Hours
Contact
Fiche | Parts Diagrams
Home
›
Parts
›
Parts Finder
Search by :
Part / Desc
VIN
Please Select
Can-Am
CFMOTO
Kawasaki
Sea-Doo
Suzuki
Yamaha
*Please enter at least 3 characters
SEARCH
Manufacturer
Suzuki
ATVs
2012
LT,F400F,Z
VIEW WISH LIST
Select a Section
Show/Hide
COLOR CHART
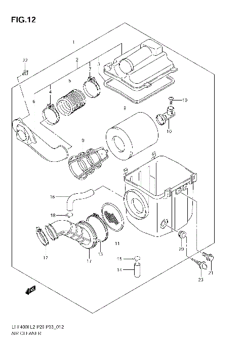
AIR CLEANER
BATTERY
CAM CHAIN
CAMSHAFT/VALVE
CARRIER (LT-F400F E28)
CARRIER (LT-F400F E33)
CARRIER (LT-F400FZ E28)
CARRIER (LT-F400FZ E33)
CLUTCH
COOLING FAN
CRANK BALANCER
CRANKCASE
CRANKCASE COVER
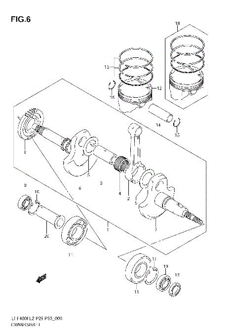
CRANKSHAFT
CYLINDER
CYLINDER HEAD
ELECTRICAL
FINAL BEVEL GEAR (FRONT)
FINAL BEVEL GEAR (REAR)
FOOTREST
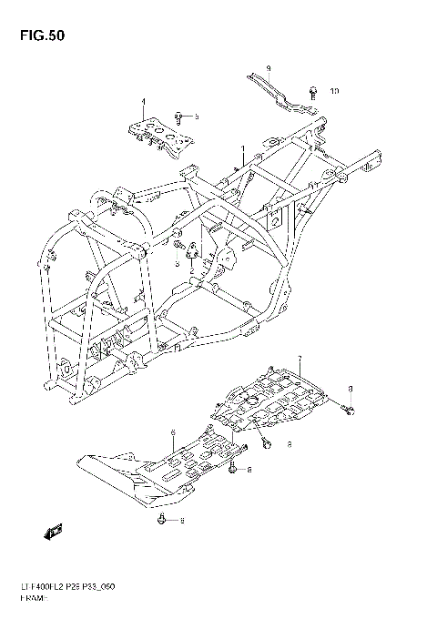
FRAME
FRONT BRAKE HOSE
FRONT CALIPER
FRONT DRIVE SHAFT
FRONT FENDER (LT-F400F E28)
FRONT FENDER (LT-F400F E33)
FRONT FENDER (LT-F400FZ E28)
FRONT FENDER (LT-F400FZ E33)
FRONT LAMP HOUSING
FRONT MASTER CYLINDER
FRONT WHEEL
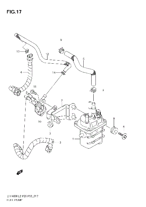
FUEL PUMP
FUEL TANK
GASKET SET
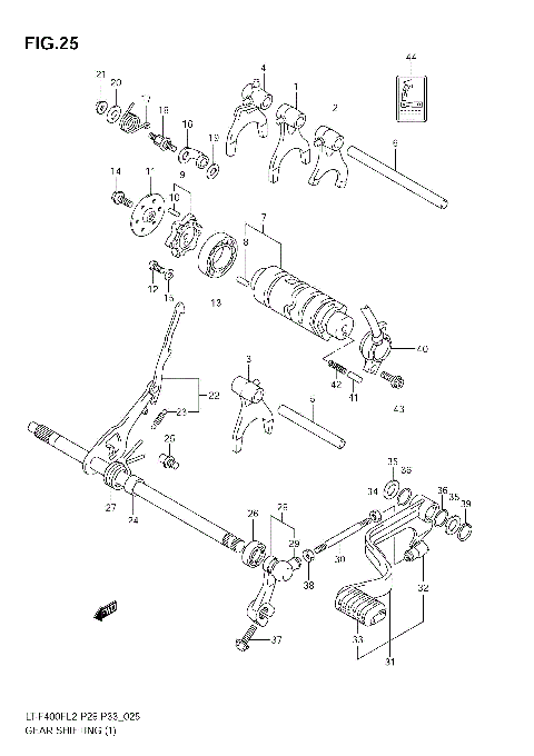
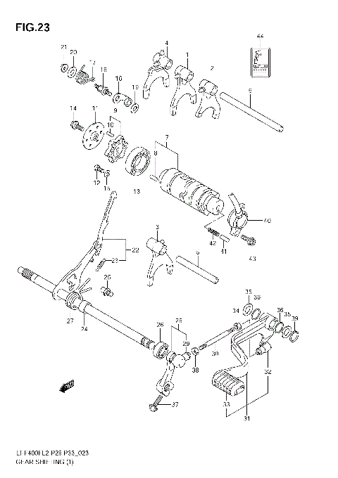
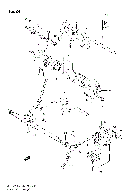
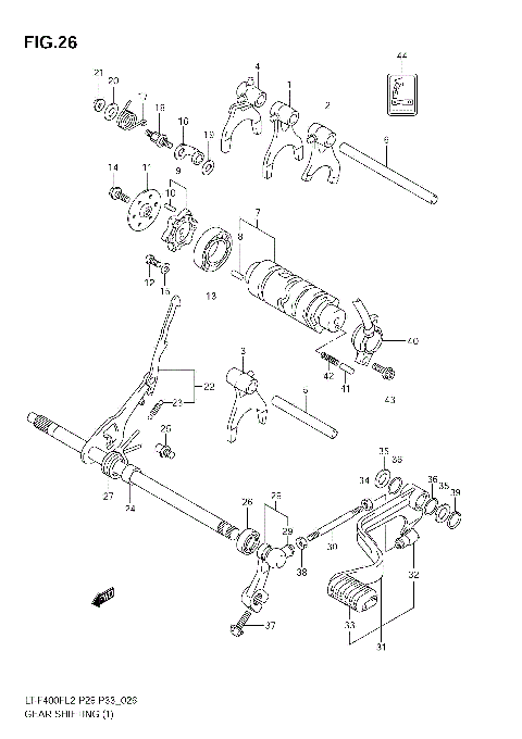
GEAR SHIFTING (1) (LT-F400F E28)
GEAR SHIFTING (1) (LT-F400F E33)
GEAR SHIFTING (1) (LT-F400FZ E28)
GEAR SHIFTING (1) (LT-F400FZ E33)
GEAR SHIFTING (2)
HANDLE LEVER
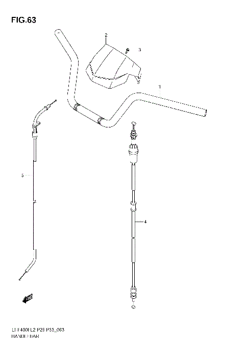
HANDLEBAR
HEADLAMP (LT-F400F E28)
HEADLAMP (LT-F400F E33)
HEADLAMP (LT-F400FZ E28)
HEADLAMP (LT-F400FZ E33)
LABEL (LT-F400F E28)
LABEL (LT-F400F E33)
LABEL (LT-F400FZ E28)
LABEL (LT-F400FZ E33)
LEFT REAR WHEEL
MAGNETO
MUDGUARD
MUFFLER
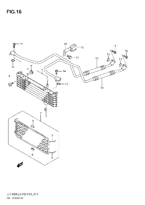
OIL COOLER
OIL PUMP
OPTIONAL
REAR BRAKE
REAR COMBINATION LAMP (LT-F400F E28)
REAR COMBINATION LAMP (LT-F400F E33)
REAR COMBINATION LAMP (LT-F400FZ E28)
REAR COMBINATION LAMP (LT-F400FZ E33)
REAR FENDER (LT-F400F E28)
REAR FENDER (LT-F400F E33)
REAR FENDER (LT-F400FZ E28)
REAR FENDER (LT-F400FZ E33)
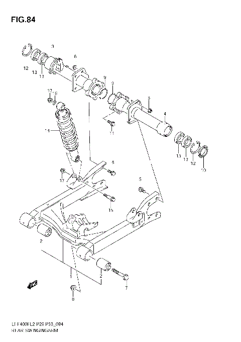
REAR SWINGINGARM
RECOIL COVER
RIGHT REAR WHEEL
SEAT
SECONDARY DRIVE
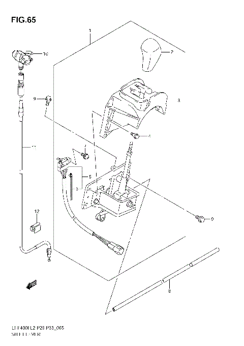
SHIFT LEVER
SPEEDOMETER (LT-F400F E28)
SPEEDOMETER (LT-F400F E33)
SPEEDOMETER (LT-F400FZ E28)
SPEEDOMETER (LT-F400FZ E33)
STARTER CLUTCH
STARTING MOTOR
STEERING KNUCKLE
STEERING SHAFT
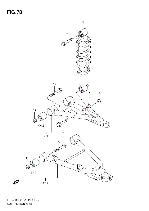
SUSPENSION ARM
THROTTLE BODY
TRANSMISSION (1)
TRANSMISSION (2)
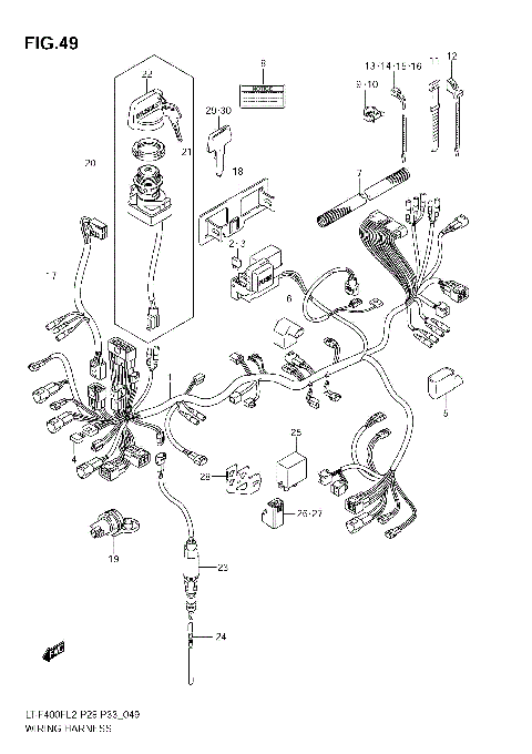
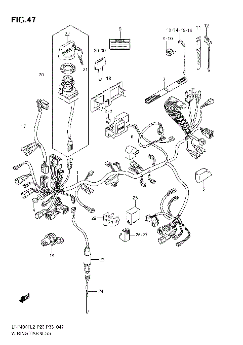
WIRING HARNESS (LT-F400F E28)
WIRING HARNESS (LT-F400F E33)
WIRING HARNESS (LT-F400FZ E28)
WIRING HARNESS (LT-F400FZ E33)
COLOR CHART
AIR CLEANER
BATTERY
CAM CHAIN
CAMSHAFT/VALVE
CARRIER (LT-F400F E28)
CARRIER (LT-F400F E33)
CARRIER (LT-F400FZ E28)
CARRIER (LT-F400FZ E33)
CLUTCH
COOLING FAN
CRANK BALANCER
CRANKCASE
CRANKCASE COVER
CRANKSHAFT
CYLINDER
CYLINDER HEAD
ELECTRICAL
FINAL BEVEL GEAR (FRONT)
FINAL BEVEL GEAR (REAR)
FOOTREST
FRAME
FRONT BRAKE HOSE
FRONT CALIPER
FRONT DRIVE SHAFT
FRONT FENDER (LT-F400F E28)
FRONT FENDER (LT-F400F E33)
FRONT FENDER (LT-F400FZ E28)
FRONT FENDER (LT-F400FZ E33)
FRONT LAMP HOUSING
FRONT MASTER CYLINDER
FRONT WHEEL
FUEL PUMP
FUEL TANK
GASKET SET
GEAR SHIFTING (1) (LT-F400F E28)
GEAR SHIFTING (1) (LT-F400F E33)
GEAR SHIFTING (1) (LT-F400FZ E28)
GEAR SHIFTING (1) (LT-F400FZ E33)
GEAR SHIFTING (2)
HANDLE LEVER
HANDLEBAR
HEADLAMP (LT-F400F E28)
HEADLAMP (LT-F400F E33)
HEADLAMP (LT-F400FZ E28)
HEADLAMP (LT-F400FZ E33)
LABEL (LT-F400F E28)
LABEL (LT-F400F E33)
LABEL (LT-F400FZ E28)
LABEL (LT-F400FZ E33)
LEFT REAR WHEEL
MAGNETO
MUDGUARD
MUFFLER
OIL COOLER
OIL PUMP
OPTIONAL
REAR BRAKE
REAR COMBINATION LAMP (LT-F400F E28)
REAR COMBINATION LAMP (LT-F400F E33)
REAR COMBINATION LAMP (LT-F400FZ E28)
REAR COMBINATION LAMP (LT-F400FZ E33)
REAR FENDER (LT-F400F E28)
REAR FENDER (LT-F400F E33)
REAR FENDER (LT-F400FZ E28)
REAR FENDER (LT-F400FZ E33)
REAR SWINGINGARM
RECOIL COVER
RIGHT REAR WHEEL
SEAT
SECONDARY DRIVE
SHIFT LEVER
SPEEDOMETER (LT-F400F E28)
SPEEDOMETER (LT-F400F E33)
SPEEDOMETER (LT-F400FZ E28)
SPEEDOMETER (LT-F400FZ E33)
STARTER CLUTCH
STARTING MOTOR
STEERING KNUCKLE
STEERING SHAFT
SUSPENSION ARM
THROTTLE BODY
TRANSMISSION (1)
TRANSMISSION (2)
WIRING HARNESS (LT-F400F E28)
WIRING HARNESS (LT-F400F E33)
WIRING HARNESS (LT-F400FZ E28)
WIRING HARNESS (LT-F400FZ E33)
VIEW WISH LIST