Columbia, SC
|
Give Us a Call
(803) 750-7050
|
EST. 1976
|
Toggle navigation
Home
Brands
Manufacturer Models
OEM Promotions
Can-Am
Sea-Doo
CFMoto
SSR Motorsports
Yamaha
Kawasaki
Suzuki
Inventory
All Inventory In Stock
New Inventory In Stock
Pre-Owned Inventory
SxS
ATVs
PTVs
Motorcycles
3-Wheel
Personal Watercraft
Scooters
Pontoons
Value Your Trade-In
Request a Model
Secure Financing
Featured Specials
Parts
Parts Department
Parts Finder
Service
Service Department
Warranty & Recall Look-Up
Shop
Parts Finder
Shopping Cart
Financing
About
Our Dealership
Employment
Reviews
Customer Survey
Location & Hours
Contact
Fiche | Parts Diagrams
Home
›
Parts
›
Parts Finder
Search by :
Part / Desc
VIN
Please Select
Can-Am
CFMOTO
Kawasaki
Sea-Doo
Suzuki
Yamaha
*Please enter at least 3 characters
SEARCH
Manufacturer
Suzuki
ATVs
2014
LT Z400
VIEW WISH LIST
Select a Section
Show/Hide
AIR CLEANER
BATTERY
BRAKE PEDAL
CAM CHAIN
CAMSHAFT/VALVE
CLUTCH
CRANK BALANCER
CRANKCASE
CRANKCASE COVER
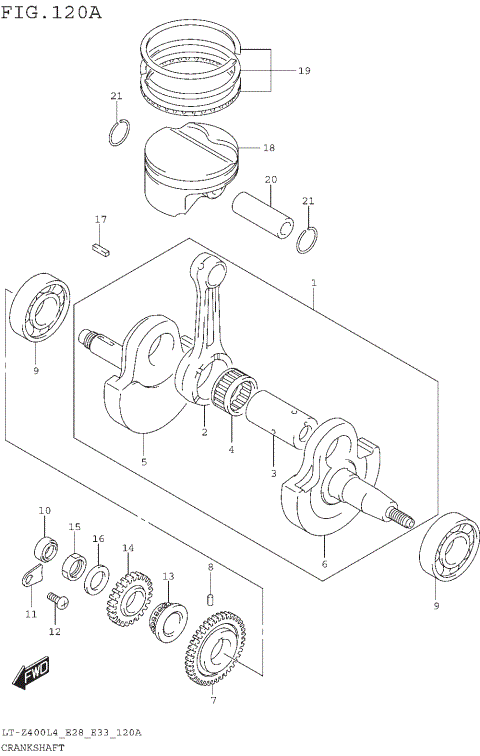
CRANKSHAFT
CYLINDER
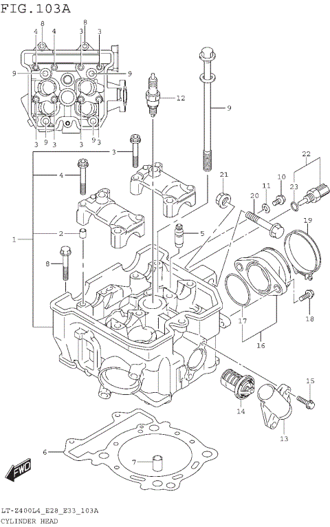
CYLINDER HEAD
CYLINDER HEAD COVER
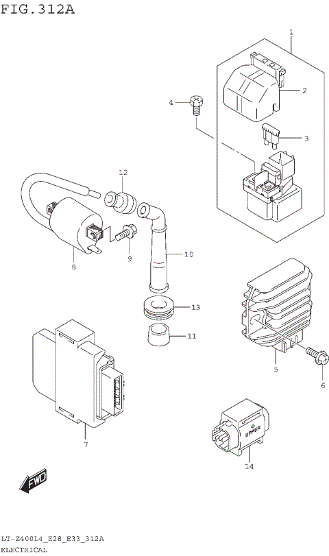
ELECTRICAL
FOOTREST
FRAME
FRONT BRAKE HOSE
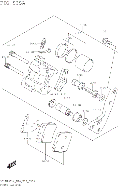
FRONT CALIPER
FRONT FENDER
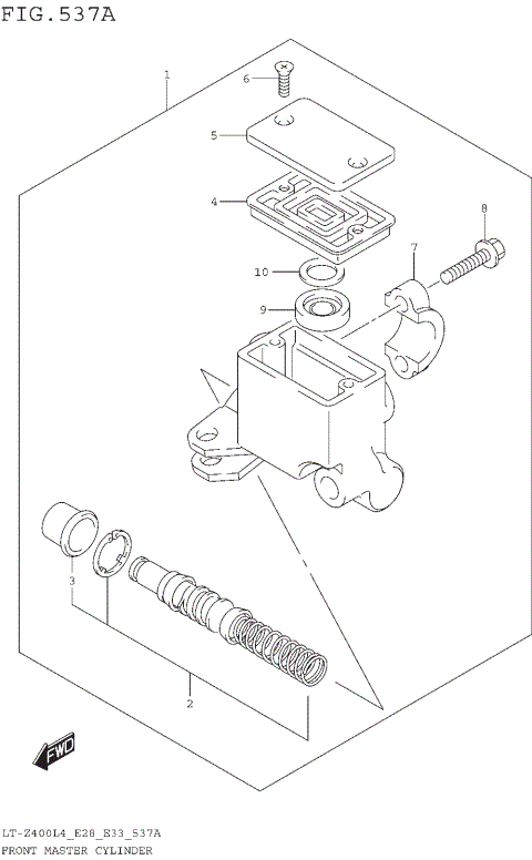
FRONT MASTER CYLINDER
FRONT WHEEL
FUEL PUMP
FUEL TANK
FUEL TANK COVER
GASKET SET
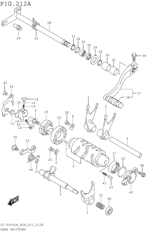
GEAR SHIFTING
HANDLE LEVER
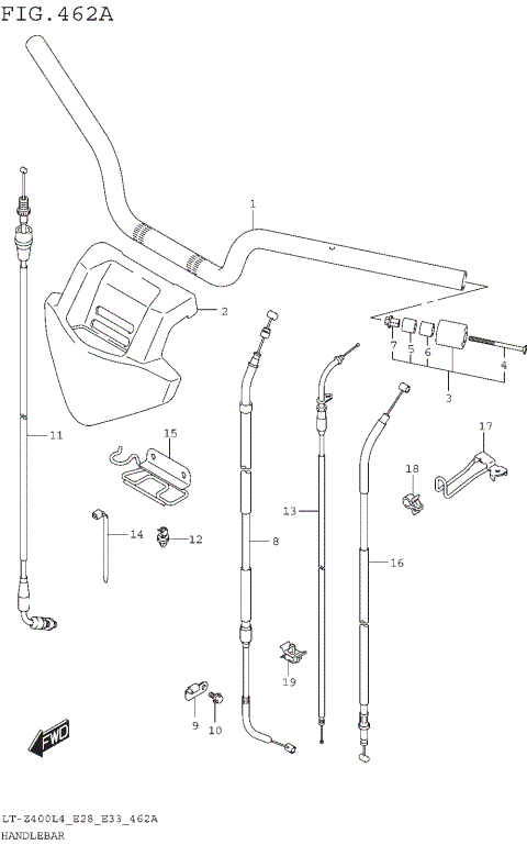
HANDLEBAR
HEADLAMP (LT-Z400L4 E28)
HEADLAMP (LT-Z400L4 E33)
LABEL (LT-Z400L4 E28)
LABEL (LT-Z400L4 E33)
LH REAR WHEEL
MAGNETO
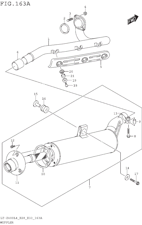
MUFFLER
OIL HOSE
OIL PUMP
OPTIONAL
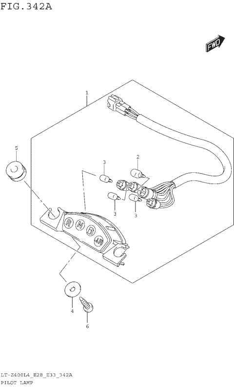
PILOT LAMP
RADIATOR
RADIATOR HOSE
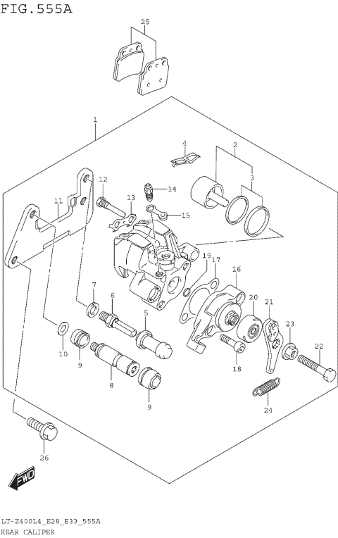
REAR CALIPER
REAR COMBINATION LAMP (LT-Z400L4 E28)
REAR COMBINATION LAMP (LT-Z400L4 E33)
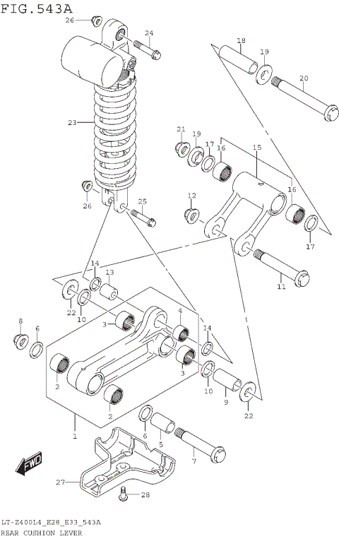
REAR CUSHION LEVER (LT-Z400L4 E28)
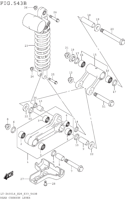
REAR CUSHION LEVER (LT-Z400L4 E33)
REAR FENDER (LT-Z400L4 E28)
REAR FENDER (LT-Z400L4 E33)
REAR MASTER CYLINDER
REAR SWINGINGARM
REVERSE CABLE
RH REAR WHEEL
SEAT
STARTER CLUTCH
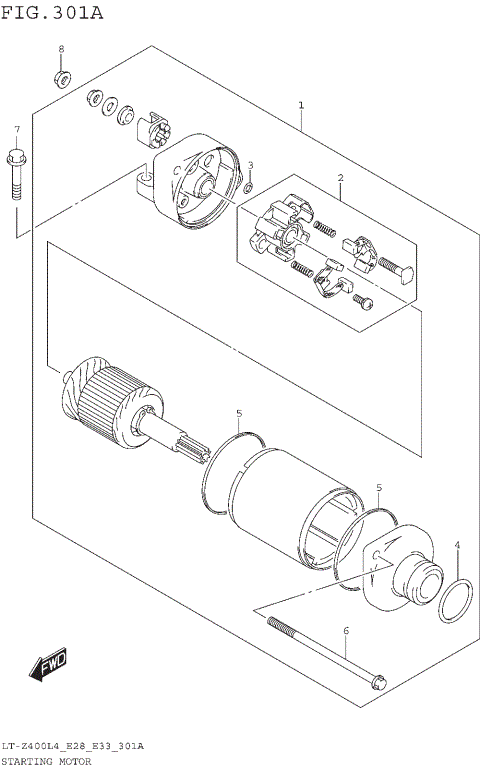
STARTING MOTOR
STEERING KNUCKLE
STEERING SHAFT
SUSPENSION ARM (LT-Z400L4 E28)
SUSPENSION ARM (LT-Z400L4 E33)
THROTTLE BODY
TRANSMISSION
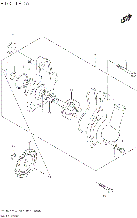
WATER PUMP
WIRING HARNESS
AIR CLEANER
BATTERY
BRAKE PEDAL
CAM CHAIN
CAMSHAFT/VALVE
CLUTCH
CRANK BALANCER
CRANKCASE
CRANKCASE COVER
CRANKSHAFT
CYLINDER
CYLINDER HEAD
CYLINDER HEAD COVER
ELECTRICAL
FOOTREST
FRAME
FRONT BRAKE HOSE
FRONT CALIPER
FRONT FENDER
FRONT MASTER CYLINDER
FRONT WHEEL
FUEL PUMP
FUEL TANK
FUEL TANK COVER
GASKET SET
GEAR SHIFTING
HANDLE LEVER
HANDLEBAR
HEADLAMP (LT-Z400L4 E28)
HEADLAMP (LT-Z400L4 E33)
LABEL (LT-Z400L4 E28)
LABEL (LT-Z400L4 E33)
LH REAR WHEEL
MAGNETO
MUFFLER
OIL HOSE
OIL PUMP
OPTIONAL
PILOT LAMP
RADIATOR
RADIATOR HOSE
REAR CALIPER
REAR COMBINATION LAMP (LT-Z400L4 E28)
REAR COMBINATION LAMP (LT-Z400L4 E33)
REAR CUSHION LEVER (LT-Z400L4 E28)
REAR CUSHION LEVER (LT-Z400L4 E33)
REAR FENDER (LT-Z400L4 E28)
REAR FENDER (LT-Z400L4 E33)
REAR MASTER CYLINDER
REAR SWINGINGARM
REVERSE CABLE
RH REAR WHEEL
SEAT
STARTER CLUTCH
STARTING MOTOR
STEERING KNUCKLE
STEERING SHAFT
SUSPENSION ARM (LT-Z400L4 E28)
SUSPENSION ARM (LT-Z400L4 E33)
THROTTLE BODY
TRANSMISSION
WATER PUMP
WIRING HARNESS
VIEW WISH LIST