Columbia, SC
|
Give Us a Call
(803) 750-7050
|
EST. 1976
|
Toggle navigation
Home
Brands
Manufacturer Models
OEM Promotions
Can-Am
Sea-Doo
CFMoto
SSR Motorsports
Yamaha
Kawasaki
Suzuki
Inventory
All Inventory In Stock
New Inventory In Stock
Pre-Owned Inventory
SxS
ATVs
PTVs
Motorcycles
3-Wheel
Personal Watercraft
Scooters
Pontoons
Value Your Trade-In
Request a Model
Secure Financing
Featured Specials
Parts
Parts Department
Parts Finder
Service
Service Department
Warranty & Recall Look-Up
Shop
Parts Finder
Shopping Cart
Financing
About
Our Dealership
Employment
Reviews
Customer Survey
Location & Hours
Contact
Fiche | Parts Diagrams
Home
›
Parts
›
Parts Finder
Search by :
Part / Desc
VIN
Please Select
Can-Am
CFMOTO
Kawasaki
Sea-Doo
Suzuki
Yamaha
*Please enter at least 3 characters
SEARCH
Manufacturer
Suzuki
ATVs
2021
LT,A750XP,XPZ
VIEW WISH LIST
Select a Section
Show/Hide
COLOR CHART
2ND AIR (P33)
AIR CLEANER
BATTERY
BELT COOLING DUCT
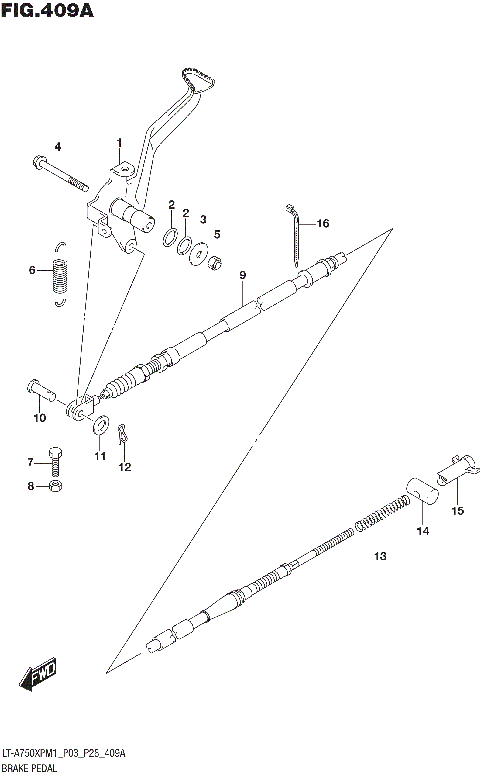
BRAKE PEDAL
CAM CHAIN
CAMSHAFT/VALVE
CARRIER (P28)
CRANK BALANCER
CRANKCASE
CRANKCASE COVER
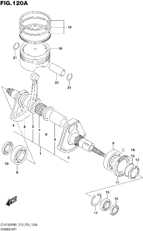
CRANKSHAFT
CYLINDER
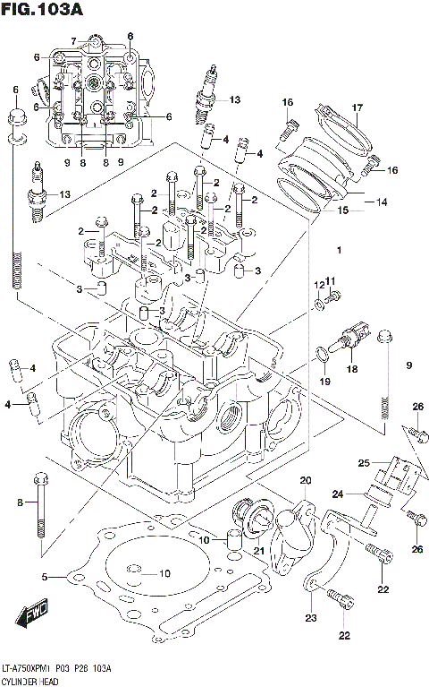
CYLINDER HEAD
CYLINDER HEAD COVER
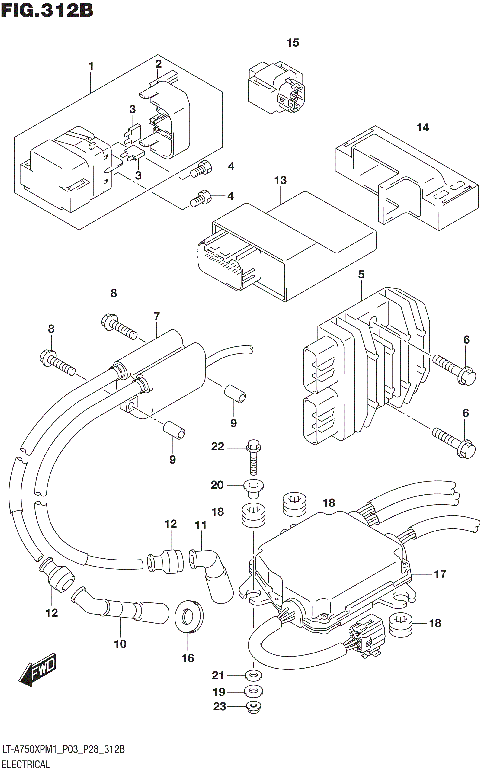
ELECTRICAL (P33)
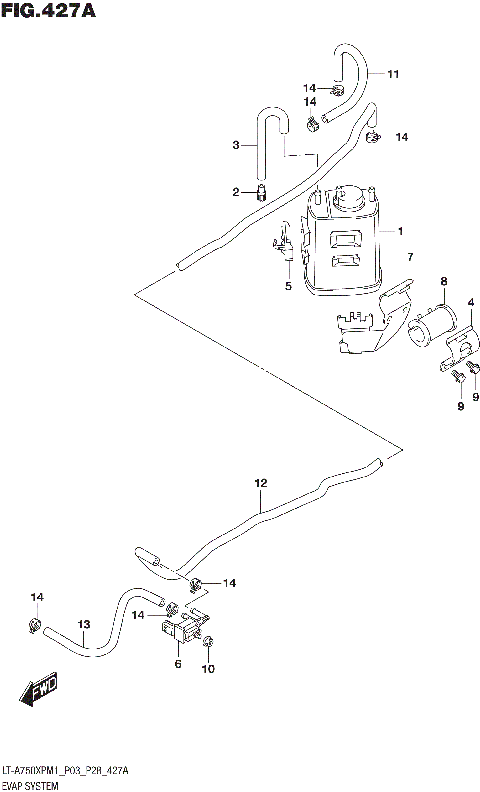
EVAP SYSTEM (P33)
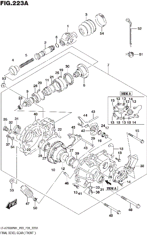
FINAL BEVEL GEAR (FRONT)
FINAL BEVEL GEAR (REAR)
FOOTREST
FRAME
FRONT BOX
FRONT BRAKE HOSE
FRONT CALIPER
FRONT DRIVE SHAFT
FRONT FENDER
FRONT GRILLE
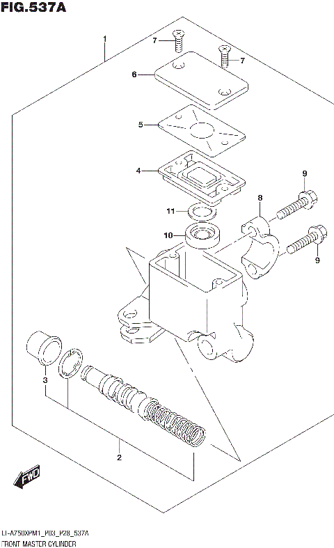
FRONT MASTER CYLINDER
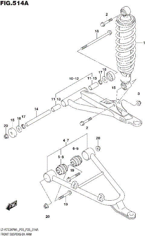
FRONT SUSPENSION ARM
FRONT WHEEL (LT-A750XP)
FRONT WHEEL (LT-A750XPZ)
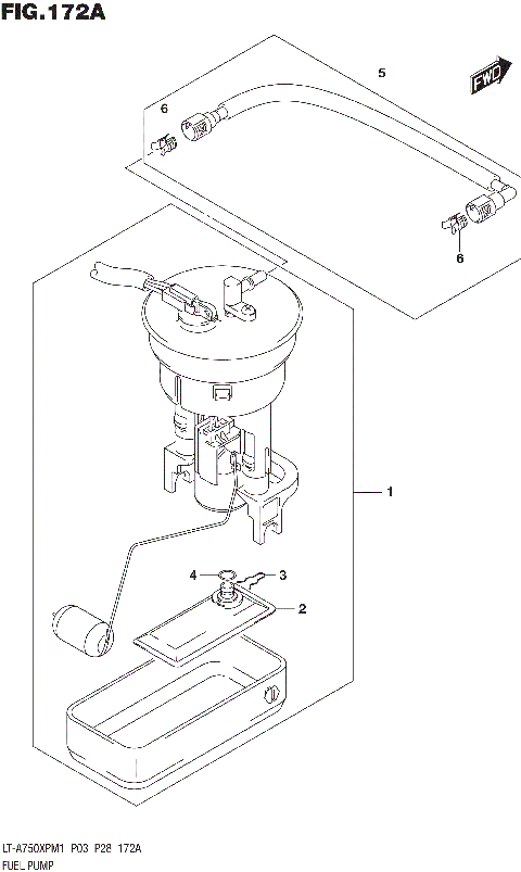
FUEL PUMP
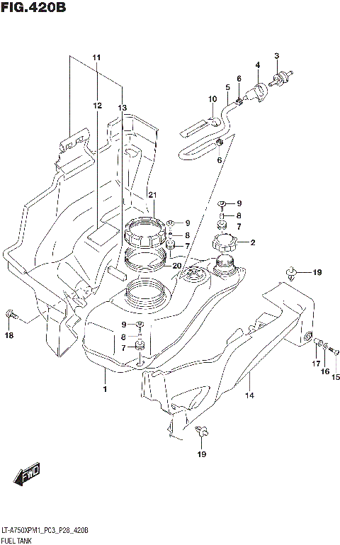
FUEL TANK (P33)
GASKET SET
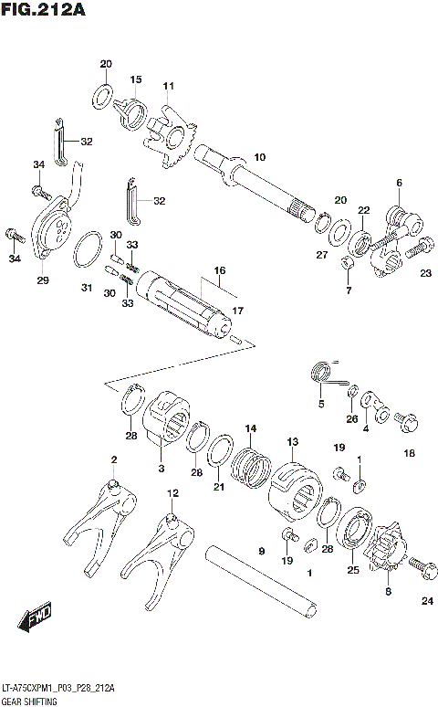
GEAR SHIFTING
HANDLE COVER
HANDLE LEVER
HANDLEBAR
HEADLAMP
LABEL (P28)
LH REAR WHEEL (LT-A750XP)
LH REAR WHEEL (LT-A750XPZ)
MAGNETO
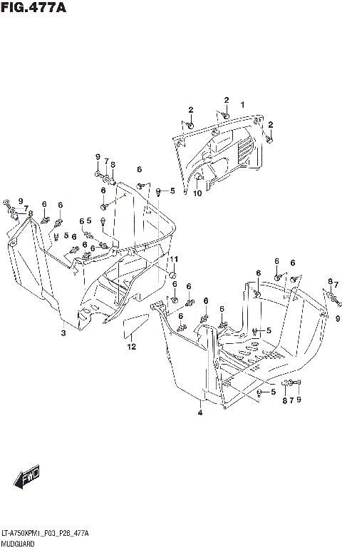
MUDGUARD
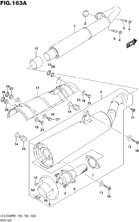
MUFFLER
OIL PUMP
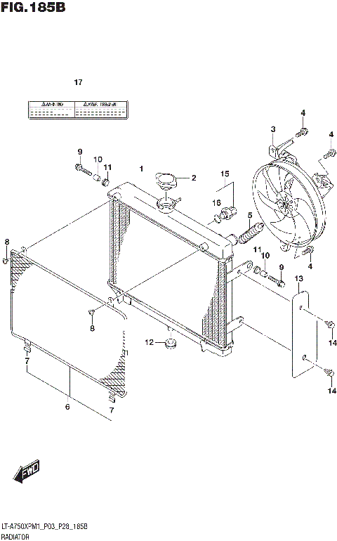
RADIATOR (P28)
RADIATOR HOSE
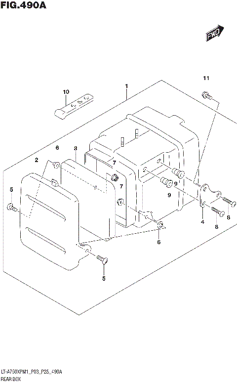
REAR BOX
REAR BRAKE
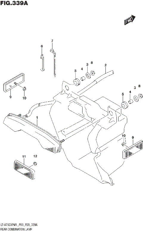
REAR COMBINATION LAMP
REAR DRIVE SHAFT
REAR FENDER
REAR SHOCK ABSORBER
REAR SUSPENSION ARM
RECOIL COVER
RH REAR WHEEL (LT-A750XP)
RH REAR WHEEL (LT-A750XPZ)
SEAT
SECONDARY DRIVE
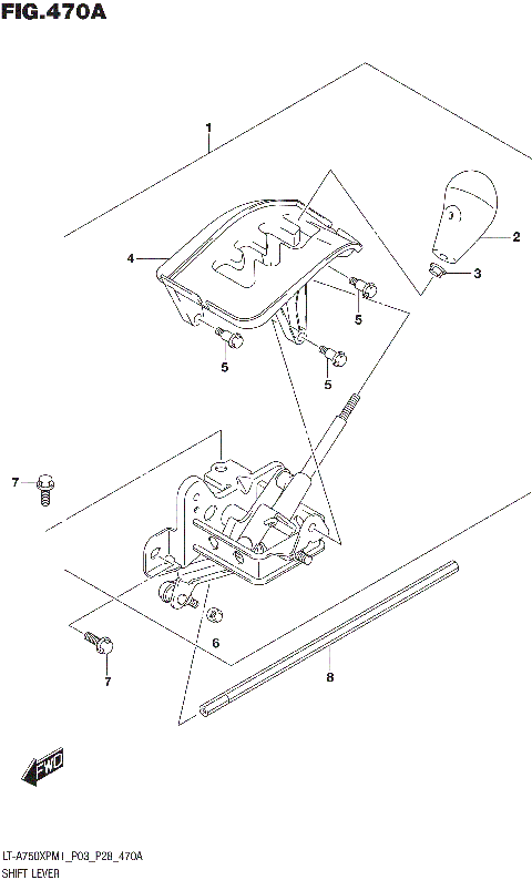
SHIFT LEVER
SPEEDOMETER (P28)
STARTER CLUTCH
STARTING MOTOR
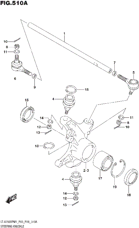
STEERING KNUCKLE
STEERING SHAFT
THROTTLE BODY (P33)
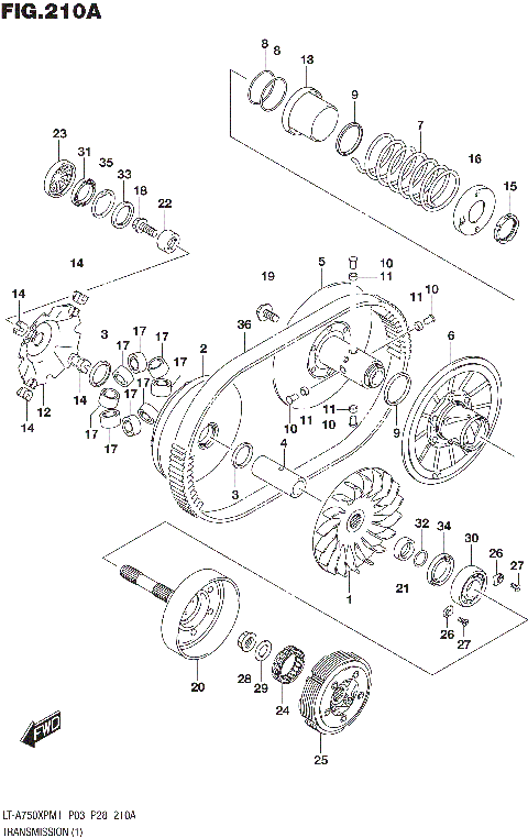
TRANSMISSION (1)
TRANSMISSION (2)
WATER PUMP
WIRING HARNESS (P33)
COLOR CHART
2ND AIR (P33)
AIR CLEANER
BATTERY
BELT COOLING DUCT
BRAKE PEDAL
CAM CHAIN
CAMSHAFT/VALVE
CARRIER (P28)
CRANK BALANCER
CRANKCASE
CRANKCASE COVER
CRANKSHAFT
CYLINDER
CYLINDER HEAD
CYLINDER HEAD COVER
ELECTRICAL (P33)
EVAP SYSTEM (P33)
FINAL BEVEL GEAR (FRONT)
FINAL BEVEL GEAR (REAR)
FOOTREST
FRAME
FRONT BOX
FRONT BRAKE HOSE
FRONT CALIPER
FRONT DRIVE SHAFT
FRONT FENDER
FRONT GRILLE
FRONT MASTER CYLINDER
FRONT SUSPENSION ARM
FRONT WHEEL (LT-A750XP)
FRONT WHEEL (LT-A750XPZ)
FUEL PUMP
FUEL TANK (P33)
GASKET SET
GEAR SHIFTING
HANDLE COVER
HANDLE LEVER
HANDLEBAR
HEADLAMP
LABEL (P28)
LH REAR WHEEL (LT-A750XP)
LH REAR WHEEL (LT-A750XPZ)
MAGNETO
MUDGUARD
MUFFLER
OIL PUMP
RADIATOR (P28)
RADIATOR HOSE
REAR BOX
REAR BRAKE
REAR COMBINATION LAMP
REAR DRIVE SHAFT
REAR FENDER
REAR SHOCK ABSORBER
REAR SUSPENSION ARM
RECOIL COVER
RH REAR WHEEL (LT-A750XP)
RH REAR WHEEL (LT-A750XPZ)
SEAT
SECONDARY DRIVE
SHIFT LEVER
SPEEDOMETER (P28)
STARTER CLUTCH
STARTING MOTOR
STEERING KNUCKLE
STEERING SHAFT
THROTTLE BODY (P33)
TRANSMISSION (1)
TRANSMISSION (2)
WATER PUMP
WIRING HARNESS (P33)
VIEW WISH LIST