Columbia, SC
|
Give Us a Call
(803) 750-7050
|
EST. 1976
|
Toggle navigation
Home
Brands
Manufacturer Models
OEM Promotions
Can-Am
Sea-Doo
CFMoto
SSR Motorsports
Yamaha
Kawasaki
Suzuki
Inventory
All Inventory In Stock
New Inventory In Stock
Pre-Owned Inventory
SxS
ATVs
PTVs
Motorcycles
3-Wheel
Personal Watercraft
Scooters
Pontoons
Value Your Trade-In
Request a Model
Secure Financing
Featured Specials
Parts
Parts Department
Parts Finder
Service
Service Department
Warranty & Recall Look-Up
Shop
Parts Finder
Shopping Cart
Financing
About
Our Dealership
Employment
Reviews
Customer Survey
Location & Hours
Contact
Fiche | Parts Diagrams
Home
›
Parts
›
Parts Finder
Search by :
Part / Desc
VIN
Please Select
Can-Am
CFMOTO
Kawasaki
Sea-Doo
Suzuki
Yamaha
*Please enter at least 3 characters
SEARCH
Manufacturer
Suzuki
ATVs
2025
KingQuad 750AXi, Power Steering (LT,A750XM5,XPM5,XPZM5,XPZCM5,XPZSM45
VIEW WISH LIST
Select a Section
Show/Hide
COLOR CHART
2ND AIR (P03,P28)
2ND AIR (P33)
AIR CLEANER
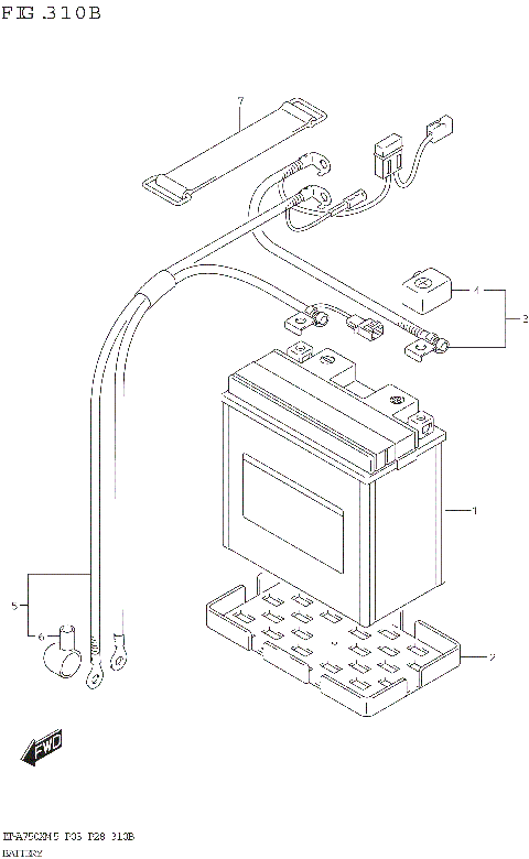
BATTERY (LT-A750X)
BATTERY (LT-A750XP,LT-A750XPZ)
BELT COOLING DUCT
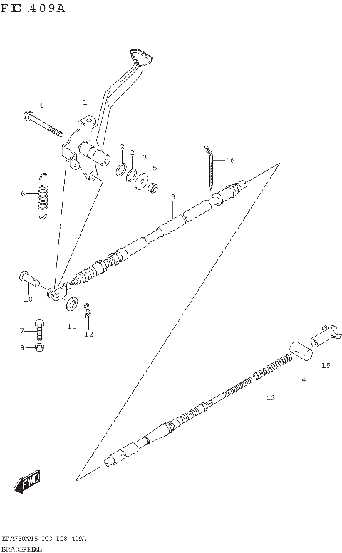
BRAKE PEDAL
CAM CHAIN
CAMSHAFT/VALVE
CARRIER ((LT-A750XP,LT-A750XPZ):(P03,P33))
CARRIER ((LT-A750XP,LT-A750XPZ):P28)
CARRIER (LT-A750X:(P03,P33))
CARRIER (LT-A750X:P28)
CRANK BALANCER
CRANKCASE
CRANKCASE COVER
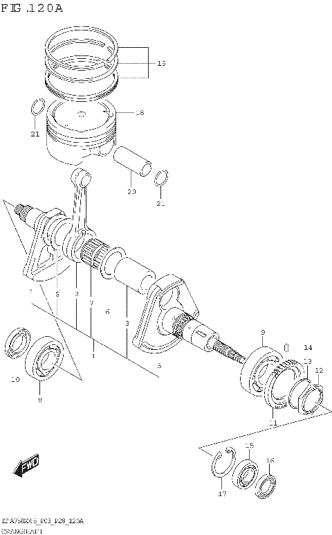
CRANKSHAFT
CYLINDER
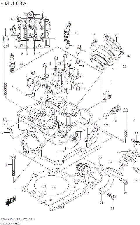
CYLINDER HEAD
CYLINDER HEAD COVER
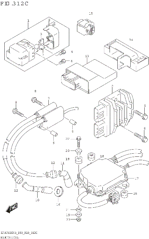
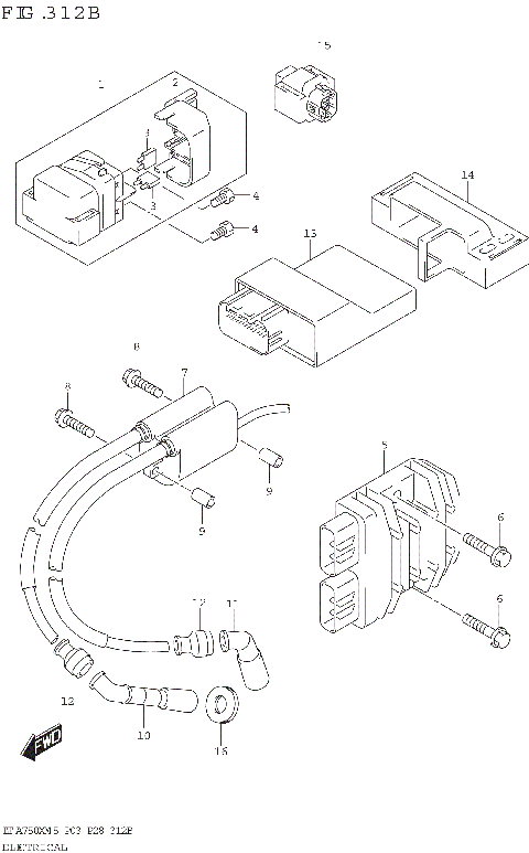
ELECTRICAL ((LT-A750XP,LT-A750XPZ):(P03,P28))
ELECTRICAL ((LT-A750XP,LT-A750XPZ):P33)
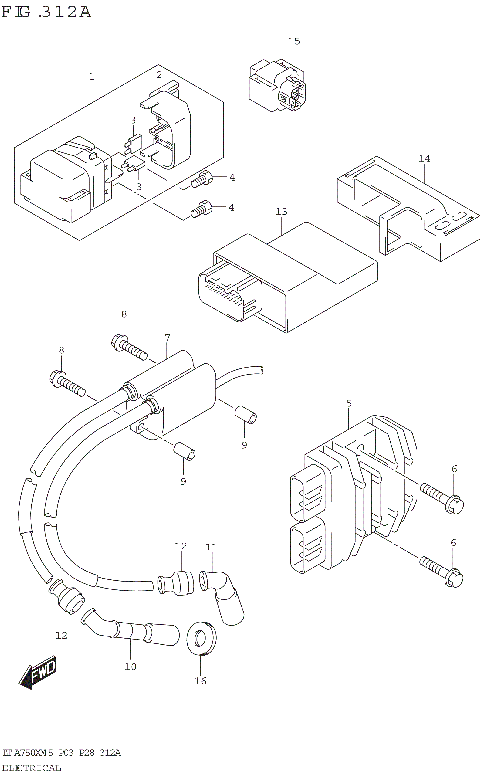
ELECTRICAL (LT-A750X:(P03,P28))
ELECTRICAL (LT-A750X:P33)
EVAP SYSTEM (P33)
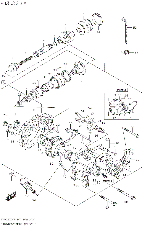
FINAL BEVEL GEAR (FRONT)
FINAL BEVEL GEAR (REAR)
FOOTREST
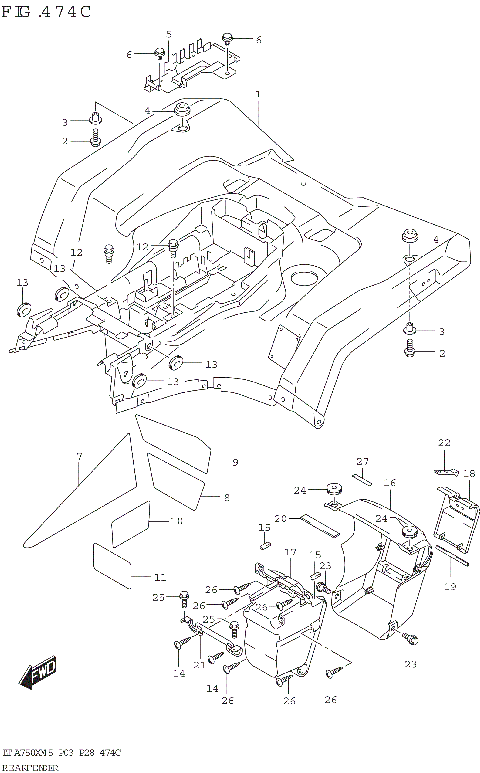
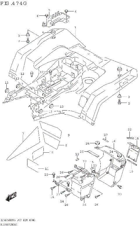
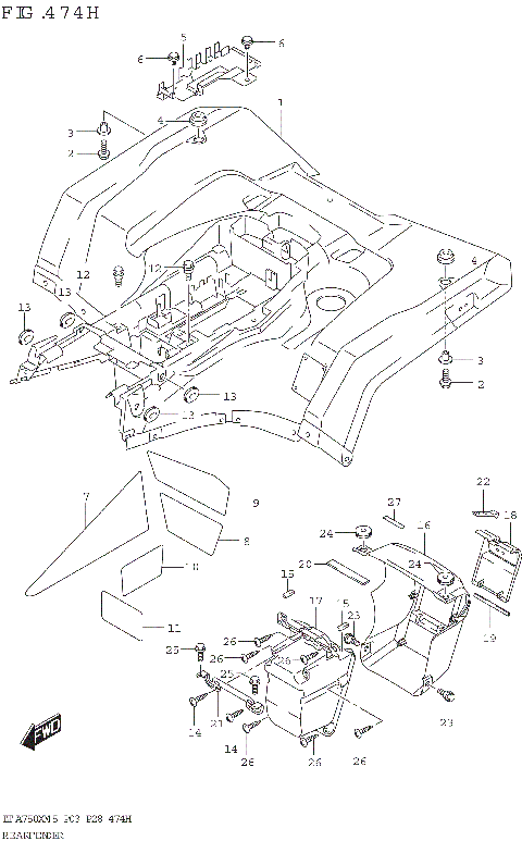
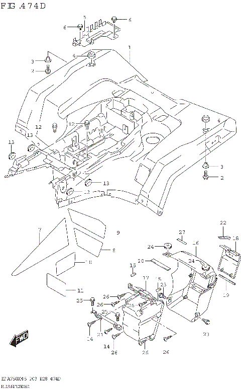
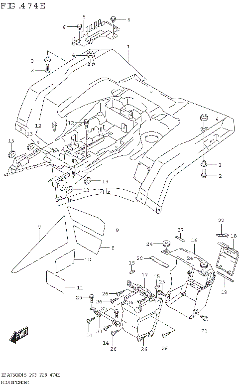
FRAME
FRONT BOX
FRONT BRAKE HOSE
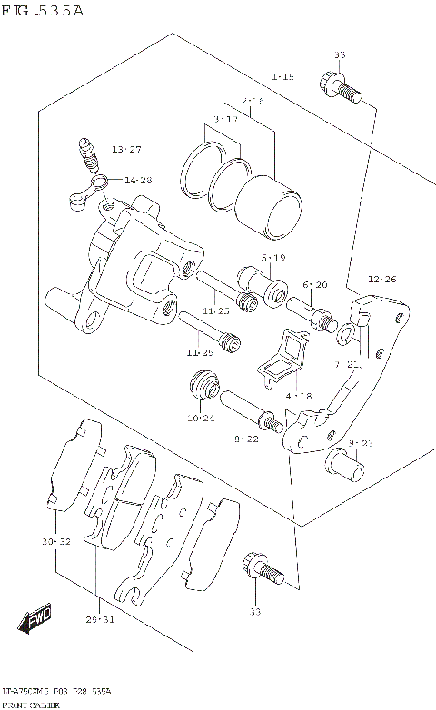
FRONT CALIPER
FRONT DRIVE SHAFT
FRONT FENDER (LT-A750X:(P03,P33))
FRONT FENDER (LT-A750X:P28)
FRONT FENDER (LT-A750XP:(P03,P33))
FRONT FENDER (LT-A750XP:P28)
FRONT FENDER (LT-A750XPZ:(P03,P33))
FRONT FENDER (LT-A750XPZ:P28)
FRONT GRILLE
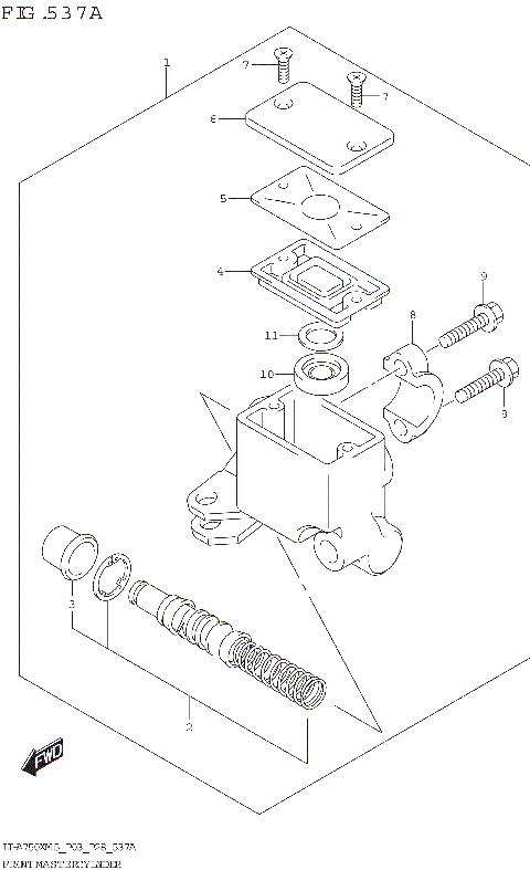
FRONT MASTER CYLINDER
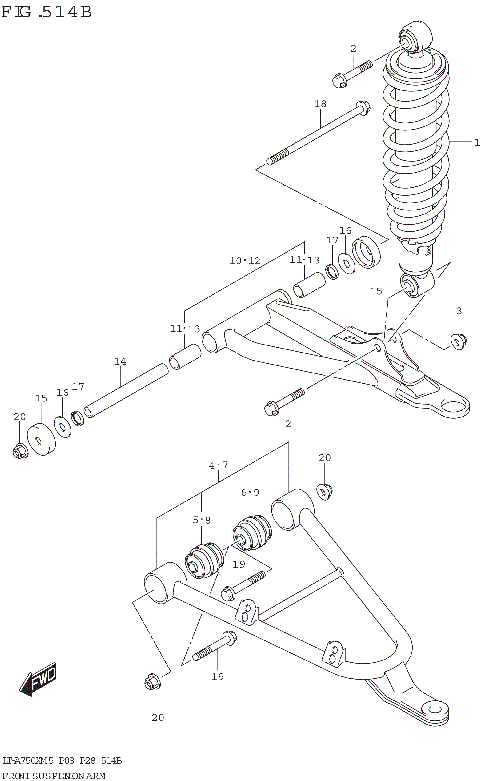
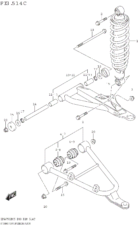
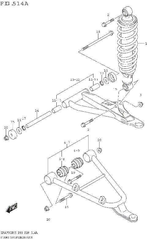
FRONT SUSPENSION ARM (LT-A750X)
FRONT SUSPENSION ARM (LT-A750XP)
FRONT SUSPENSION ARM (LT-A750XPZ)
FRONT WHEEL (LT-A750X)
FRONT WHEEL (LT-A750XP)
FRONT WHEEL (LT-A750XPZ)
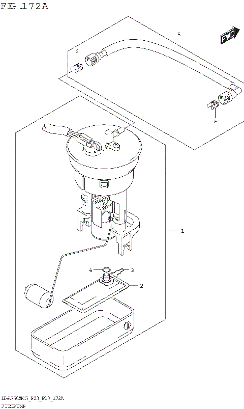
FUEL PUMP
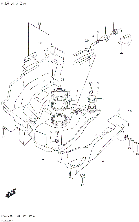
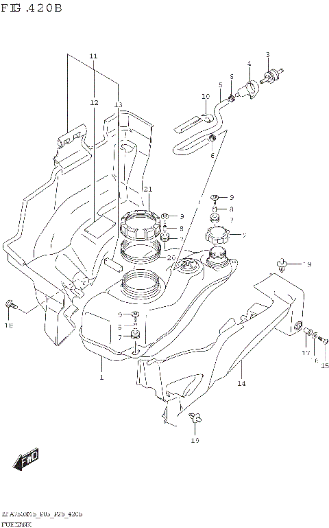
FUEL TANK (P03,P28)
FUEL TANK (P33)
GASKET SET
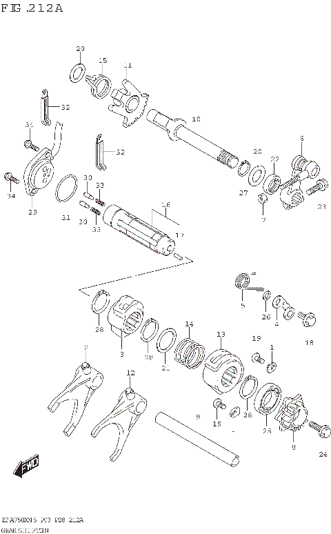
GEAR SHIFTING
HANDLE COVER (LT-A750X:(P03,P33))
HANDLE COVER (LT-A750X:P28)
HANDLE COVER (LT-A750XP:(P03,P33))
HANDLE COVER (LT-A750XP:P28)
HANDLE COVER (LT-A750XPZ:(P03,P33))
HANDLE COVER (LT-A750XPZ:P28)
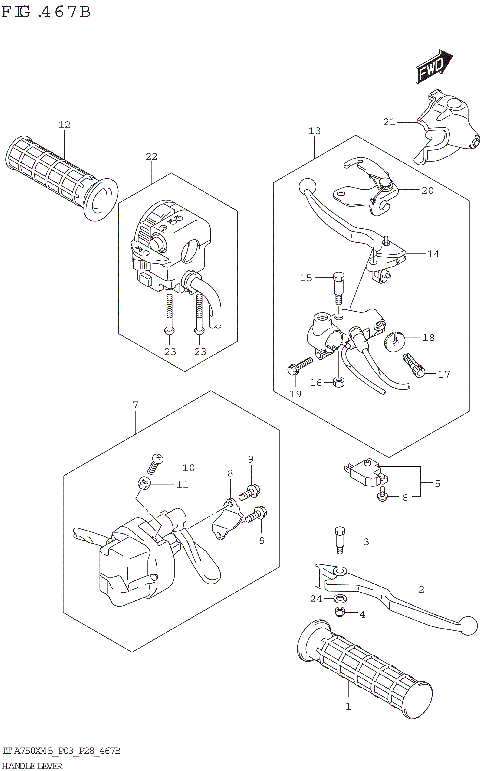
HANDLE LEVER (LT-A750X)
HANDLE LEVER (LT-A750XP,LT-A750XPZ)
HANDLEBAR (LT-A750X)
HANDLEBAR (LT-A750XP,LT-A750XPZ)
HEADLAMP
KNUCKLE COVER (LT-A750XP,LT-A750XPZ)
LABEL (P03)
LABEL (P28)
LABEL (P33)
LH REAR WHEEL (LT-A750X)
LH REAR WHEEL (LT-A750XP)
LH REAR WHEEL (LT-A750XPZ)
MAGNETO
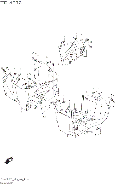
MUDGUARD
MUFFLER
OIL PUMP
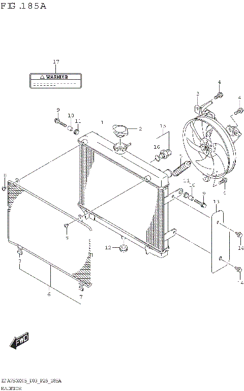
RADIATOR (P03,P33)
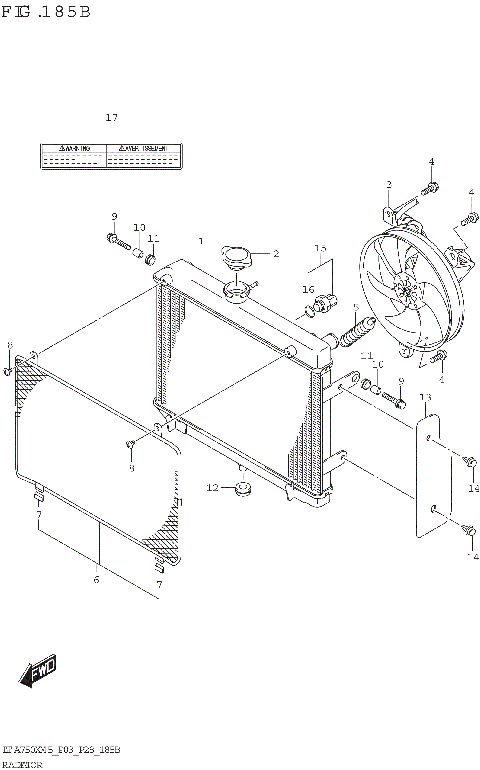
RADIATOR (P28)
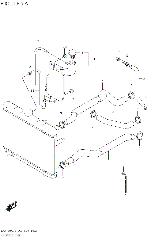
RADIATOR HOSE
REAR BOX
REAR BRAKE
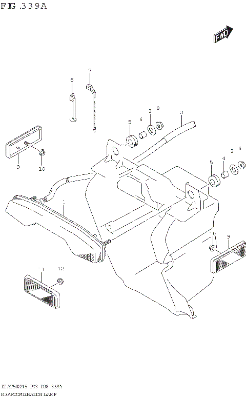
REAR COMBINATION LAMP
REAR DRIVE SHAFT
REAR FENDER (LT-A750X:(P03,P33))
REAR FENDER (LT-A750X:P28)
REAR FENDER (LT-A750XP:(P03,P33))
REAR FENDER (LT-A750XP:P28)
REAR FENDER (LT-A750XPZ:(P03,P33))
REAR FENDER (LT-A750XPZ:P28)
REAR SHOCK ABSORBER (LT-A750X)
REAR SHOCK ABSORBER (LT-A750XP)
REAR SHOCK ABSORBER (LT-A750XPZ)
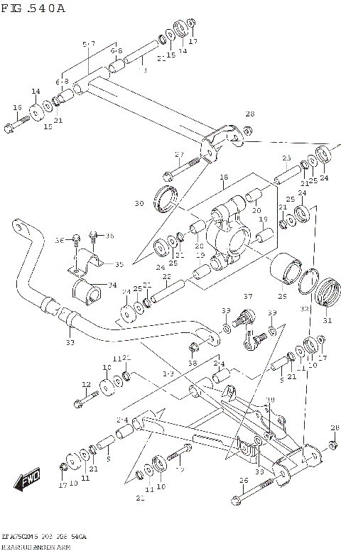
REAR SUSPENSION ARM
RECOIL COVER
RH REAR WHEEL (LT-A750X)
RH REAR WHEEL (LT-A750XP)
RH REAR WHEEL (LT-A750XPZ)
SEAT
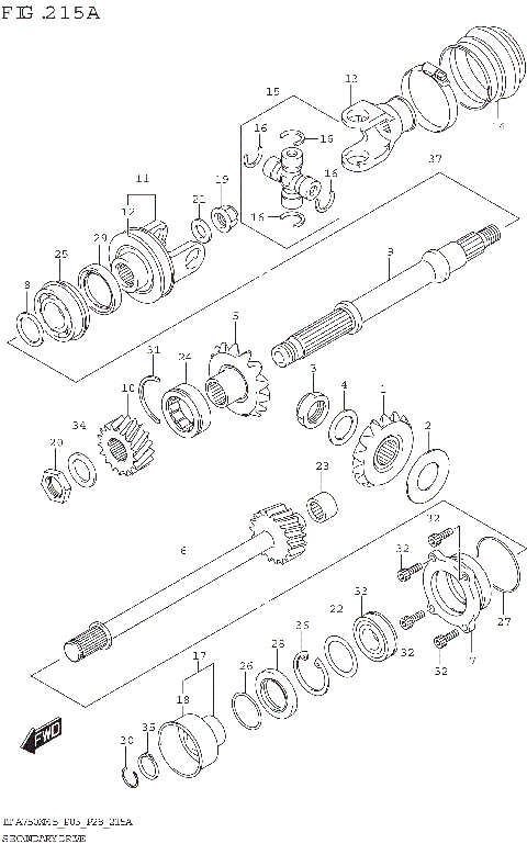
SECONDARY DRIVE
SHIFT LEVER
SPEEDOMETER ((LT-A750XP,LT-A750XPZ):(P03,P33))
SPEEDOMETER ((LT-A750XP,LT-A750XPZ):P28)
SPEEDOMETER (LT-A750X:(P03,P33))
SPEEDOMETER (LT-A750X:P28)
STARTER CLUTCH
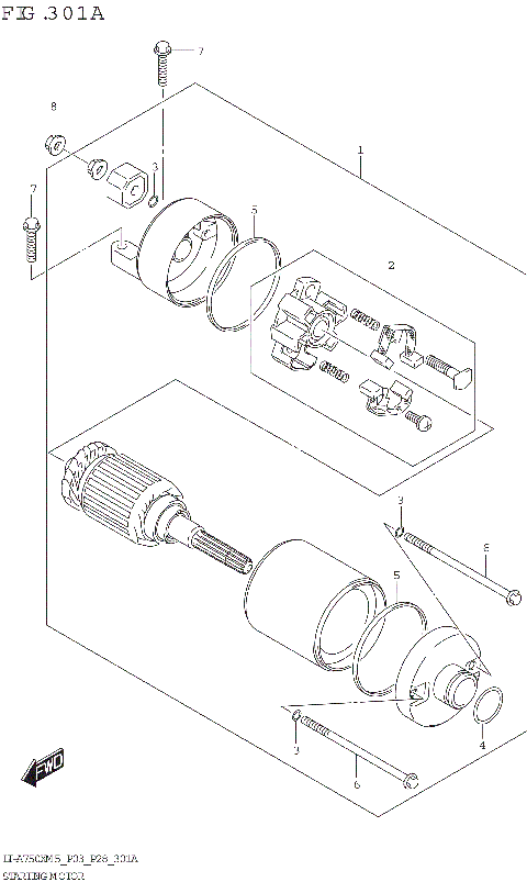
STARTING MOTOR
STEERING KNUCKLE
STEERING SHAFT (LT-A750X)
STEERING SHAFT (LT-A750XP)
STEERING SHAFT (LT-A750XPZ)
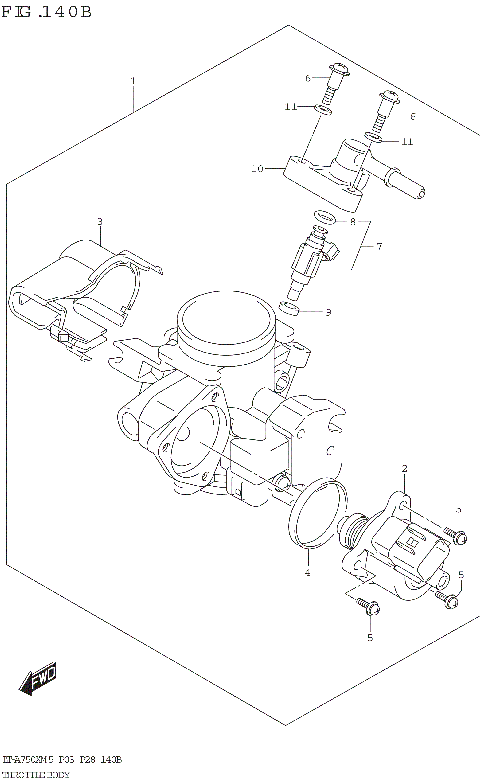
THROTTLE BODY (P03,P28)
THROTTLE BODY (P33)
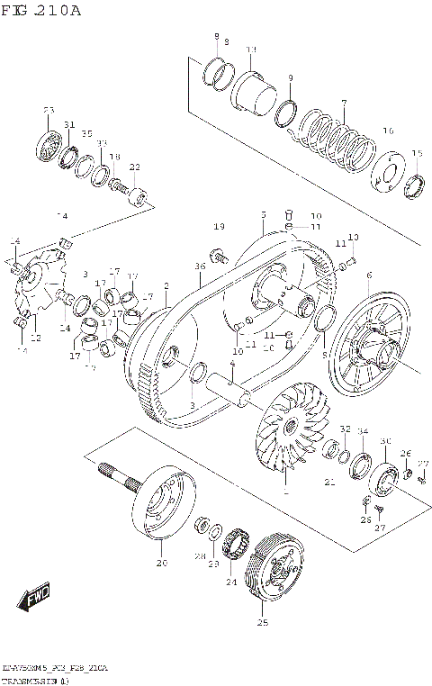
TRANSMISSION (1)
TRANSMISSION (2)
WATER PUMP
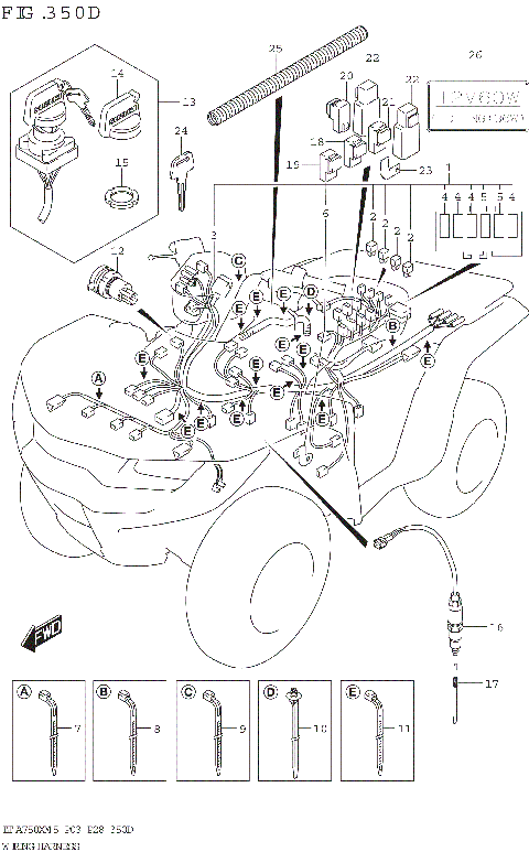
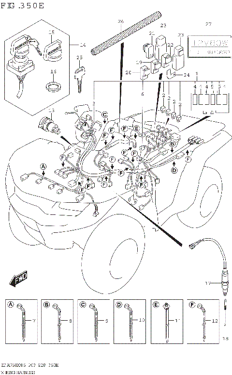
WIRING HARNESS ((LT-A750XP,LT-A750XPZ):(P03,P28))
WIRING HARNESS ((LT-A750XP,LT-A750XPZ):P33)
WIRING HARNESS (LT-A750X:(P03,P28))
WIRING HARNESS (LT-A750X:P33)
COLOR CHART
2ND AIR (P03,P28)
2ND AIR (P33)
AIR CLEANER
BATTERY (LT-A750X)
BATTERY (LT-A750XP,LT-A750XPZ)
BELT COOLING DUCT
BRAKE PEDAL
CAM CHAIN
CAMSHAFT/VALVE
CARRIER ((LT-A750XP,LT-A750XPZ):(P03,P33))
CARRIER ((LT-A750XP,LT-A750XPZ):P28)
CARRIER (LT-A750X:(P03,P33))
CARRIER (LT-A750X:P28)
CRANK BALANCER
CRANKCASE
CRANKCASE COVER
CRANKSHAFT
CYLINDER
CYLINDER HEAD
CYLINDER HEAD COVER
ELECTRICAL ((LT-A750XP,LT-A750XPZ):(P03,P28))
ELECTRICAL ((LT-A750XP,LT-A750XPZ):P33)
ELECTRICAL (LT-A750X:(P03,P28))
ELECTRICAL (LT-A750X:P33)
EVAP SYSTEM (P33)
FINAL BEVEL GEAR (FRONT)
FINAL BEVEL GEAR (REAR)
FOOTREST
FRAME
FRONT BOX
FRONT BRAKE HOSE
FRONT CALIPER
FRONT DRIVE SHAFT
FRONT FENDER (LT-A750X:(P03,P33))
FRONT FENDER (LT-A750X:P28)
FRONT FENDER (LT-A750XP:(P03,P33))
FRONT FENDER (LT-A750XP:P28)
FRONT FENDER (LT-A750XPZ:(P03,P33))
FRONT FENDER (LT-A750XPZ:P28)
FRONT GRILLE
FRONT MASTER CYLINDER
FRONT SUSPENSION ARM (LT-A750X)
FRONT SUSPENSION ARM (LT-A750XP)
FRONT SUSPENSION ARM (LT-A750XPZ)
FRONT WHEEL (LT-A750X)
FRONT WHEEL (LT-A750XP)
FRONT WHEEL (LT-A750XPZ)
FUEL PUMP
FUEL TANK (P03,P28)
FUEL TANK (P33)
GASKET SET
GEAR SHIFTING
HANDLE COVER (LT-A750X:(P03,P33))
HANDLE COVER (LT-A750X:P28)
HANDLE COVER (LT-A750XP:(P03,P33))
HANDLE COVER (LT-A750XP:P28)
HANDLE COVER (LT-A750XPZ:(P03,P33))
HANDLE COVER (LT-A750XPZ:P28)
HANDLE LEVER (LT-A750X)
HANDLE LEVER (LT-A750XP,LT-A750XPZ)
HANDLEBAR (LT-A750X)
HANDLEBAR (LT-A750XP,LT-A750XPZ)
HEADLAMP
KNUCKLE COVER (LT-A750XP,LT-A750XPZ)
LABEL (P03)
LABEL (P28)
LABEL (P33)
LH REAR WHEEL (LT-A750X)
LH REAR WHEEL (LT-A750XP)
LH REAR WHEEL (LT-A750XPZ)
MAGNETO
MUDGUARD
MUFFLER
OIL PUMP
RADIATOR (P03,P33)
RADIATOR (P28)
RADIATOR HOSE
REAR BOX
REAR BRAKE
REAR COMBINATION LAMP
REAR DRIVE SHAFT
REAR FENDER (LT-A750X:(P03,P33))
REAR FENDER (LT-A750X:P28)
REAR FENDER (LT-A750XP:(P03,P33))
REAR FENDER (LT-A750XP:P28)
REAR FENDER (LT-A750XPZ:(P03,P33))
REAR FENDER (LT-A750XPZ:P28)
REAR SHOCK ABSORBER (LT-A750X)
REAR SHOCK ABSORBER (LT-A750XP)
REAR SHOCK ABSORBER (LT-A750XPZ)
REAR SUSPENSION ARM
RECOIL COVER
RH REAR WHEEL (LT-A750X)
RH REAR WHEEL (LT-A750XP)
RH REAR WHEEL (LT-A750XPZ)
SEAT
SECONDARY DRIVE
SHIFT LEVER
SPEEDOMETER ((LT-A750XP,LT-A750XPZ):(P03,P33))
SPEEDOMETER ((LT-A750XP,LT-A750XPZ):P28)
SPEEDOMETER (LT-A750X:(P03,P33))
SPEEDOMETER (LT-A750X:P28)
STARTER CLUTCH
STARTING MOTOR
STEERING KNUCKLE
STEERING SHAFT (LT-A750X)
STEERING SHAFT (LT-A750XP)
STEERING SHAFT (LT-A750XPZ)
THROTTLE BODY (P03,P28)
THROTTLE BODY (P33)
TRANSMISSION (1)
TRANSMISSION (2)
WATER PUMP
WIRING HARNESS ((LT-A750XP,LT-A750XPZ):(P03,P28))
WIRING HARNESS ((LT-A750XP,LT-A750XPZ):P33)
WIRING HARNESS (LT-A750X:(P03,P28))
WIRING HARNESS (LT-A750X:P33)
VIEW WISH LIST