Columbia, SC
|
Give Us a Call
(803) 750-7050
|
EST. 1976
|
Toggle navigation
Home
Brands
Manufacturer Models
OEM Promotions
Can-Am
Sea-Doo
CFMoto
SSR Motorsports
Yamaha
Kawasaki
Suzuki
Inventory
All Inventory In Stock
New Inventory In Stock
Pre-Owned Inventory
SxS
ATVs
PTVs
Motorcycles
3-Wheel
Personal Watercraft
Scooters
Pontoons
Value Your Trade-In
Request a Model
Secure Financing
Featured Specials
Parts
Parts Department
Parts Finder
Service
Service Department
Warranty & Recall Look-Up
Shop
Parts Finder
Shopping Cart
Financing
About
Our Dealership
Employment
Reviews
Customer Survey
Location & Hours
Contact
Fiche | Parts Diagrams
Home
›
Parts
›
Parts Finder
Search by :
Part / Desc
VIN
Please Select
Can-Am
CFMOTO
Kawasaki
Sea-Doo
Suzuki
Yamaha
*Please enter at least 3 characters
SEARCH
Manufacturer
Suzuki
Motorcycles
2024
GSX,8R (GSX800FRQM4)
VIEW WISH LIST
Select a Section
Show/Hide
COLOR CHART
2ND AIR
AIR CLEANER
BATTERY
CAM CHAIN
CAMSHAFT/VALVE
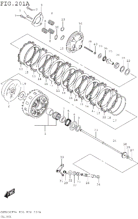
CLUTCH
CLUTCH COVER
CONTROL CABLE
COWLING BODY
CRANK BALANCER
CRANKCASE
CRANKCASE (2)
CRANKSHAFT
CYLINDER
CYLINDER HEAD
CYLINDER HEAD COVER
ELECTRIC POWER CONTROL UNIT
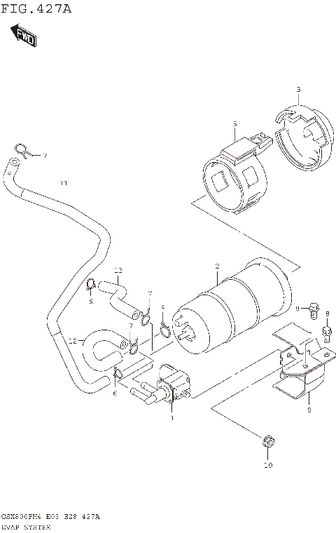
EVAP SYSTEM
FOOTREST
FRAME
FRAME BODY COVER
FRAME CENTER COVER
FRONT BRAKE HOSE
FRONT CALIPER
FRONT FENDER
FRONT FORK DAMPER
FRONT MASTER CYLINDER
FRONT WHEEL
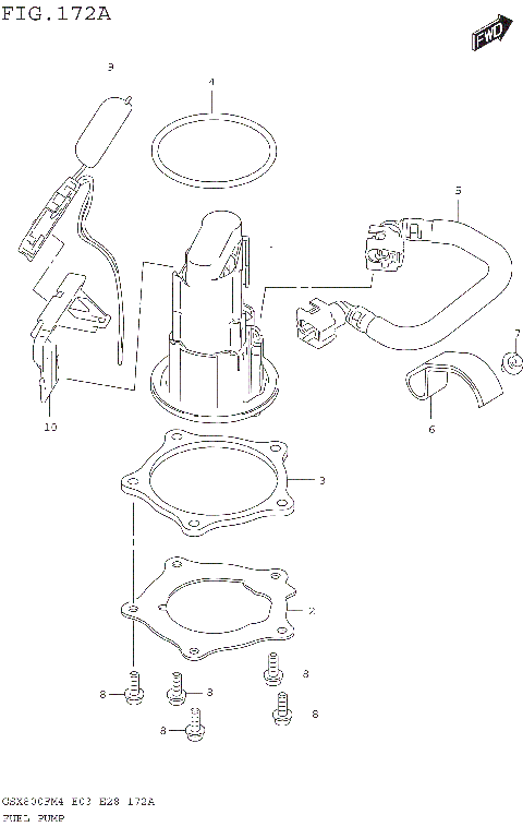
FUEL PUMP
FUEL TANK
FUEL TANK FRONT COVER
GASKET SET
GEAR SHIFTING
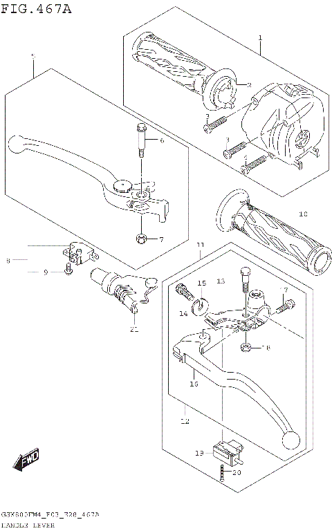
HANDLE LEVER
HANDLE SWITCH
HANDLEBAR
HEADLAMP
HOLDER
HYDRAULIC UNIT
IGNITION COIL
LABEL (E03)
LABEL (E28)
LABEL (E33)
LOCK SET
MAGNETO
MAGNETO COVER
MANUAL/TOOLS (E03,E33)
MANUAL/TOOLS (E28)
MUFFLER
OIL COOLER
OIL PAN/OIL PUMP
PILLION FOOTREST
RADIATOR
RADIATOR HOSE
REAR BRAKE HOSE
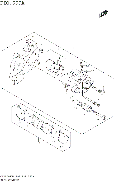
REAR CALIPER
REAR COMBINATION LAMP
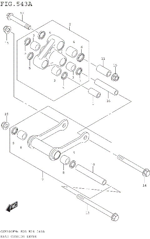
REAR CUSHION LEVER
REAR FENDER
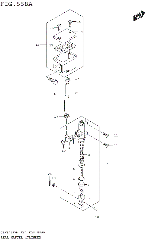
REAR MASTER CYLINDER
REAR SHOCK ABSORBER
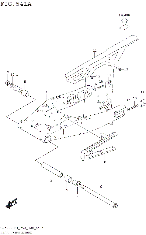
REAR SWINGINGARM
REAR VIEW MIRROR
REAR WHEEL
RECTIFIER
SEAT
SIDE COVER
SIDE COWLING
SIDE REAR COVER
SPEED SENSOR
SPEEDOMETER (E03,E33)
SPEEDOMETER (E28)
STAND
STARTER CLUTCH
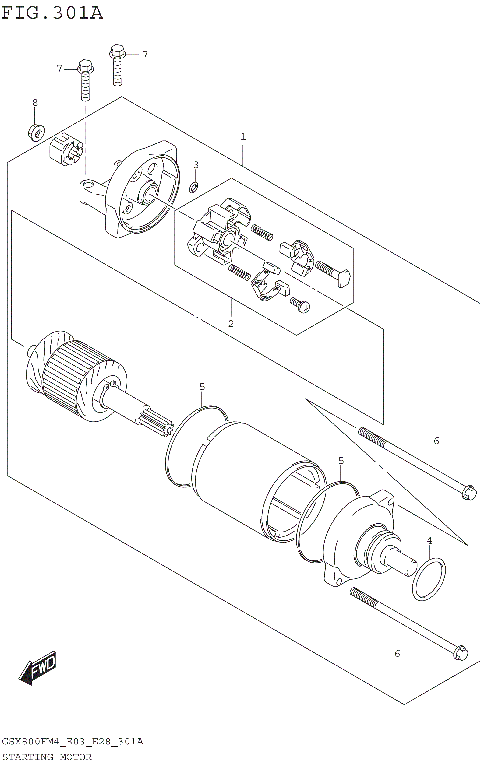
STARTING MOTOR
STARTOR RELAY
STEERING STEM
THROTTLE BODY (E03,E28)
THROTTLE BODY (E33)
TRANSMISSION
TURNSIGNAL LAMP
UNDER COWLING
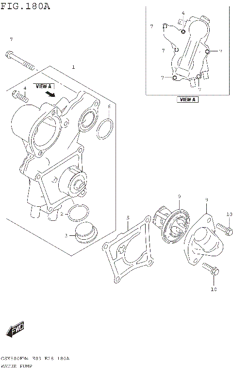
WATER PUMP
WIRING HARNESS
COLOR CHART
2ND AIR
AIR CLEANER
BATTERY
CAM CHAIN
CAMSHAFT/VALVE
CLUTCH
CLUTCH COVER
CONTROL CABLE
COWLING BODY
CRANK BALANCER
CRANKCASE
CRANKCASE (2)
CRANKSHAFT
CYLINDER
CYLINDER HEAD
CYLINDER HEAD COVER
ELECTRIC POWER CONTROL UNIT
EVAP SYSTEM
FOOTREST
FRAME
FRAME BODY COVER
FRAME CENTER COVER
FRONT BRAKE HOSE
FRONT CALIPER
FRONT FENDER
FRONT FORK DAMPER
FRONT MASTER CYLINDER
FRONT WHEEL
FUEL PUMP
FUEL TANK
FUEL TANK FRONT COVER
GASKET SET
GEAR SHIFTING
HANDLE LEVER
HANDLE SWITCH
HANDLEBAR
HEADLAMP
HOLDER
HYDRAULIC UNIT
IGNITION COIL
LABEL (E03)
LABEL (E28)
LABEL (E33)
LOCK SET
MAGNETO
MAGNETO COVER
MANUAL/TOOLS (E03,E33)
MANUAL/TOOLS (E28)
MUFFLER
OIL COOLER
OIL PAN/OIL PUMP
PILLION FOOTREST
RADIATOR
RADIATOR HOSE
REAR BRAKE HOSE
REAR CALIPER
REAR COMBINATION LAMP
REAR CUSHION LEVER
REAR FENDER
REAR MASTER CYLINDER
REAR SHOCK ABSORBER
REAR SWINGINGARM
REAR VIEW MIRROR
REAR WHEEL
RECTIFIER
SEAT
SIDE COVER
SIDE COWLING
SIDE REAR COVER
SPEED SENSOR
SPEEDOMETER (E03,E33)
SPEEDOMETER (E28)
STAND
STARTER CLUTCH
STARTING MOTOR
STARTOR RELAY
STEERING STEM
THROTTLE BODY (E03,E28)
THROTTLE BODY (E33)
TRANSMISSION
TURNSIGNAL LAMP
UNDER COWLING
WATER PUMP
WIRING HARNESS
VIEW WISH LIST