Columbia, SC
|
Give Us a Call
(803) 750-7050
|
EST. 1976
|
Toggle navigation
Home
Brands
Manufacturer Models
OEM Promotions
Can-Am
Sea-Doo
CFMoto
SSR Motorsports
Yamaha
Kawasaki
Suzuki
Inventory
All Inventory In Stock
New Inventory In Stock
Pre-Owned Inventory
SxS
ATVs
PTVs
Motorcycles
3-Wheel
Personal Watercraft
Scooters
Pontoons
Value Your Trade-In
Request a Model
Secure Financing
Featured Specials
Parts
Parts Department
Parts Finder
Service
Service Department
Warranty & Recall Look-Up
Shop
Parts Finder
Shopping Cart
Financing
About
Our Dealership
Employment
Reviews
Customer Survey
Location & Hours
Contact
Fiche | Parts Diagrams
Home
›
Parts
›
Parts Finder
Search by :
Part / Desc
VIN
Please Select
Can-Am
CFMOTO
Kawasaki
Sea-Doo
Suzuki
Yamaha
*Please enter at least 3 characters
SEARCH
Manufacturer
Suzuki
Motorcycles
2024
GSX,R750 (GSX,R750M4, ZM4)
VIEW WISH LIST
Select a Section
Show/Hide
COLOR CHART
2ND AIR
AIR CLEANER
AIR INTAKE PIPE (GSX-R750)
AIR INTAKE PIPE (GSX-R750Z)
BATTERY
CAM CHAIN
CAMSHAFT/VALVE
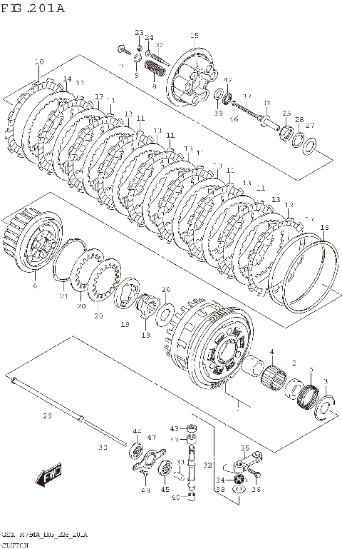
CLUTCH
COWLING BODY (GSX-R750)
COWLING BODY (GSX-R750Z)
CRANK BALANCER
CRANKCASE
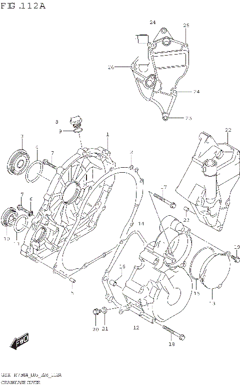
CRANKCASE COVER
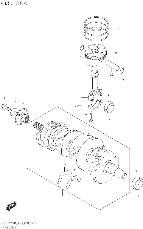
CRANKSHAFT
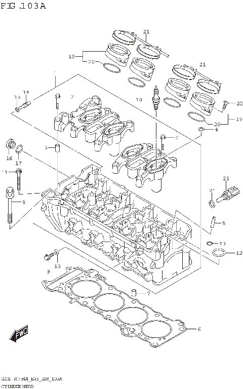
CYLINDER HEAD
CYLINDER HEAD COVER
ELECTRICAL (E03,E28)
ELECTRICAL (E33)
EVAP SYSTEM (E33)
FOOTREST
FRAME
FRAME COVER (GSX-R750)
FRAME COVER (GSX-R750Z)
FRONT BRAKE HOSE
FRONT CALIPER
FRONT FENDER (GSX-R750)
FRONT FENDER (GSX-R750Z)
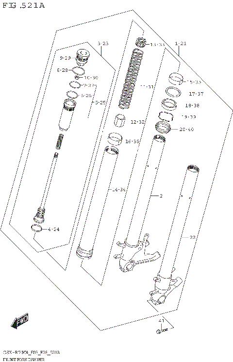
FRONT FORK DAMPER
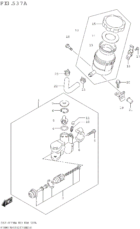
FRONT MASTER CYLINDER
FRONT WHEEL (GSX-R750)
FRONT WHEEL (GSX-R750Z)
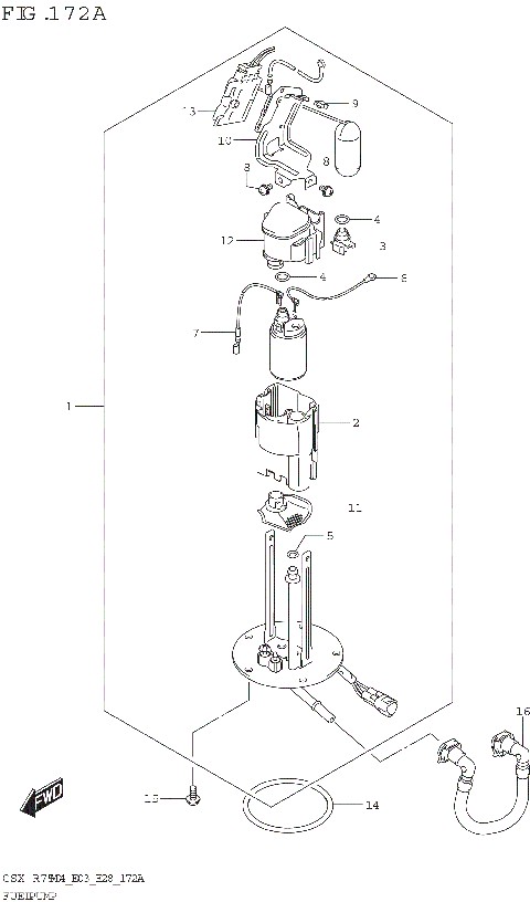
FUEL PUMP
FUEL TANK (GSX-R750:(E03,E28))
FUEL TANK (GSX-R750:E33)
FUEL TANK (GSX-R750Z:(E03,E28))
FUEL TANK (GSX-R750Z:E33)
FUEL TANK COVER (GSX-R750:(E03,E28))
FUEL TANK COVER (GSX-R750:E33)
FUEL TANK COVER (GSX-R750Z:(E03,E28))
FUEL TANK COVER (GSX-R750Z:E33)
GASKET SET
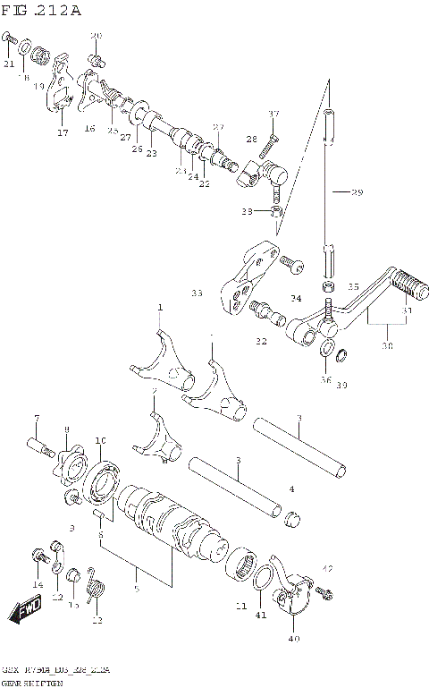
GEAR SHIFTING
GENERATOR
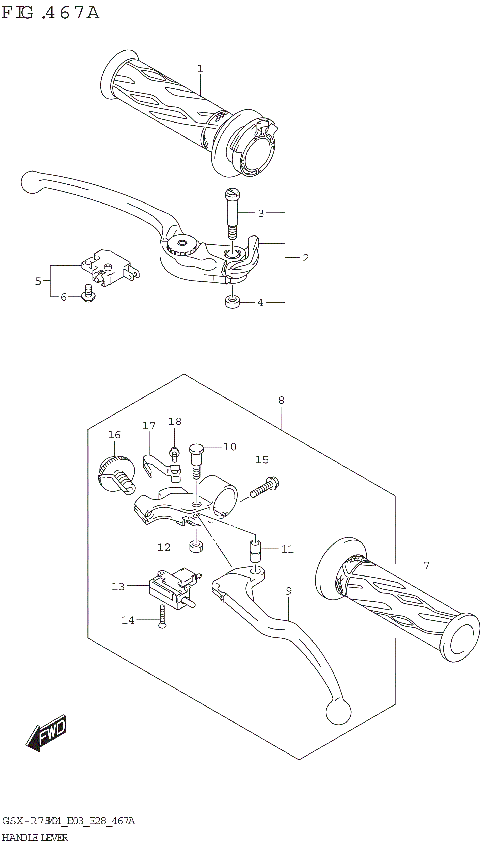
HANDLE LEVER
HANDLE SWITCH
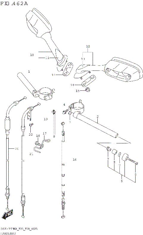
HANDLEBAR
HEADLAMP
INNER COWLING
LABEL (E03)
LABEL (E28)
LABEL (E33)
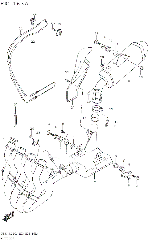
MUFFLER
OIL COOLER
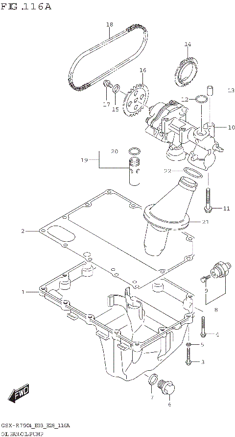
OIL PAN/OIL PUMP
RADIATOR
RADIATOR HOSE
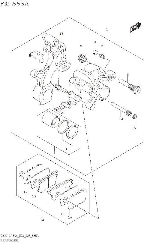
REAR CALIPER
REAR COMBINATION LAMP
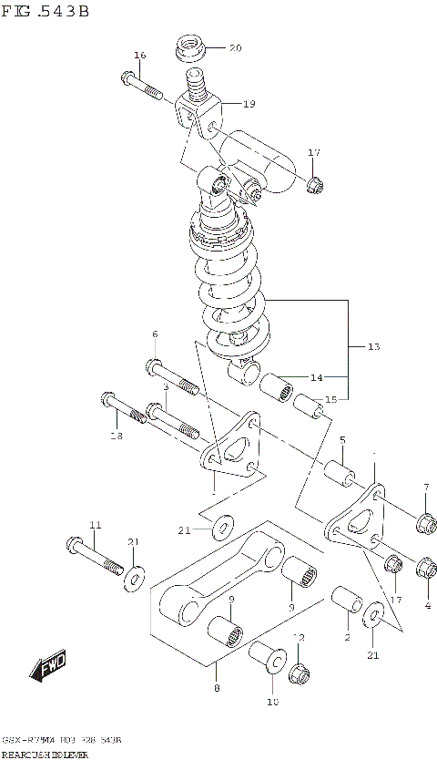
REAR CUSHION LEVER
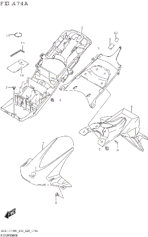
REAR FENDER
REAR MASTER CYLINDER
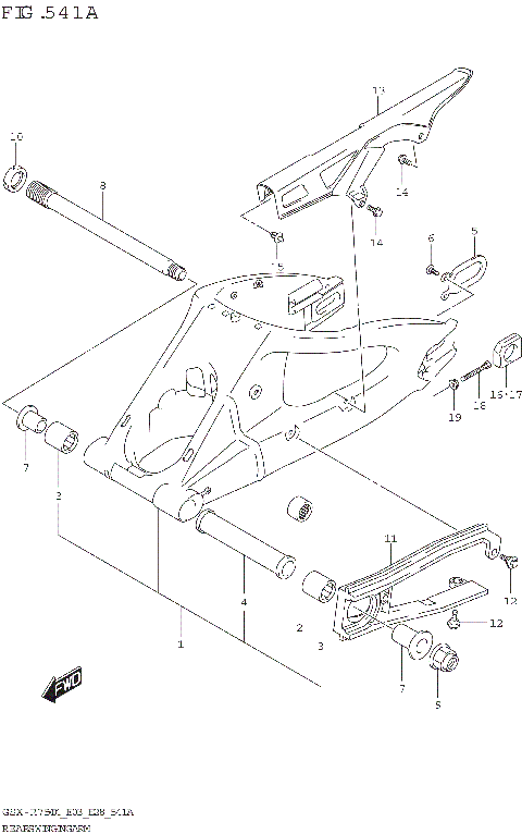
REAR SWINGINGARM
REAR WHEEL (GSX-R750)
REAR WHEEL (GSX-R750Z)
SEAT
SIDE COWLING (GSX-R750)
SIDE COWLING (GSX-R750Z)
SIGNAL GENERATOR
SPEEDOMETER (E03,E33)
SPEEDOMETER (E28)
STAND
STARTER CLUTCH
STARTING MOTOR
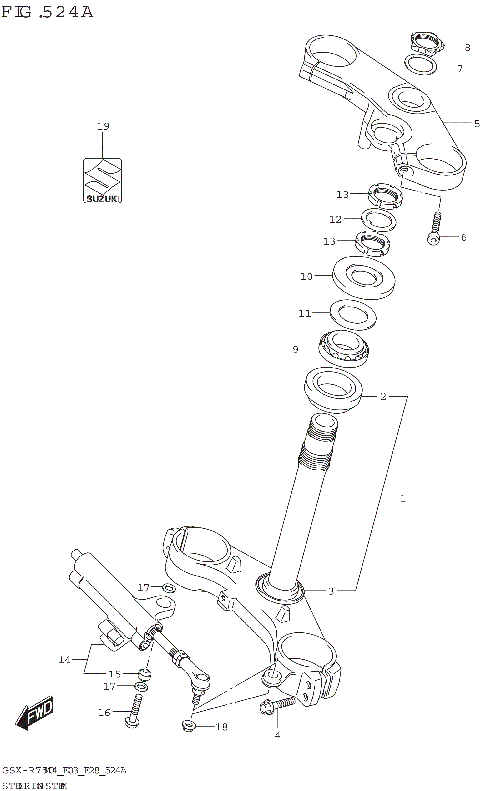
STEERING STEM
THROTTLE BODY (E03,E28)
THROTTLE BODY (E33)
THROTTLE BODY HOSE/JOINT (E03,E28)
THROTTLE BODY HOSE/JOINT (E33)
TRANSMISSION
TURNSIGNAL LAMP
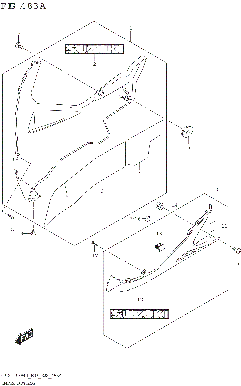
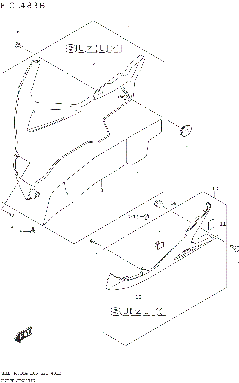
UNDER COWLING (GSX-R750)
UNDER COWLING (GSX-R750Z)
WATER PUMP
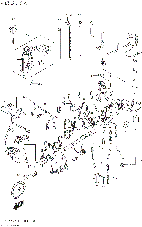
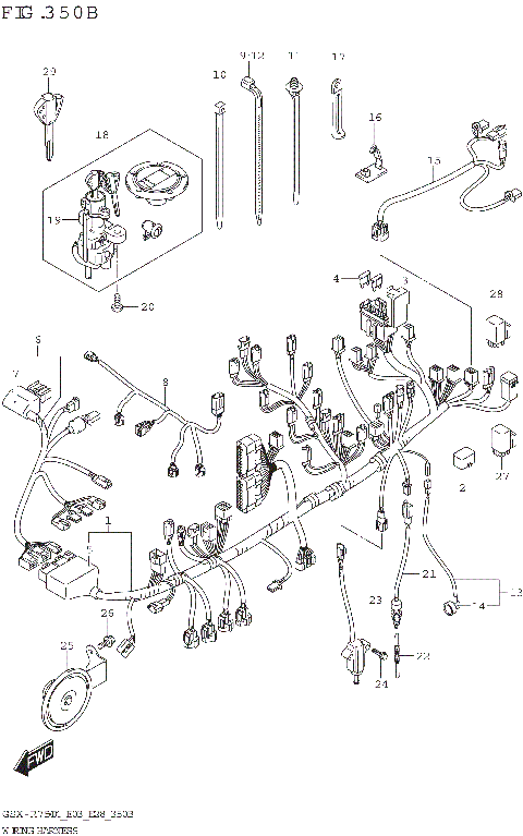
WIRING HARNESS (E03,E28)
WIRING HARNESS (E33)
COLOR CHART
2ND AIR
AIR CLEANER
AIR INTAKE PIPE (GSX-R750)
AIR INTAKE PIPE (GSX-R750Z)
BATTERY
CAM CHAIN
CAMSHAFT/VALVE
CLUTCH
COWLING BODY (GSX-R750)
COWLING BODY (GSX-R750Z)
CRANK BALANCER
CRANKCASE
CRANKCASE COVER
CRANKSHAFT
CYLINDER HEAD
CYLINDER HEAD COVER
ELECTRICAL (E03,E28)
ELECTRICAL (E33)
EVAP SYSTEM (E33)
FOOTREST
FRAME
FRAME COVER (GSX-R750)
FRAME COVER (GSX-R750Z)
FRONT BRAKE HOSE
FRONT CALIPER
FRONT FENDER (GSX-R750)
FRONT FENDER (GSX-R750Z)
FRONT FORK DAMPER
FRONT MASTER CYLINDER
FRONT WHEEL (GSX-R750)
FRONT WHEEL (GSX-R750Z)
FUEL PUMP
FUEL TANK (GSX-R750:(E03,E28))
FUEL TANK (GSX-R750:E33)
FUEL TANK (GSX-R750Z:(E03,E28))
FUEL TANK (GSX-R750Z:E33)
FUEL TANK COVER (GSX-R750:(E03,E28))
FUEL TANK COVER (GSX-R750:E33)
FUEL TANK COVER (GSX-R750Z:(E03,E28))
FUEL TANK COVER (GSX-R750Z:E33)
GASKET SET
GEAR SHIFTING
GENERATOR
HANDLE LEVER
HANDLE SWITCH
HANDLEBAR
HEADLAMP
INNER COWLING
LABEL (E03)
LABEL (E28)
LABEL (E33)
MUFFLER
OIL COOLER
OIL PAN/OIL PUMP
RADIATOR
RADIATOR HOSE
REAR CALIPER
REAR COMBINATION LAMP
REAR CUSHION LEVER
REAR FENDER
REAR MASTER CYLINDER
REAR SWINGINGARM
REAR WHEEL (GSX-R750)
REAR WHEEL (GSX-R750Z)
SEAT
SIDE COWLING (GSX-R750)
SIDE COWLING (GSX-R750Z)
SIGNAL GENERATOR
SPEEDOMETER (E03,E33)
SPEEDOMETER (E28)
STAND
STARTER CLUTCH
STARTING MOTOR
STEERING STEM
THROTTLE BODY (E03,E28)
THROTTLE BODY (E33)
THROTTLE BODY HOSE/JOINT (E03,E28)
THROTTLE BODY HOSE/JOINT (E33)
TRANSMISSION
TURNSIGNAL LAMP
UNDER COWLING (GSX-R750)
UNDER COWLING (GSX-R750Z)
WATER PUMP
WIRING HARNESS (E03,E28)
WIRING HARNESS (E33)
VIEW WISH LIST