Columbia, SC
|
Give Us a Call
(803) 750-7050
|
EST. 1976
|
Toggle navigation
Home
Brands
Manufacturer Models
OEM Promotions
Can-Am
Sea-Doo
CFMoto
SSR Motorsports
Yamaha
Kawasaki
Suzuki
Inventory
All Inventory In Stock
New Inventory In Stock
Pre-Owned Inventory
SxS
ATVs
PTVs
Motorcycles
3-Wheel
Personal Watercraft
Scooters
Pontoons
Value Your Trade-In
Request a Model
Secure Financing
Featured Specials
Parts
Parts Department
Parts Finder
Service
Service Department
Warranty & Recall Look-Up
Shop
Parts Finder
Shopping Cart
Financing
About
Our Dealership
Employment
Reviews
Customer Survey
Location & Hours
Contact
Fiche | Parts Diagrams
Home
›
Parts
›
Parts Finder
Search by :
Part / Desc
VIN
Please Select
Can-Am
CFMOTO
Kawasaki
Sea-Doo
Suzuki
Yamaha
*Please enter at least 3 characters
SEARCH
Manufacturer
Suzuki
Motorcycles
2024
Hayabusa 25th Anniversary Edition ( GSX1300RRZM4)
VIEW WISH LIST
Select a Section
Show/Hide
COLOR CHART
2ND AIR
AIR CLEANER
AIR INTAKE PIPE
BATTERY
BODY ELECTRICAL
CAM CHAIN
CAMSHAFT/VALVE
CLUTCH
CLUTCH COVER
CLUTCH MASTER CYLINDER
COWLING BODY
COWLING INSTALLATION PARTS
CRANK BALANCER
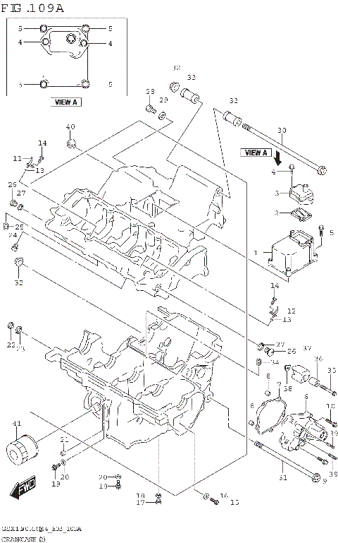
CRANKCASE
CRANKCASE (2)
CRANKSHAFT
CYLINDER
CYLINDER HEAD
CYLINDER HEAD COVER
ELECTRICAL (E03,E28)
ELECTRICAL (E33)
EVAP SYSTEM (E33)
FOOTREST
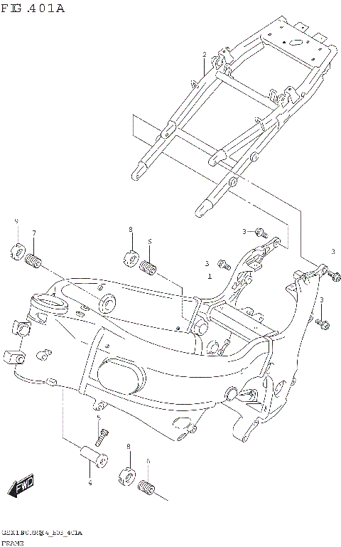
FRAME
FRAME CENTER COVER
FRAME COVER
FRONT BRAKE HOSE
FRONT CALIPER
FRONT FENDER
FRONT FORK DAMPER
FRONT MASTER CYLINDER
FRONT WHEEL
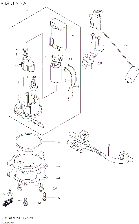
FUEL PUMP
FUEL TANK (E03,E28)
FUEL TANK (E33)
FUEL TANK BRACKET
FUEL TANK FRONT COVER (E03,E28)
FUEL TANK FRONT COVER (E33)
GASKET SET
GEAR SHIFTING
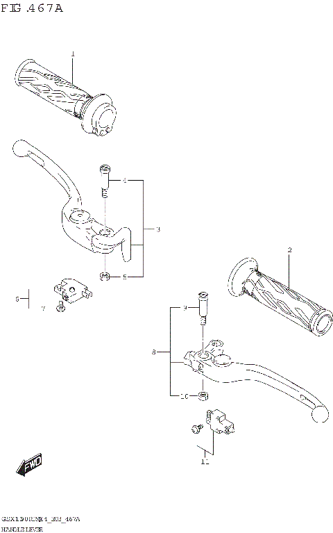
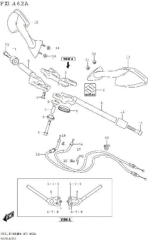
HANDLE LEVER
HANDLE SWITCH
HANDLEBAR
HEADLAMP
HYDRAULIC UNIT
LABEL (E03)
LABEL (E28)
LABEL (E33)
LOCK SET
MAGNETO
MAGNETO COVER
METER PANEL
MUFFLER
MUFFLER COVER
OIL COOLER
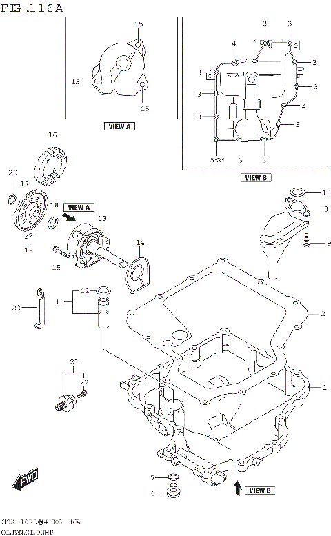
OIL PAN/OIL PUMP
PILLION FOOTREST
PILLION RIDER HANDLE
RADIATOR
RADIATOR HOSE
REAR CALIPER
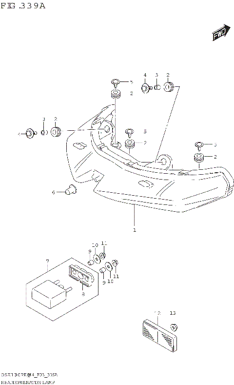
REAR COMBINATION LAMP
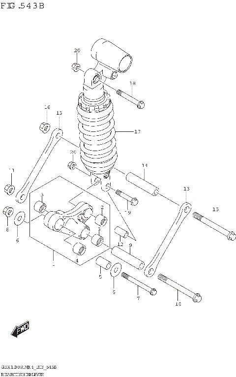
REAR CUSHION LEVER
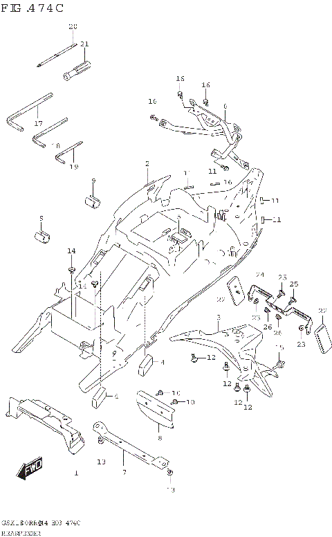
REAR FENDER (E03)
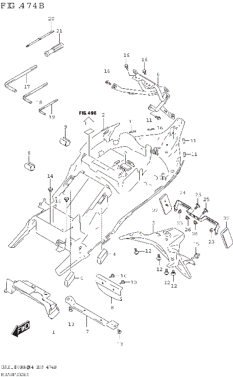
REAR FENDER (E28)
REAR FENDER (E33)
REAR MASTER CYLINDER
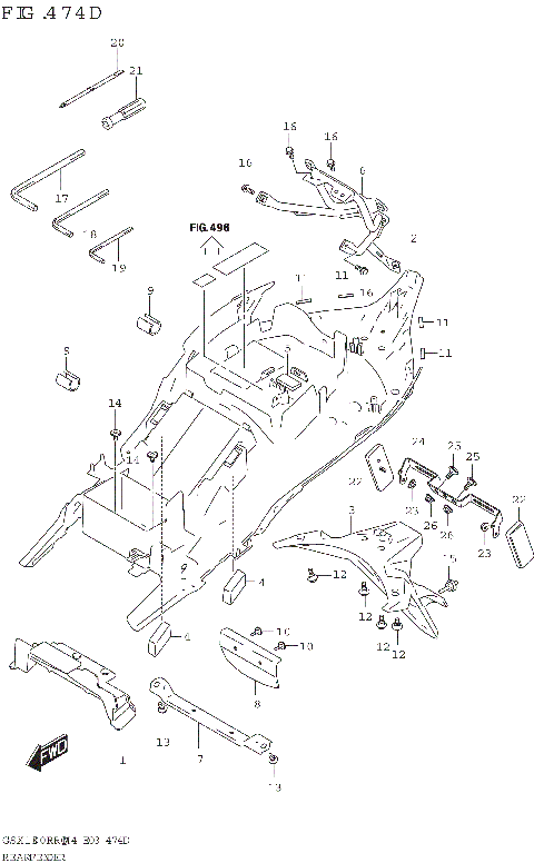
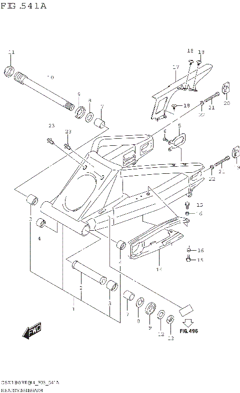
REAR SWINGINGARM
REAR WHEEL
SEAT
SEAT TAIL BOX
SIDE COVER
SIDE COWLING
SIDE REAR COVER
SPEEDOMETER (E03,E33)
SPEEDOMETER (E28)
STAND
STARTER CLUTCH
STARTING MOTOR
STEERING STEM
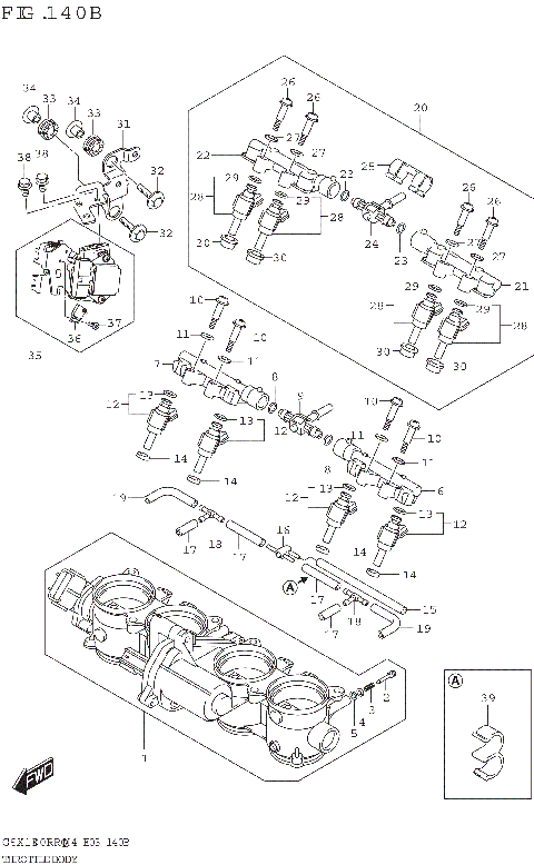
THROTTLE BODY (E03,E28)
THROTTLE BODY (E33)
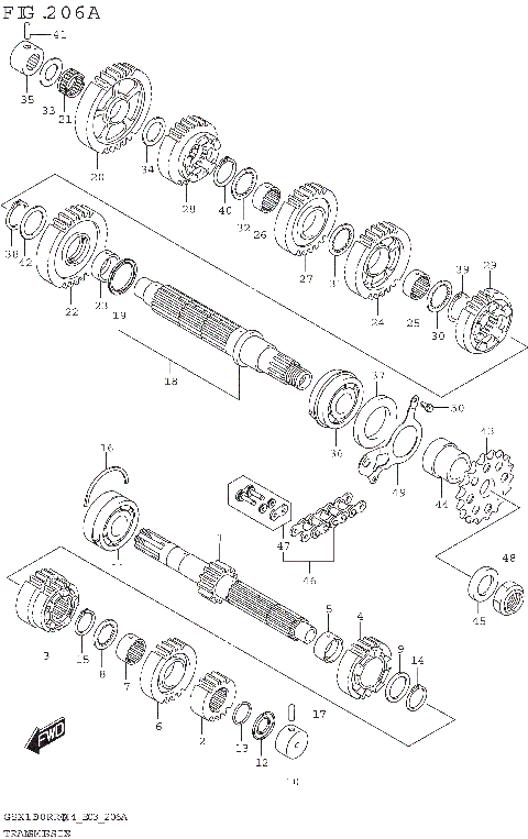
TRANSMISSION
TURNSIGNAL LAMP
UNDER COWLING
WATER PUMP
WIRING HARNESS (E03,E28)
WIRING HARNESS (E33)
COLOR CHART
2ND AIR
AIR CLEANER
AIR INTAKE PIPE
BATTERY
BODY ELECTRICAL
CAM CHAIN
CAMSHAFT/VALVE
CLUTCH
CLUTCH COVER
CLUTCH MASTER CYLINDER
COWLING BODY
COWLING INSTALLATION PARTS
CRANK BALANCER
CRANKCASE
CRANKCASE (2)
CRANKSHAFT
CYLINDER
CYLINDER HEAD
CYLINDER HEAD COVER
ELECTRICAL (E03,E28)
ELECTRICAL (E33)
EVAP SYSTEM (E33)
FOOTREST
FRAME
FRAME CENTER COVER
FRAME COVER
FRONT BRAKE HOSE
FRONT CALIPER
FRONT FENDER
FRONT FORK DAMPER
FRONT MASTER CYLINDER
FRONT WHEEL
FUEL PUMP
FUEL TANK (E03,E28)
FUEL TANK (E33)
FUEL TANK BRACKET
FUEL TANK FRONT COVER (E03,E28)
FUEL TANK FRONT COVER (E33)
GASKET SET
GEAR SHIFTING
HANDLE LEVER
HANDLE SWITCH
HANDLEBAR
HEADLAMP
HYDRAULIC UNIT
LABEL (E03)
LABEL (E28)
LABEL (E33)
LOCK SET
MAGNETO
MAGNETO COVER
METER PANEL
MUFFLER
MUFFLER COVER
OIL COOLER
OIL PAN/OIL PUMP
PILLION FOOTREST
PILLION RIDER HANDLE
RADIATOR
RADIATOR HOSE
REAR CALIPER
REAR COMBINATION LAMP
REAR CUSHION LEVER
REAR FENDER (E03)
REAR FENDER (E28)
REAR FENDER (E33)
REAR MASTER CYLINDER
REAR SWINGINGARM
REAR WHEEL
SEAT
SEAT TAIL BOX
SIDE COVER
SIDE COWLING
SIDE REAR COVER
SPEEDOMETER (E03,E33)
SPEEDOMETER (E28)
STAND
STARTER CLUTCH
STARTING MOTOR
STEERING STEM
THROTTLE BODY (E03,E28)
THROTTLE BODY (E33)
TRANSMISSION
TURNSIGNAL LAMP
UNDER COWLING
WATER PUMP
WIRING HARNESS (E03,E28)
WIRING HARNESS (E33)
VIEW WISH LIST