Columbia, SC
|
Give Us a Call
(803) 750-7050
|
EST. 1976
|
Toggle navigation
Home
Brands
Manufacturer Models
OEM Promotions
Can-Am
Sea-Doo
CFMoto
SSR Motorsports
Yamaha
Kawasaki
Suzuki
Inventory
All Inventory In Stock
New Inventory In Stock
Pre-Owned Inventory
SxS
ATVs
PTVs
Motorcycles
3-Wheel
Personal Watercraft
Scooters
Pontoons
Value Your Trade-In
Request a Model
Secure Financing
Featured Specials
Parts
Parts Department
Parts Finder
Service
Service Department
Warranty & Recall Look-Up
Shop
Parts Finder
Shopping Cart
Financing
About
Our Dealership
Employment
Reviews
Customer Survey
Location & Hours
Contact
Fiche | Parts Diagrams
Home
›
Parts
›
Parts Finder
Search by :
Part / Desc
VIN
Please Select
Can-Am
CFMOTO
Kawasaki
Sea-Doo
Suzuki
Yamaha
*Please enter at least 3 characters
SEARCH
Manufacturer
Yamaha
E-Bikes
2018
URBANRUSH (URUSHLONY/URUSHMONY/URUSHSONY)
VIEW WISH LIST
Select a Section
Show/Hide
ELECTRICAL 1
ELECTRICAL 2
FRAME
FRONT WHEEL
POWER UNIT
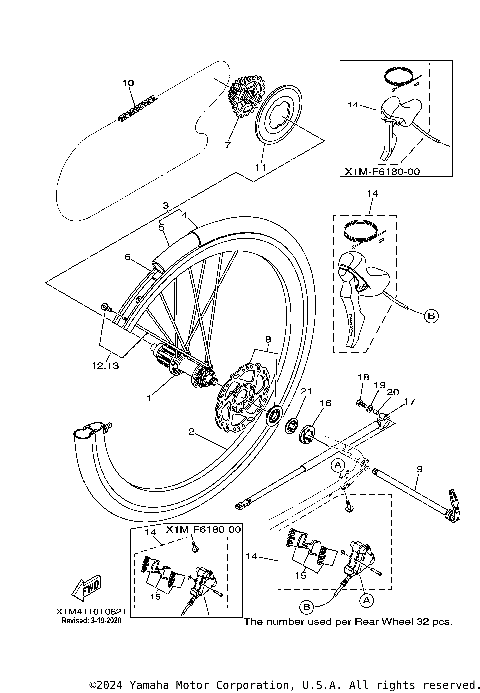
REAR WHEEL
SEAT CARRIER
SIDE COVER
STEERING HANDLE CABLE
ELECTRICAL 1
ELECTRICAL 2
FRAME
FRONT WHEEL
POWER UNIT
REAR WHEEL
SEAT CARRIER
SIDE COVER
STEERING HANDLE CABLE
VIEW WISH LIST